
公称通径:DN15-DN350(更大通径请联系我司咨询详情)
公称压力:PN1.6~6.4兆帕
工作电源:交流110V、交流220V、交流380V、直流24V
介质温度:≤450℃
环境温度:-30~60℃
控制方式:调节控制或开关控制
动作时间:15~120秒(0-90°)可选
死区:0.3%~3.0% 可调
连接方式:对夹连接、法兰连接
阀座类型:不锈钢活动硬密封
阀体材质:碳素钢铸件(WCB)、SS304不锈钢、SS316不锈钢、SS316L不锈钢
阀座材质:SS304不锈钢、SS316不锈钢、SS316L不锈钢
阀芯材质:SS304不锈钢、SS316不锈钢、SS316L不锈钢
Ex db ⅡC T6 Gb
隔爆型(d)+增安型(b)
ⅡC级(氢气、乙炔等)
T6级(≤85°C)
Gb级(1区、2区适用)
设计与制造:GB/T 12237-2007
法兰标准:- GB/T 9124.1-2019,- GB/T 9124.2-2019,- GB17241.6-2008
端到端尺寸:GB12221-2005
检验标准:GB/T 13927-2008
主要参数
硬密封气动调节阀体主要技术参数及指标
| 公称通径 | DN15-DN350(更大口径敬请联系我公司索取详细资料) |
| 公称压力 | PN1.6~6.4MPa |
| 连接方式 | 对夹式连接,法兰连接 |
| 阀座形式 | 不锈钢可动硬密封 |
| 动作时间 | 15~120秒(0-90°)可选 |
| 工作电源 | AC110V, AC220V,AC380V, DC24V |
| 控制方式 | 调节或开关控制 |
| 气动作用方式 | 单作用(带弹簧复位)或双作用 |
| 介质温度 | ≤450℃ |
| 环境温度 | -30~60℃ |
| 适用介质 | 矿浆、煤浆、纸浆、水、油品、气体 |
| 死 区 | 0.3%~3.0%可调 |
| 阀体材质 | WCB SS304 SS316 SS316L |
| 阀座材质 | SS304 SS316 SS316L |
| 阀芯材质 | SS304 SS316 SS316L |
| 制造标准 | GB/T 12237-2021 |
| 法兰标准 | GB/T 9124.1-2019、GB/T 9124.2-2019、GB17241.6-2008 |
| 结构长度标准 | GB12221-2005 |
| 检验标准 | GB/T 13927-2022 |
安装尺寸
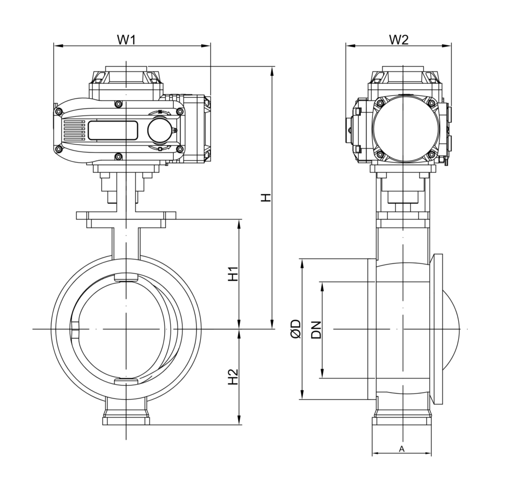
1.防爆电动硬密封调节阀(对夹式)尺寸图

| 通径 DN(mm) | 直径英寸 | A | φD | H1 | H2 | H | W1 | W2 |
| 15 | 1/2" | 62 | 54 | 74 | 75 | 420 | 217 | 150 |
| 20 | 3/4" | 62 | 54 | 74 | 75 | 420 | 217 | 150 |
| 25 | 1" | 62 | 54 | 74 | 75 | 420 | 217 | 150 |
| 32 | 1 1/4" | 62 | 78 | 80 | 75 | 430 | 217 | 150 |
| 40 | 1 1/2" | 62 | 82 | 85 | 75 | 435 | 217 | 150 |
| 50 | 2" | 75 | 100 | 87 | 95 | 459 | 217 | 150 |
| 65 | 2 1/2" | 80 | 120 | 105 | 115 | 522 | 268 | 180 |
| 80 | 3" | 100 | 131 | 115 | 125 | 544 | 268 | 180 |
| 100 | 4" | 115 | 158 | 125 | 125 | 554 | 268 | 180 |
| 125 | 5" | 130 | 180 | 140 | 155 | 594 | 268 | 180 |
| 150 | 6" | 160 | 216 | 153 | 165 | 624 | 268 | 180 |
| 200 | 8" | 200 | 260 | 200 | 195 | 704 | 268 | 180 |
| 250 | 10" | 240 | 325 | 225 | 225 | 754 | 268 | 180 |
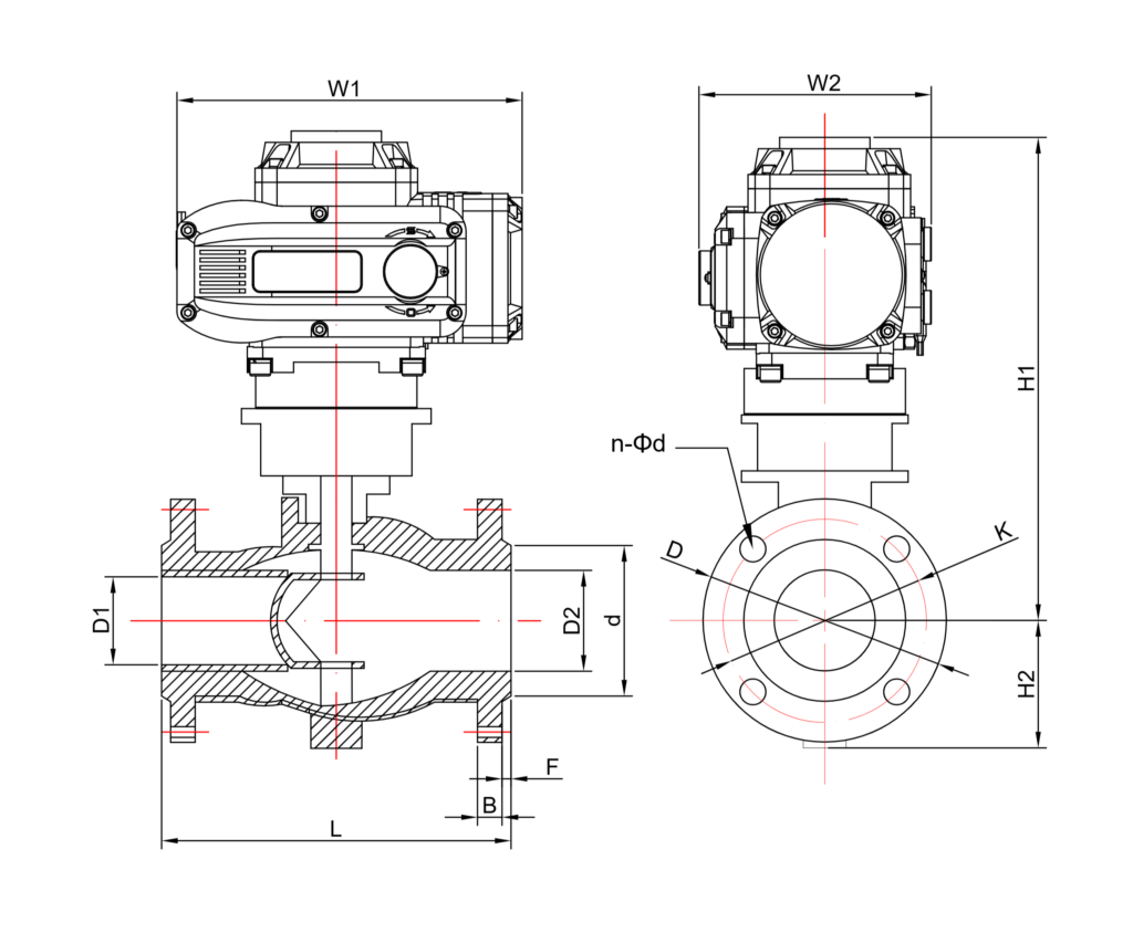
2.防爆电动硬密封调节阀(法兰式)尺寸图

| 通径DN(mm) | 直径英寸 | D1 | D2 | d | K | D | n-φd | B | F | L | H1 | H2 | W1 | W2 |
| 15 | 1/2" | 15 | 28 | 45 | 65 | 95 | 4-Φ14 | 14 | 2 | 102 | 320 | 55 | 217 | 150 |
| 20 | 3/4" | 15 | 28 | 55 | 75 | 105 | 4-Φ14 | 14 | 2 | 102 | 330 | 60 | 217 | 150 |
| 25 | 1" | 20 | 40 | 66 | 85 | 115 | 4-Φ14 | 14 | 2 | 102 | 340 | 65 | 217 | 150 |
| 32 | 1 1/4" | 25 | 46 | 78 | 100 | 135 | 4-Φ18 | 16 | 2 | 114 | 350 | 75 | 217 | 150 |
| 40 | 1 1/2" | 32 | 54 | 85 | 110 | 145 | 4-Φ18 | 16 | 2 | 114 | 360 | 80 | 217 | 150 |
| 50 | 2" | 40 | 65 | 100 | 125 | 160 | 4-Φ18 | 16 | 2 | 124 | 369 | 85 | 217 | 150 |
| 65 | 2 1/2" | 50 | 80 | 120 | 145 | 180 | 4-Φ18 | 18 | 2 | 145 | 412 | 100 | 268 | 180 |
| 80 | 3" | 65 | 100 | 135 | 160 | 195 | 8-Φ18 | 20 | 2 | 165 | 390 | 105 | 268 | 180 |
| 100 | 4" | 80 | 110 | 155 | 180 | 215 | 8-Φ18 | 20 | 2 | 194 | 450 | 115 | 268 | 180 |
| 125 | 5" | 100 | 135 | 185 | 210 | 245 | 8-Φ18 | 22 | 3 | 210 | 454 | 130 | 268 | 180 |
| 150 | 6" | 125 | 165 | 210 | 240 | 280 | 8-Φ23 | 24 | 3 | 229 | 474 | 150 | 268 | 180 |
| 200 | 8" | 160 | 205 | 265 | 295 | 335 | 12-Φ23 | 26 | 3 | 243 | 504 | 175 | 268 | 180 |
| 250 | 10" | 210 | 260 | 320 | 355 | 405 | 12-Φ26 | 30 | 3 | 297 | 544 | 220 | 268 | 180 |
| 300 | 12" | 250 | 322 | 375 | 410 | 460 | 12-Φ26 | 30 | 3 | 340 | 624 | 250 | 268 | 180 |
电路图

S型

MS型

PIU型

CPT型

PCU型

G型

SP型











