气动软密封蝶阀
气动蝶阀是由气动执行器驱动的蝶阀,通过压缩空气带动阀板旋转 90° 实现快速启闭。它具备结构紧凑、流体阻力小、…
产品标签

特点

- 采用无销钉结构,有效避免长期运行销钉脱落。
- 本阀具有双向密封功能,安装时不受介质流向的控制,也不受空间位置的影响。可在任何方向安装。
- 单作用气动活塞执行机构,防止中途气源断掉弹簧复位功能自动复位关闭阀门。
- 气动活塞执行机构分有弹簧式和无弹簧式两种。故障下要求阀全开或关闭时配有弹簧式(靠弹簧的恢复张力复位),故障下要求保位时,配无弹簧式。它主要由缸体、弹簧、活塞、活塞杆、前后缸盖、齿条、输出轴等零部件组成。
- 结构简单、紧凑,操作扭矩小,90°回转开启迅速。
- 连接方式可设计成法兰连接和对夹连接。
- 蝶板可根据用户要求喷涂覆层,如尼龙或聚四氟类
- 配行程限位开关、电磁阀、过滤减压阀等附件及0.4-0.7MPa气源可实现开关操作,接收工业自动化控制系统的开关量信号来精确控制阀门开关,从而达到流量、温度、压力等不同工艺参数的开关控制。
公称通径(DN):DN40~800
工作电压:交流220V、直流24V
介质温度:-20℃~+120℃(超过200℃需采用特殊密封)
公称压力:0.1~2.5MPa
动作时间:15秒~25秒
控制方式:调节控制或开关控制
连接方式:对夹式、法兰式
阀体材质:碳素钢铸件(WCB)、SUS304不锈钢、SUS316不锈钢、QT450-10、HT200、HT250
阀板材质:碳素钢铸件(WCB)、SUS304不锈钢、SUS316不锈钢、QT450-10、HT200、HT250
阀座材质:聚四氟乙烯(PTFE,常温用)、 特殊增强聚四氟乙烯(PPL,高温用)、丁腈耐油橡胶、EPDM
密封类型:弹性密封、耐高温聚苯硫醚(PPS)密封
防护等级:IP67
制造标准:GB12238-2008
法兰标准:GB/T 9124.1-2019 GB/T 9124.2-2019 GB/T 17241.6-2008
检验标准:GB/T 13927-2022
结构长度标准:GB/T 12221-2005
主要参数
| 公称通径 | DN40~DN800 | |
| 工作电源 | AC110V,AC220V,AC380V,DC24V | |
| 介质温度 | -20~120℃ | |
| 环境温度 | -30℃-60℃ | |
| 公称压力 | 0.1~2.5MPa | |
| 动作时间 | 15S/30S/60S | |
| 适用介质 | 水,油品,气体、腐蚀性介质等 | |
| 控制方式 | 调节或开关控制 | |
| 气动作用方式 | 单作用(带弹簧复位)或双作用 | |
| 连接方式 | 对夹式/法兰式 | |
| 密封形式 | 软密封 | |
| 试验压力 | 壳体实验 | 1.76MPa |
| 密封试验 | 2.4MPa | |
| 阀体材质 | WCB、QT450-10、HT200、HT250、SUS304、SUS316 | |
| 阀板材质 | WCB、QT450-10、HT200、HT250、SUS304、SUS316 | |
| 转轴材质 | 2Cr13 | |
| 密封圈材质 | 丁腈耐油橡胶、EPDM、PTFE、PPL等 | |
| 阀杆密封 | NBR、HNBR | |
| 填料材质 | 柔性石墨 | |
| 防护等级 | IP67 | |
| 制造标准 | GB/T 12238-2008 | |
| 法兰标准 | GB/T 9124.1-2019 GB/T 9124.2-2019 GB/T 17241.6-2008 | |
| 结构长度标准 | GB/T 12221-2005 | |
| 检验标准 | GB/T 13927-2022 | |
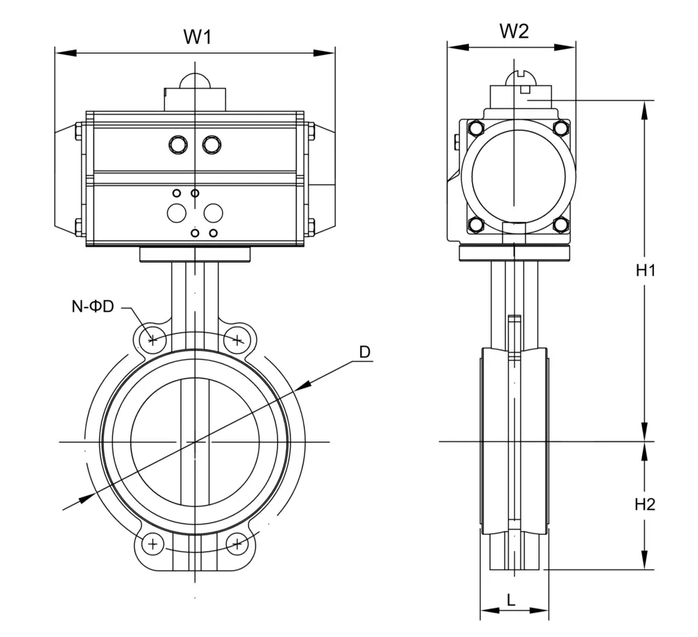
安装尺寸
1、气动对夹蝶阀安装尺寸图

| 通径 DN (mm) | L | D | N-φD | H2 | 双作用 | 单作用 | ||||
| H1 | W1 | W2 | H1 | W1 | W2 | |||||
| 40 | 33 | 125 | 4-Φ18 | 48 | 232 | 147 | 72 | 248 | 168 | 83 |
| 50 | 42.6 | 125 | 4-Φ18 | 70 | 335 | 168 | 83 | 347 | 184 | 95 |
| 65 | 45.6 | 145 | 4-φ18 | 76 | 360 | 184 | 95 | 364 | 262 | 109 |
| 80 | 45.6 | 160 | 8-φ18 | 89 | 375 | 204 | 103 | 399 | 268 | 122 |
| 100 | 51.6 | 180 | 4-φ22 | 104 | 426 | 262 | 109 | 484 | 301 | 142 |
| 125 | 55.6 | 210 | 4-φ22 | 120 | 441 | 262 | 109 | 499 | 301 | 142 |
| 150 | 55.6 | 240 | 4-φ23 | 139 | 477 | 268 | 122 | 536 | 390 | 152 |
| 200 | 59.6 | 295 | 4-φ23 | 175 | 547 | 301 | 144 | 589 | 458 | 174 |
| 250 | 67.6 | 355 | 4-φ28 | 203 | 606 | 390 | 152 | 664 | 525 | 206 |
| 300 | 77.6 | 410 | 4-φ28 | 242 | 646 | 458 | 174 | 704 | 532 | 226 |
| 350 | 77 | 470 | 4-φ28 | 277.5 | 660 | 525 | 206 | 720 | 602 | 260 |
| 400 | 86.5 | 525 | 4-φ30 | 309 | 695 | 525 | 206 | 755 | 602 | 260 |
对夹式适用法兰

| 规格(mm) | D | D1 | D2 | D3 | D4 | n-Φ | H | f | D5 | b |
| 50 | 165 | 125 | 59 | 52 | 52 | 4-Φ 18 | 20 | 3 | 62 | 8 |
| 65 | 185 | 145 | 122 | 75 | 67 | 4-Φ 18 | 20 | 3 | 78 | 8 |
| 80 | 200 | 160 | 133 | 91 | 82 | 8-Φ 18 | 20 | 3 | 91 | 8 |
| 100 | 220 | 180 | 158 | 110 | 102 | 8-Φ 18 | 22 | 3 | 116 | 8 |
| 125 | 250 | 210 | 184 | 135 | 127 | 8-Φ 18 | 22 | 3 | 142 | 8 |
| 150 | 285 | 240 | 212 | 161 | 152 | 8-Φ 22 | 24 | 3 | 170 | 10 |
| 200 | 340 | 295 | 268 | 221 | 208 | 12-Φ 22 | 26 | 3 | 221 | 10 |
| 250 | 405 | 355 | 320 | 275 | 255 | 12-Φ 26 | 29 | 3 | 275 | 10 |
| 300 | 460 | 410 | 370 | 327 | 308 | 12-Φ 26 | 32 | 4 | 326 | 14 |
| 350 | 520 | 470 | 430 | 379 | 355 | 16-Φ 26 | 34 | 4 | 358 | 14 |
| 400 | 580 | 525 | 482 | 429 | 405 | 16-Φ 30 | 36 | 4 | 409 | 14 |
| 450 | 640 | 585 | 532 | 481 | 455 | 20-Φ 30 | 38 | 4 | 460 | 16 |
| 500 | 715 | 650 | 585 | 532 | 505 | 20-Φ 33 | 42 | 4 | 511 | 16 |
| 600 | 840 | 770 | 685 | 633 | 605 | 20-Φ 36 | 44 | 5 | 613 | 18 |
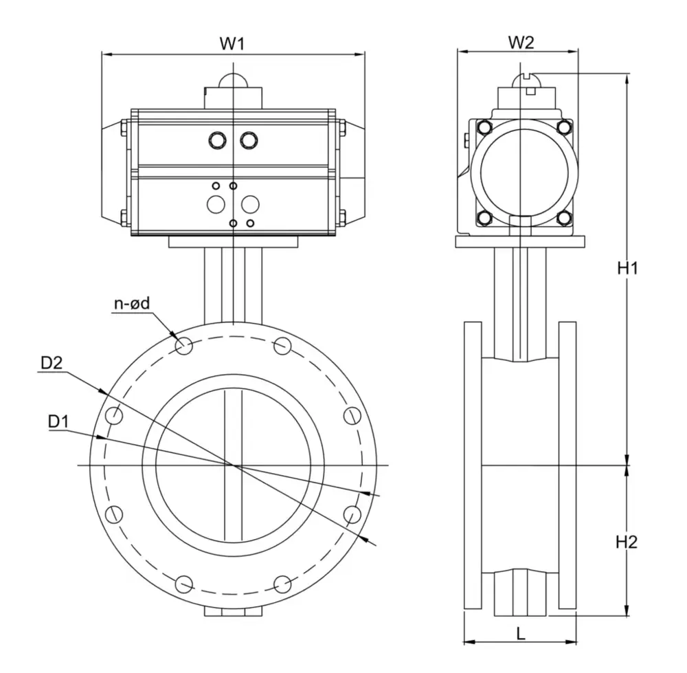
2、气动法兰蝶阀安装尺寸图表

| 规格 DN (mm) | D1 | D2 | n-Φd | L | H2 | 双作用 | 单作用 | ||||
| H1 | W1 | W2 | H1 | W1 | W2 | ||||||
| 50 | 125 | 165 | 4-Φ18 | 108 | 70 | 290 | 168 | 83 | 290 | 168 | 83 |
| 65 | 145 | 185 | 4-Φ18 | 112 | 76 | 302 | 184 | 95 | 302 | 184 | 95 |
| 80 | 160 | 200 | 4-Φ18 | 114 | 89 | 311 | 204 | 103 | 319 | 262 | 109 |
| 100 | 180 | 220 | 8-Φ18 | 127 | 104 | 319 | 262 | 109 | 345 | 268 | 122 |
| 125 | 210 | 250 | 8-Φ18 | 140 | 120 | 319 | 262 | 109 | 377 | 301 | 142 |
| 150 | 240 | 285 | 8-Φ23 | 140 | 132 | 335 | 268 | 122 | 377 | 301 | 142 |
| 200 | 295 | 340 | 8-Φ23 | 152 | 167 | 377 | 301 | 144 | 394 | 390 | 152 |
| 250 | 350 | 395 | 12-Φ23 | 165 | 202 | 394 | 390 | 152 | 419 | 458 | 174 |
| 300 | 400 | 445 | 12-Φ23 | 178 | 239 | 419 | 458 | 174 | 452 | 525 | 206 |
| 350 | 460 | 505 | 16-Φ23 | 190 | 265 | 420 | 525 | 206 | 445 | 532 | 226 |
| 400 | 515 | 565 | 16-Φ28 | 216 | 308 | 452 | 525 | 206 | 512 | 602 | 260 |
开关型接线图

调节型接线图












