
特点

①密封圈由不锈钢板和石墨复合板叠加而成。具有金属硬密封和弹性密封的双重优点,无论在低温和高温的情况下,均具有优良的密封性能,耐磨损、耐腐蚀使用寿命长等。
②独特的加长阀杆结构,有效增加执行机构与高温介质距离,散热性能更好。
③单作用气动活塞执行机构,防止中途气源断掉弹簧复位功能自动复位关闭阀门。
④阀门开启阻力小,蝶板密封面为一向上凸起的锥形,开启时蝶板圆周面上的各点同时完成脱离密封圈,固体物不易在密封面上堆积。
⑤采用三偏心密封结构,阀座与蝶阀几乎无摩擦,具有越关越紧的密封功能。
★阀门关闭过程通过密封圈的弹性受压来完成,蝶板与密封圈之间不存在相卡现象。
★更换阀座方便简单,只需取下嵌件就可取出阀座,不必拆卸阀体和阀轴。
★偏心轴和偏心蝶板设计在开启和处于中间位置时阀座与蝶板不发生接触。
★采用齿条式双活塞气动执行机构,有双作用式和单作用式(弹簧复位),齿轮传动,安全可靠。
★气缸选用铝金材料,重量轻、外形美观。可在顶部、底部安装手动操作机构。
★齿条式连接可调节开启角度、额定流量。
★执行器可选带电讯号反馈指示及各类附件以实现自动化操作。
★IS05211标准连接为产品的安装更换提供了方便。
★两端调的节螺钉可使标准产品在0°和90°有±4°的可调范围。确保与阀门的同步精度。
公称通径(DN):DN50~DN1200
工作电压:交流110V、220V、380V,直流24V
介质温度:≤540℃
环境温度:-30℃~60℃
公称压力:0.6~4.0兆帕
动作时间:15秒~25秒
控制方式:调节控制或开关控制
密封形式:软密封
连接方式:对夹式 / 法兰式
阀体材质:碳钢铸件(WCB)、球墨铸铁(QT450-10)、灰铸铁(HT200、HT250)、不锈钢(SUS304、SUS316)
阀板材质:碳钢铸件(WCB)、球墨铸铁(QT450-10)、灰铸铁(HT200、HT250)、不锈钢(SUS304、SUS316)
密封圈材质:各种不锈钢复合体
填料材质:柔性石墨
防护等级:IP67
制造标准:GB/T 12238-2008、API 609
法兰标准:GB/T 9124.1-2019
GB/T 9124.2-2019
ASME B16.50及ASME B16.47
检验标准:GB/T 13927-2022、API 598
壳体试验:0.9~7.5兆帕
密封试验:0.66~5.5兆帕
主要参数
| 公称通径 | DN50~DN1200 | |||||||
| 工作电源 | AC110VAC220V,AC380V,DC24V | |||||||
| 公称压力 | 0.6/1.0/1.6/2.5/4.0MPa | |||||||
| 控制方式 | 调节或开关控制 | |||||||
| 气动作用方式 | 单作用(带弹簧复位)或双作用 | |||||||
| 连接方式 | 对夹式/法兰式(备选) | |||||||
| 密封形式 | 金属硬密封 | |||||||
| 试验压力 | 密封 | 0.66 | 1.1 | 1.76 | 2.2 | 2.75 | 4.4 | 5.5 |
| 壳体 | 0.9 | 1.5 | 2.4 | 3.0 | 3.75 | 6.0 | 7.5 | |
| 适用温度 | ≤540℃ | |||||||
| 适用介质 | 水、油、气及各种高温或含杂质的介质 | |||||||
| 阀体材质 | 碳钢、CF8不锈钢、CF8M不锈钢、CF3M不锈钢 | |||||||
| 阀板材质 | 碳钢、CF8不锈钢、CF8M不锈钢、CF3M不锈钢 | |||||||
| 密封圈材质 | 各种不锈钢复合体 | |||||||
| 填料材质 | 柔性石墨 | |||||||
| 防护等级 | IP67 | |||||||
| 设计与制造标准 | GB/T 12238-2008、API 609 | |||||||
| 检查与实验标准 | GB/T 13927-2008、API 598 | |||||||
| 法兰连接标准 | GB/T 9124.1-2019 GB/T 9124.2-2019 、ASME B16.50及ASME B16.47 | |||||||
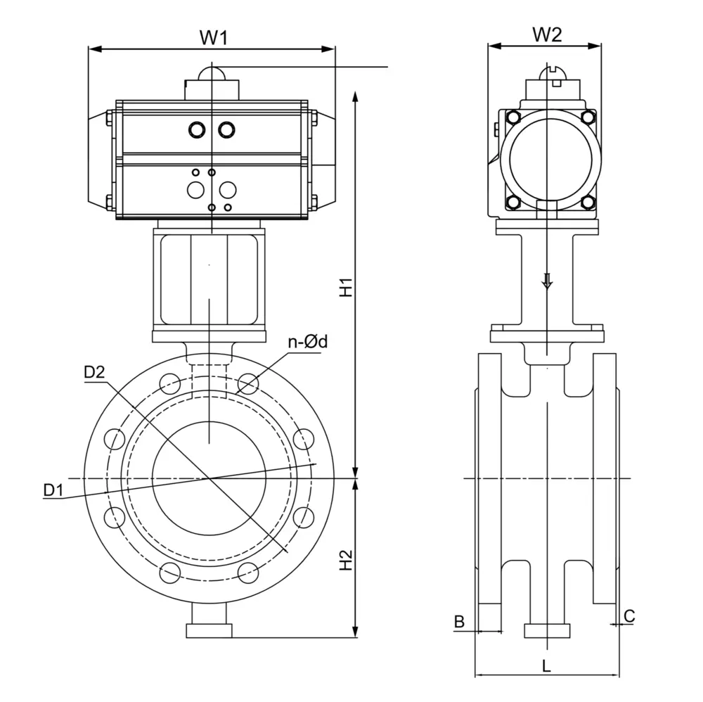
尺寸图
1、对夹式硬密封气动蝶阀安装尺寸
| 通径 (DN) | L | D | N-ΦD | H2 | 双作用 | 单作用 | ||||
| H1 | W1 | W2 | H1 | W1 | W2 | |||||
| 50 | 43 | 125 | 4-Φ18 | 112 | 240 | 168 | 83 | 252 | 184 | 95 |
| 65 | 46 | 145 | 4-Φ18 | 115 | 269 | 184 | 95 | 286 | 262 | 109 |
| 80 | 56 | 160 | 4-Φ18 | 120 | 283 | 204 | 103 | 307 | 268 | 122 |
| 100 | 64 | 180 | 4-Φ18 | 138 | 326 | 262 | 109 | 384 | 301 | 142 |
| 125 | 70 | 210 | 4-Φ18 | 164 | 341 | 262 | 109 | 399 | 301 | 142 |
| 150 | 71 | 240 | 4-Φ22 | 175 | 376 | 268 | 122 | 435 | 390 | 152 |
| 200 | 76 | 295 | 4-Φ22 | 208 | 442 | 301 | 142 | 484 | 458 | 174 |
| 250 | 83 | 355 | 4-Φ26 | 243 | 509 | 390 | 152 | 567 | 525 | 206 |
| 300 | 92 | 410 | 4-Φ26 | 283 | 614 | 458 | 174 | 672 | 532 | 226 |
| 350 | 102 | 470 | 4-Φ26 | 310 | 677 | 525 | 206 | 737 | 602 | 260 |
| 400 | 114 | 525 | 4-Φ30 | 340 | 652 | 525 | 206 | 712 | 602 | 260 |
对夹式蝶阀适用法兰

| 规格(mm) | D | D1 | D2 | D3 | D4 | n-Φ | H | f | D5 | b |
| 50 | 165 | 125 | 59 | 52 | 52 | 4-Φ 18 | 20 | 3 | 62 | 8 |
| 65 | 185 | 145 | 122 | 75 | 67 | 4-Φ 18 | 20 | 3 | 78 | 8 |
| 80 | 200 | 160 | 133 | 91 | 82 | 8-Φ 18 | 20 | 3 | 91 | 8 |
| 100 | 220 | 180 | 158 | 110 | 102 | 8-Φ 18 | 22 | 3 | 116 | 8 |
| 125 | 250 | 210 | 184 | 135 | 127 | 8-Φ 18 | 22 | 3 | 142 | 8 |
| 150 | 285 | 240 | 212 | 161 | 152 | 8-Φ 22 | 24 | 3 | 170 | 10 |
| 200 | 340 | 295 | 268 | 221 | 208 | 12-Φ 22 | 26 | 3 | 221 | 10 |
| 250 | 405 | 355 | 320 | 275 | 255 | 12-Φ 26 | 29 | 3 | 275 | 10 |
| 300 | 460 | 410 | 370 | 327 | 308 | 12-Φ 26 | 32 | 4 | 326 | 14 |
| 350 | 520 | 470 | 430 | 379 | 355 | 16-Φ 26 | 34 | 4 | 358 | 14 |
| 400 | 580 | 525 | 482 | 429 | 405 | 16-Φ 30 | 36 | 4 | 409 | 14 |
| 450 | 640 | 585 | 532 | 481 | 455 | 20-Φ 30 | 38 | 4 | 460 | 16 |
| 500 | 715 | 650 | 585 | 532 | 505 | 20-Φ 33 | 42 | 4 | 511 | 16 |
| 600 | 840 | 770 | 685 | 633 | 605 | 20-Φ 36 | 44 | 5 | 613 | 18 |
2.法兰式硬密封气动蝶阀安装尺寸

| 通径 (DN) | L | D1 | D2 | n-Φd | B | C | H2 | 双作用 | 单作用 | ||||
| H1 | W1 | W2 | H1 | W1 | W2 | ||||||||
| 50 | 108 | 125 | 165 | 4-Φ18 | 16 | 2 | 112 | 240 | 168 | 83 | 252 | 184 | 95 |
| 65 | 112 | 145 | 185 | 4-Φ18 | 16 | 2 | 115 | 269 | 184 | 95 | 286 | 262 | 109 |
| 80 | 114 | 160 | 200 | 8-Φ18 | 18 | 2 | 120 | 283 | 204 | 103 | 307 | 268 | 122 |
| 100 | 127 | 180 | 220 | 8-Φ18 | 20 | 3 | 138 | 326 | 262 | 109 | 384 | 301 | 142 |
| 125 | 140 | 210 | 250 | 8-Φ18 | 22 | 3 | 164 | 341 | 262 | 109 | 399 | 301 | 142 |
| 150 | 140 | 240 | 285 | 8-Φ22 | 24 | 3 | 175 | 376 | 268 | 122 | 435 | 390 | 152 |
| 200 | 152 | 295 | 340 | 12-Φ22 | 24 | 3 | 208 | 442 | 301 | 142 | 484 | 458 | 174 |
| 250 | 165 | 355 | 405 | 12-Φ26 | 26 | 3 | 243 | 509 | 390 | 152 | 567 | 525 | 206 |
| 300 | 178 | 410 | 460 | 16-Φ26 | 28 | 3.5 | 283 | 614 | 458 | 174 | 672 | 532 | 226 |
| 350 | 190 | 470 | 520 | 16-Φ30 | 30 | 3.5 | 310 | 677 | 525 | 206 | 737 | 602 | 260 |
| 400 | 216 | 525 | 580 | 20-Φ30 | 32 | 3.5 | 340 | 675 | 525 | 206 | 735 | 602 | 260 |
开关型接线图

调节型接线图











