
特点
- 快速动作满足管路快速切断介质的需求。
- 只在工作时通电,动作开关到位即切断电源。
- 电机减速结构,有效避免电磁阀线圈长期通电容易老化,寿命短的缺陷。
- 无安装方向的要求,可在管道上360°任意角度安装,甚至是倒置安装。
- 压差大的环境同样轻松切断,而无需担心电磁阀衔铁结构无法吸合的缺陷。
★4/6秒可完成开关动作,采用电动快开执行机构(执行器)驱动装置。只在工作时才使用电能。闲置时零功耗,有效降低系统运行成本。
★耐压差可达到1.0MPa以上
★无需维护,从一开始投入运行就无需任何维护。


主要参数
| 公称通径 | DN40-DN200 | |
| 动作时间 | 3秒、4秒、6秒可选(0-90°) | |
| 公称压力 | 1.0MPa. 1.6MPa | |
| 阀体结构 | 中线软密封结构 、偏心结构 | |
| 工作电源 | AC110VAC220V,AC380VDC24V | |
| 控制信号 | 开关带反馈 | |
| 工作压力 | PN1.6MPa | |
| 介质温度 | ≤120℃(更高耐温级别备选) | |
| 环境温度 | ≤60℃ | |
| 流量系数 | 额定 | |
| 适用介质 | 水,油品,气体 | |
| 阀体材质 | SUS304 SUS316 WCB | |
| 连接方式 | 对夹式/法兰式(备选) | |
| 密封形式 | 软密封/硬密封(备选) | |
| 试验压力 | 壳体实验 | 1.76MPa |
| 密封试验 | 2.4MPa | |
| 阀体材质 | WCB、QT450-10、HT200、HT250、不锈钢304,316 | |
| 阀板材质 | WCB、QT450-10、HT200、HT250、不锈钢304,316 | |
| 转轴材质 | 2Cr13 | |
| 密封圈材质 | 丁腈耐油橡胶、EPDM、PTFE、PPL、司泰莱合金堆焊等 | |
| 填料材质 | 柔性石墨 | |
| 防护等级 | IP67 | |
| 制造标准 | GB/T 12238-2008 、API 609 | |
| 结构长度标准 | GB/T 12221-2005 | |
| 检验标准 | GB/T 13927-2008 、API 598 | |
尺寸图
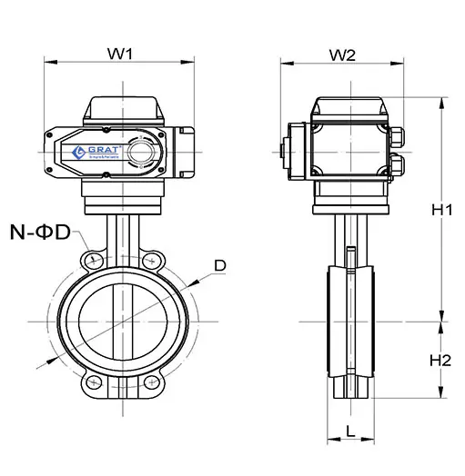
1、对夹式快速开关电动蝶阀连接尺寸
| 通径 DN(mm) | L | D | N-ΦD | H2 | H1 | W1 | W2 |
| 40 | 33 | 125 | 4-Φ18 | 48 | 210 | 167 | 138 |
| 50 | 42.6 | 125 | 4-Φ18 | 70 | 314 | 196 | 145 |
| 65 | 45.6 | 145 | 4-Φ18 | 76 | 327 | 196 | 145 |
| 80 | 45.6 | 160 | 8-Φ18 | 89 | 333 | 255 | 182 |
| 100 | 51.6 | 180 | 4-Φ22 | 104 | 385 | 255 | 182 |
| 125 | 55.6 | 210 | 4-Φ22 | 120 | 400 | 255 | 182 |
| 150 | 55.6 | 240 | 4-Φ23 | 139 | 442 | 255 | 182 |
| 200 | 59.6 | 295 | 4-Φ23 | 175 | 480 | 354 | 251 |
2、快速开关电动蝶阀法兰式连接安装尺寸:

| 口径(DN) | D1 | D2 | N-ΦD | L | H2 | H1 | W1 | W2 |
| 50 | 125 | 165 | 4-Φ18 | 108 | 70 | 288 | 196 | 145 |
| 65 | 145 | 185 | 4-Φ18 | 112 | 76 | 301 | 196 | 145 |
| 80 | 160 | 200 | 4-Φ18 | 114 | 89 | 313 | 255 | 182 |
| 100 | 180 | 220 | 8-Φ18 | 127 | 104 | 328 | 255 | 182 |
| 125 | 210 | 250 | 8-Φ18 | 140 | 120 | 348 | 255 | 182 |
| 150 | 240 | 285 | 8-Φ23 | 140 | 132 | 368 | 255 | 182 |
| 200 | 295 | 340 | 8-Φ23 | 152 | 167 | 435 | 354 | 251 |
3、快速开关电动蝶阀主体零部件材料
| 零件名称 | 材料 |
| 阀 体 | WCB、QT450-10、HT200、HT250 |
| 蝶 板 | WCB、QT450-10、HT200、HT250 |
| 阀 轴 | 2Cr13 |
| 密 封 圈 | 丁腈耐油橡胶 |
| 填料 | 柔性石墨 |
4、快速开关电动蝶阀执行标准
| 制造标准 | GB/T 122387-89 |
| 法兰标准 | GB9113-2000、GB17241.6-1998 |
| 结构长度标准 | GB12221-89 |
| 检验标准 | GB/T 13927-92 |
5、快速开关电动蝶阀性能规范
| 公称通径 | 40~200 | 40~200 | mm | |
| 公称压力 | 1.0 | 1.6 | Mpa | |
| 试验压力 | 密封 | 1.1 | 1.76 | |
| 壳体 | 1.5 | 2.4 | ||
| 适用温度 | ﹣15~﹢150 | ℃ | ||
| 适用介质 | 淡水、海水、污水、空气、蒸气、食品、药品、各种油类、酸类、碱类、盐类等 | |||
6.快速开关电动蝶阀与管道连接示意图

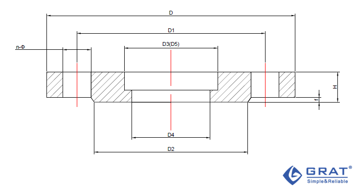
7.对夹式蝶阀适用法兰

| 规格(mm) | D | D1 | D2 | D3 | D4 | n-Φ | H | f | D5 | b |
| 50 | 165 | 125 | 59 | 52 | 52 | 4-Φ 18 | 20 | 3 | 62 | 8 |
| 65 | 185 | 145 | 122 | 75 | 67 | 4-Φ 18 | 20 | 3 | 78 | 8 |
| 80 | 200 | 160 | 133 | 91 | 82 | 8-Φ 18 | 20 | 3 | 91 | 8 |
| 100 | 220 | 180 | 158 | 110 | 102 | 8-Φ 18 | 22 | 3 | 116 | 8 |
| 125 | 250 | 210 | 184 | 135 | 127 | 8-Φ 18 | 22 | 3 | 142 | 8 |
| 150 | 285 | 240 | 212 | 161 | 152 | 8-Φ 22 | 24 | 3 | 170 | 10 |
| 200 | 340 | 295 | 268 | 221 | 208 | 12-Φ 22 | 26 | 3 | 221 | 10 |
电路图

S型

MS型












