
特点



- 在高温高压工况下仍具有稳定的密封性能.它的特殊密封系统可保证从超低温至超高温各温度范围都具有较高的密封性能。
- 阀门关闭过程通过密封圈的弹性受压来完成,蝶板与密封圈之间不存在相卡现象。
- 更换阀座方便简单,只需取下嵌件就可取出阀座,不必拆卸阀体和阀轴。
- 偏心轴和偏心蝶板设计在开启和处于中间位置时阀座与蝶板不发生接触。


主要参数
| 公称通径 | DN50~DN1200 | |||||||
| 工作电源 | AC110V,AC220V,AC380V,DC24V | |||||||
| 公称压力 | 0.6/1.0/1.6/2.5/4.0MPa | |||||||
| 控制方式 | 调节或开关控制 | |||||||
| 气动作用方式 | 单作用(带弹簧复位)或双作用 | |||||||
| 连接方式 | 对夹式/法兰式(备选) | |||||||
| 密封形式 | 金属硬密封 | |||||||
| 试验 压力 | 密封 | 0.66 | 1.1 | 1.76 | 2.2 | 2.75 | 4.4 | 5.5 |
| 壳体 | 0.9 | 1.5 | 2.4 | 3.0 | 3.75 | 6.0 | 7.5 | |
| 适用温度 | ≤450℃ | |||||||
| 适用介质 | 水、油、气及各种高温或含杂质的介质 | |||||||
| 阀体材质 | 碳钢、CF8不锈钢、CF8M不锈钢、CF3M不锈钢 | |||||||
| 阀板材质 | 碳钢、CF8不锈钢、CF8M不锈钢、CF3M不锈钢 | |||||||
| 密封圈材质 | 各种不锈钢复合体 | |||||||
| 填料材质 | 柔性石墨 | |||||||
| 防护等级 | IP67 | |||||||
| 设计与制造标准 | GB/T 12238-2008、API 609 | |||||||
| 检查与实验标准 | GB/T 13927-2008、API 598 | |||||||
| 法兰连接标准 | GB/T 9124.1-2019 GB/T 9124.2-2019 、ASME B16.50及ASME B16.47 | |||||||
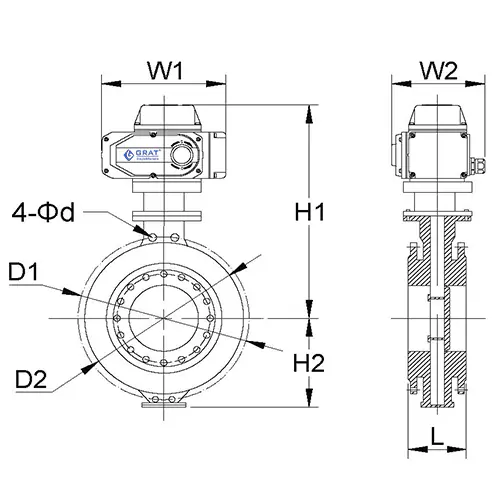
尺寸图
2、硬密封电动蝶阀对夹连接安装尺寸图表

| 通径 (DN) | L | D1 | D2 | 4-Φd | H1 | H2 | W1 | W2 |
| 50 | 43 | 125 | 105 | 18 | 238 | 112 | 196 | 145 |
| 65 | 46 | 145 | 125 | 18 | 255 | 115 | 196 | 145 |
| 80 | 56 | 160 | 140 | 18 | 260 | 120 | 196 | 145 |
| 100 | 64 | 180 | 160 | 18 | 285 | 138 | 196 | 145 |
| 125 | 70 | 210 | 190 | 18 | 300 | 164 | 196 | 145 |
| 150 | 71 | 240 | 215 | 22 | 320 | 175 | 255 | 182 |
| 200 | 76 | 295 | 270 | 22 | 370 | 208 | 255 | 182 |
| 250 | 83 | 355 | 325 | 26 | 420 | 243 | 255 | 182 |
| 300 | 92 | 410 | 375 | 26 | 500 | 283 | 255 | 182 |
| 350 | 102 | 470 | 435 | 26 | 530 | 310 | 255 | 182 |
| 400 | 114 | 525 | 545 | 30 | 570 | 340 | 354 | 273 |
| 450 | 127 | 585 | 565 | 30 | 600 | 380 | 354 | 273 |
| 500 | 154 | 650 | 590 | 33 | 680 | 410 | 354 | 273 |
| 600 | 165 | 770 | 690 | 36 | 750 | 470 | 354 | 273 |
| 700 | 190 | 840 | 805 | 36 | 810 | 550 | 354 | 273 |
| 800 | 203 | 950 | 915 | 39 | 905 | 640 | 354 | 273 |
| 900 | 216 | 1050 | 1015 | 39 | 960 | 710 | 354 | 273 |
| 1000 | 254 | 1170 | 1120 | 42 | 1010 | 770 | 354 | 273 |
| 1200 | 265 | 1390 | 1335 | 48 | 1175 | 890 | 354 | 273 |
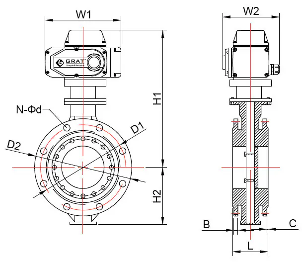
3、硬密封电动蝶阀法兰连接安装尺寸图表
| 通径 (DN) | L | D1 | D2 | N-Φd | B | C | H1 | H2 | W1 | W2 |
| 50 | 108 | 125 | 165 | 4-Φ18 | 16 | 2 | 238 | 112 | 196 | 145 |
| 65 | 112 | 145 | 185 | 4-Φ18 | 16 | 2 | 255 | 115 | 196 | 145 |
| 80 | 114 | 160 | 200 | 8-Φ18 | 18 | 2 | 260 | 120 | 196 | 145 |
| 100 | 127 | 180 | 220 | 8-Φ18 | 20 | 3 | 285 | 138 | 196 | 145 |
| 125 | 140 | 210 | 250 | 8-Φ18 | 22 | 3 | 300 | 164 | 196 | 145 |
| 150 | 140 | 240 | 285 | 8-Φ22 | 24 | 3 | 320 | 175 | 255 | 182 |
| 200 | 152 | 295 | 340 | 12-Φ22 | 24 | 3 | 370 | 208 | 255 | 182 |
| 250 | 165 | 355 | 405 | 12-Φ26 | 26 | 3 | 420 | 243 | 255 | 182 |
| 300 | 178 | 410 | 460 | 16-Φ26 | 28 | 3.5 | 500 | 283 | 255 | 182 |
| 350 | 190 | 470 | 520 | 16-Φ30 | 30 | 3.5 | 530 | 310 | 255 | 182 |
| 400 | 216 | 525 | 580 | 20-Φ30 | 32 | 3.5 | 570 | 340 | 354 | 273 |
| 450 | 222 | 585 | 640 | 20-Φ33 | 40 | 3.5 | 600 | 380 | 354 | 273 |
| 500 | 229 | 650 | 715 | 20-Φ36 | 44 | 4 | 680 | 410 | 354 | 273 |
| 600 | 267 | 770 | 840 | 24-Φ36 | 54 | 4 | 750 | 470 | 354 | 273 |
| 700 | 292 | 840 | 910 | 24-Φ39 | 40 | 4 | 810 | 550 | 354 | 273 |
| 800 | 318 | 950 | 1025 | 28-Φ39 | 42 | 4 | 905 | 640 | 354 | 273 |
| 900 | 330 | 1050 | 1125 | 28-Φ42 | 44 | 5 | 960 | 710 | 354 | 273 |
| 1000 | 410 | 1170 | 1255 | 32-Φ48 | 46 | 5 | 1010 | 770 | 354 | 273 |
| 1200 | 470 | 1390 | 1485 | 32-Φ48 | 52 | 5 | 1175 | 890 | 354 | 273 |
4.对夹式蝶阀适用法兰

| 规格(mm) | D | D1 | D2 | D3 | D4 | n-Φ | H | f | D5 | b |
| 50 | 165 | 125 | 59 | 52 | 52 | 4-Φ 18 | 20 | 3 | 62 | 8 |
| 65 | 185 | 145 | 122 | 75 | 67 | 4-Φ 18 | 20 | 3 | 78 | 8 |
| 80 | 200 | 160 | 133 | 91 | 82 | 8-Φ 18 | 20 | 3 | 91 | 8 |
| 100 | 220 | 180 | 158 | 110 | 102 | 8-Φ 18 | 22 | 3 | 116 | 8 |
| 125 | 250 | 210 | 184 | 135 | 127 | 8-Φ 18 | 22 | 3 | 142 | 8 |
| 150 | 285 | 240 | 212 | 161 | 152 | 8-Φ 22 | 24 | 3 | 170 | 10 |
| 200 | 340 | 295 | 268 | 221 | 208 | 12-Φ 22 | 26 | 3 | 221 | 10 |
| 250 | 405 | 355 | 320 | 275 | 255 | 12-Φ 26 | 29 | 3 | 275 | 10 |
| 300 | 460 | 410 | 370 | 327 | 308 | 12-Φ 26 | 32 | 4 | 326 | 14 |
| 350 | 520 | 470 | 430 | 379 | 355 | 16-Φ 26 | 34 | 4 | 358 | 14 |
| 400 | 580 | 525 | 482 | 429 | 405 | 16-Φ 30 | 36 | 4 | 409 | 14 |
| 450 | 640 | 585 | 532 | 481 | 455 | 20-Φ 30 | 38 | 4 | 460 | 16 |
| 500 | 715 | 650 | 585 | 532 | 505 | 20-Φ 33 | 42 | 4 | 511 | 16 |
| 600 | 840 | 770 | 685 | 633 | 605 | 20-Φ 36 | 44 | 5 | 613 | 18 |
电路图

S型

MS型

PIU型

CPT型

PCU型

G型

SP型









