
特点
- 采用无销钉结构,有效避免长期运行销钉脱落。
- 本阀具有双向密封功能,安装时不受介质流向的控制,也不受空间位置的影响。可在任何方向安装。
- 密封副材料选用不锈钢和丁腈耐油橡胶配对,有效延长使用寿命长。
- 具有非常显著的经济性,尤其是较大口径的蝶阀。(中、低压力场合首选蝶阀)
- 优越的经济性能使得蝶阀广泛应用于食品、环保、轻工、石油、造纸、化工、船舶、城市给排水、电力等行业的工业自动控制系统中。
公称通径:DN40~800
公称压力:0.1~2.5兆帕
工作电源:交流110V、交流220V、交流380V、直流24V
介质温度:-20℃~+120℃
环境温度:-30~60℃
控制方式:调节控制或开关控制
动作时间:15秒 / 30秒 / 60秒
连接方式:对夹连接、法兰连接
阀座类型:不锈钢活动硬密封
阀体材质:碳素钢铸件(WCB)、球墨铸铁(QT450-10)、灰铸铁(HT200、HT250)、SUS304不锈钢、SUS316不锈钢
阀板材质:碳素钢铸件(WCB)、球墨铸铁(QT450-10)、灰铸铁(HT200、HT250)、SUS304不锈钢、SUS316不锈钢
阀轴材质:2Cr13不锈钢
密封圈材质:丁腈耐油橡胶、三元乙丙橡胶(EPDM)、聚四氟乙烯(PTFE)、增强聚四氟乙烯(PPL)等
阀杆密封:丁腈橡胶(NBR)、氢化丁腈橡胶(HNBR)
填料材质:柔性石墨
Ex db ⅡC T6 Gb
隔爆型(d)+增安型(b)
ⅡC级(氢气、乙炔等)
T6级(≤85°C)
Gb级(1区、2区适用)
设计与制造:GB/T 12238-2008
法兰标准:- GB/T 9124.1-2019,- GB/T 9124.2-2019,- GB17241.6-2008
端到端尺寸:GB12221-2005
检验标准:GB/T 13927-2008
壳体试验:1.76MPa
密封试验:2.4MPa
主要参数
| 公称通径 | DN40~DN800 | |
| 工作电源 | AC110V,AC220V,AC380V,DC24V | |
| 介质温度 | -20~120℃ | |
| 环境温度 | -30℃-60℃ | |
| 公称压力 | 0.1~2.5MPa | |
| 动作时间 | 15S/30S/60S | |
| 适用介质 | 水,油品,气体、腐蚀性介质等 | |
| 控制方式 | 调节或开关控制 | |
| 气动作用方式 | 单作用(带弹簧复位)或双作用 | |
| 连接方式 | 对夹式/法兰式 | |
| 密封形式 | 软密封 | |
| 试验压力 | 壳体实验 | 1.76MPa |
| 密封试验 | 2.4MPa | |
| 阀体材质 | WCB、QT450-10、HT200、HT250、SUS304、SUS316 | |
| 阀板材质 | WCB、QT450-10、HT200、HT250、SUS304、SUS316 | |
| 转轴材质 | 2Cr13 | |
| 密封圈材质 | 丁腈耐油橡胶、EPDM、PTFE、PPL等 | |
| 阀杆密封 | NBR、HNBR | |
| 填料材质 | 柔性石墨 | |
| 防护等级 | IP67 | |
| 制造标准 | GB/T 12238-2008 | |
| 法兰标准 | GB/T 9124.1-2019 GB/T 9124.2-2019 GB/T 17241.6-2008 | |
| 结构长度标准 | GB/T 12221-2005 | |
| 检验标准 | GB/T 13927-2022 | |
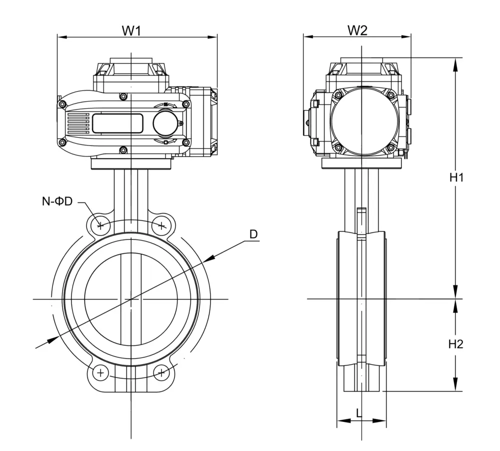
尺寸图
1.对夹式防爆电动蝶阀安装尺寸图表

| 通径 DN(mm) | L | D | N-φD | H2 | H1 | W2 | W1 |
| 40 | 33 | 125 | 4-Φ18 | 48 | 276 | 217 | 150 |
| 50 | 42.6 | 125 | 4-Φ18 | 70 | 398 | 217 | 150 |
| 65 | 45.6 | 145 | 4-φ18 | 76 | 375 | 217 | 150 |
| 80 | 45.6 | 160 | 8-φ18 | 89 | 381 | 217 | 150 |
| 100 | 51.6 | 180 | 4-φ22 | 104 | 414 | 217 | 150 |
| 125 | 55.6 | 210 | 4-φ22 | 120 | 429 | 217 | 150 |
| 150 | 55.6 | 240 | 4-φ23 | 139 | 465 | 217 | 150 |
| 200 | 59.6 | 295 | 4-φ23 | 175 | 536 | 268 | 180 |
| 250 | 67.6 | 355 | 4-φ28 | 203 | 562 | 268 | 180 |
| 300 | 77.6 | 410 | 4-φ28 | 242 | 561 | 268 | 180 |
| 350 | 77 | 470 | 4-φ28 | 277.5 | 562 | 268 | 180 |
| 400 | 86.5 | 525 | 4-φ30 | 309 | 613 | 354 | 273 |
| 450 | 105.6 | 585 | 4-φ30 | 337 | 633 | 354 | 273 |
| 500 | 131.8 | 650 | 4-φ33 | 361 | 693 | 354 | 273 |
对夹式适用法兰

| 规格(mm) | D | D1 | D2 | D3 | D4 | n-Φ | H | f | D5 | b |
| 50 | 165 | 125 | 59 | 52 | 52 | 4-Φ 18 | 20 | 3 | 62 | 8 |
| 65 | 185 | 145 | 122 | 75 | 67 | 4-Φ 18 | 20 | 3 | 78 | 8 |
| 80 | 200 | 160 | 133 | 91 | 82 | 8-Φ 18 | 20 | 3 | 91 | 8 |
| 100 | 220 | 180 | 158 | 110 | 102 | 8-Φ 18 | 22 | 3 | 116 | 8 |
| 125 | 250 | 210 | 184 | 135 | 127 | 8-Φ 18 | 22 | 3 | 142 | 8 |
| 150 | 285 | 240 | 212 | 161 | 152 | 8-Φ 22 | 24 | 3 | 170 | 10 |
| 200 | 340 | 295 | 268 | 221 | 208 | 12-Φ 22 | 26 | 3 | 221 | 10 |
| 250 | 405 | 355 | 320 | 275 | 255 | 12-Φ 26 | 29 | 3 | 275 | 10 |
| 300 | 460 | 410 | 370 | 327 | 308 | 12-Φ 26 | 32 | 4 | 326 | 14 |
| 350 | 520 | 470 | 430 | 379 | 355 | 16-Φ 26 | 34 | 4 | 358 | 14 |
| 400 | 580 | 525 | 482 | 429 | 405 | 16-Φ 30 | 36 | 4 | 409 | 14 |
| 450 | 640 | 585 | 532 | 481 | 455 | 20-Φ 30 | 38 | 4 | 460 | 16 |
| 500 | 715 | 650 | 585 | 532 | 505 | 20-Φ 33 | 42 | 4 | 511 | 16 |
| 600 | 840 | 770 | 685 | 633 | 605 | 20-Φ 36 | 44 | 5 | 613 | 18 |
2.法兰式防爆电动蝶阀安装尺寸图表

| 通径 DN(mm) | D1 | D2 | n-Φd | L | H2 | H1 | W1 | W2 |
| 50 | 125 | 165 | 4-Φ18 | 108 | 70 | 315.5 | 217 | 150 |
| 65 | 145 | 185 | 4-Φ18 | 112 | 76 | 329.5 | 217 | 150 |
| 80 | 160 | 200 | 4-Φ18 | 114 | 89 | 341.5 | 217 | 150 |
| 100 | 180 | 220 | 8-Φ18 | 127 | 104 | 356.5 | 217 | 150 |
| 125 | 210 | 250 | 8-Φ18 | 140 | 120 | 408.5 | 268 | 180 |
| 150 | 240 | 285 | 8-Φ23 | 140 | 132 | 429.5 | 268 | 180 |
| 200 | 295 | 340 | 8-Φ23 | 152 | 167 | 459 | 268 | 180 |
| 250 | 350 | 395 | 12-Φ23 | 165 | 202 | 498 | 268 | 180 |
| 300 | 400 | 445 | 12-Φ23 | 178 | 239 | 526 | 268 | 180 |
| 350 | 460 | 505 | 16-Φ23 | 190 | 265 | 561 | 268 | 180 |
| 400 | 515 | 565 | 16-Φ28 | 216 | 308 | 640 | 354 | 273 |
| 450 | 565 | 615 | 20-Φ28 | 222 | 341 | 662 | 354 | 273 |
| 500 | 620 | 670 | 20-Φ28 | 229 | 381 | 700 | 354 | 273 |
| 600 | 725 | 780 | 20-Φ31 | 267 | 476 | 803 | 354 | 273 |
| 700 | 840 | 895 | 24-Φ34 | 292 | 520 | 866 | 354 | 273 |
| 800 | 950 | 1015 | 24-Φ37 | 318 | 591 | 949 | 354 | 273 |
电路图

S型

MS型

PIU型

CPT型

PCU型

G型

SP型











