特点
电动塑料电动球阀采用具有极强耐腐蚀性能的UPVC或CPVC等材料,能耐强酸、强碱,不会生锈结垢。使得其用途更加广泛。双由令连接方式,拆卸简单方便,维护简单易行(如下图)。
- 材质卫生无毒,符合国家卫生标准。
- 阀体重量轻,相当于钢管1/5铜管的1/6。
- 具有极佳的强度和韧性,耐磨损。
- 管壁平洁光滑,输送流体时具有较小的摩擦阻力和附着力。
公称通径(DN):DN15~DN100
工作电压:交流110V、220V、380V,直流24V
介质温度:-15~60℃
环境温度:-30℃~60℃
公称压力:0.1~1.6兆帕
动作时间:15秒~25秒
控制方式:调节控制或开关控制
密封形式:软密封
连接方式:双由令连接 / 法兰式
阀体材质:聚氯乙烯(PVC、CPVC)
阀芯材质:聚氯乙烯(PVC
阀轴材质:聚氯乙烯(PVC)
密封圈材质:乙烯丙烯橡胶(EPDM)
防护等级:IP67
制造标准:API 6D
法兰标准:ANSI B16.5
JIS B2239
检验标准:API 598
结构长度标准:GB/T 12221-2005
主要参数
| 公称通径 | DN15~DN100 |
| 工作电源 | AC110V, AC220V,AC380V, DC24V |
| 介质温度 | -15℃-60℃(无冻结) |
| 环境温度 | -30℃-60℃ |
| 公称压力 | PN0.1~1.6MPa |
| 控制方式 | 调节或开关控制 |
| 气动作用方式 | 单作用(带弹簧复位)或双作用 |
| 适用介质 | 水、空气、油类、腐蚀性化学液体 |
| 连接方式 | 法兰连接,双由令连接 |
| 密封形式 | 软密封 |
| 轴 | 聚氯乙烯PVC |
| O形环O-RING | 乙烯丙烯橡胶EPDM |
| 环形螺母Ring nut | 聚氯乙烯PVC |
| 阀体 | 聚氯乙烯PVC、CPVC |
| 端部END | 聚氯乙烯PVC |
| O形环O-RING | 乙烯丙烯橡胶EPDM |
| 球体密封圈 | 聚四氟乙烯PTFE |
| 球芯 | 聚氯乙烯PVC、CPVC |
| O形环 | 乙烯丙烯橡胶EPDM |
| 球芯密封支架 | 聚氯乙烯PVC |
| 环 | 聚氯乙烯PVC、CPVC |
| 防护等级 | IP67 |
| 安装方式 | 任意角度安装(为延长寿命最好水平或倾斜安装) |
| 设计与制造标准 | API 6D |
| 法兰标准 | ANSI B16.5 JIS B2239 |
| 结构长度标准 | GB/T 12221-2005 |
| 检验标准 | API 598 |
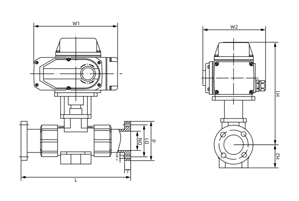
安装尺寸
1、法兰式塑胶防腐电动球阀安装尺寸

| SIZE Nom. | DN15 1/2〃 | DN20 3/4〃 | DN25 1〃 | DN32 1-1/4〃 | DN40 1-1/2〃 | DN50 2〃 | DN65 2-1/2〃 | DN80 3〃 | DN100 4〃 | |
| JIS | D | 95 | 100 | 125 | 135 | 140 | 155 | 175 | 185 | 210 |
| D1 | 70 | 75 | 90 | 100 | 105 | 120 | 140 | 150 | 175 | |
| L | 143 | 172 | 187 | 190 | 212 | 234 | 259 | 304 | 372 | |
| N-φd | 4-φ15 | 4-φ15 | 4-φ19 | 4-φ19 | 4-φ19 | 4-φ19 | 4-φ19 | 8-φ19 | 4-φ19 | |
| ANSI | D | 89 | 98 | 108 | 117 | 127 | 152 | 178 | 191 | 229 |
| D1 | 61 | 70 | 79 | 89 | 99 | 121 | 140 | 152 | 191 | |
| L | 143 | 172 | 187 | 190 | 212 | 234 | 259 | 304 | 372 | |
| N-φd | 4-φ16 | 4-φ16 | 4-φ16 | 4-φ16 | 4-φ16 | 4-φ19 | 4-φ19 | 4-φ19 | 8-φ19 | |
| DIN | D | 95 | 105 | 115 | 140 | 150 | 165 | 185 | 200 | 220 |
| D1 | 65 | 75 | 85 | 100 | 110 | 125 | 145 | 163 | 180 | |
| L | 130 | 150 | 160 | 180 | 200 | 230 | 290 | 310 | 350 | |
| N-φd | 4-φ14 | 4-φ14 | 4-φ14 | 4-φ18 | 4-φ18 | 4-φ18 | 4-φ18 | 8-φ18 | 8-φ18 | |
| T | 13 | 14 | 14 | 16 | 16 | 16 | 18 | 18 | 18 | |
| W1 | 166.5 | 166.5 | 166.5 | 166.5 | 166.5 | 196 | 255 | 255 | 255 | |
| W2 | 138 | 138 | 138 | 138 | 138 | 145 | 182 | 182 | 182 | |
| H1 | 153 | 164 | 173 | 183 | 195 | 234 | 242 | 278 | 326 | |
| H2 | 20.5 | 26 | 33 | 38 | 42 | 53 | ||||
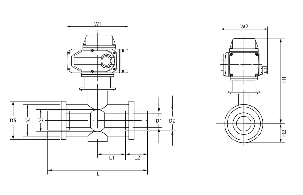
2、双由令塑胶防腐电动球阀安装尺寸

| 通径 (DN) | L1 | L2 | L | D1 | D2 | D3 | D4 | D5 | H1 | H2 | W1 | W2 |
| 15 | 37 | 23 | 120 | 13 | 20 | 22 | 31 | 45 | 223.5 | 29.5 | 196 | 145 |
| 20 | 39 | 25 | 128 | 18 | 25 | 26 | 36 | 55 | 225.5 | 33.5 | 196 | 145 |
| 25 | 44 | 28 | 144 | 23 | 32 | 32 | 47 | 66 | 232 | 39 | 196 | 145 |
| .32 | 47 | 32 | 158 | 30 | 40 | 38 | 56 | 82 | 239 | 47 | 196 | 145 |
| 40 | 54 | 37 | 182 | 38 | 50 | 48 | 65 | 98 | 255 | 54 | 196 | 145 |
| 50 | 63 | 42 | 210 | 49 | 63 | 60 | 80 | 120 | 264 | 65 | 196 | 145 |
| 65 | 78 | 45 | 246 | 64 | 75 | 76 | 94 | 140 | 334 | 82 | 255 | 182 |
| 80 | 90 | 55 | 290 | 77 | 90 | 89 | 110 | 160 | 347 | 96 | 255 | 182 |
| 100 | 106 | 65 | 342 | 98 | 110 | 114 | 134 | 225 | 374 | 114 | 255 | 182 |
电路图

S型

MS型

PIU型

CPT型

PCU型

G型

SP型











