在工程项目中,我们时常碰到阀门需要更换执行器,在更换执行器过程中,往往会碰到法兰平台不一致导致阀门和执行器连接不上,或者轴套尺寸偏差较大导致执行器或者阀门连接不上。那么,阀门和执行器连接需要知道哪些参数呢?让我们来一起看看。
首先,我们要知道阀体是什么平台,测绘出阀体平台安装孔的中心距D(根据ISO5211标准,一般为标准值)和孔的直径d,选配支架连接阀体的平台和孔就可以定了;
| 平台 | F03 | F05 | F07 | F10 | F12 | F14 | F16 |
| D | φ36 | φ50 | φ70 | φ102 | φ125 | φ140 | φ165 |
ISO5211平台尺寸参考
第二、我们要知道阀杆的尺寸。阀杆的长a,宽b,阀杆顶部到阀杆中心圆平面的高度H,阀杆中心圆平面到法兰平面高度h(若二者相平,则h=0)选配轴套与阀杆连接的尺寸就可以定了(轴套深度H1≥H+h+2)。阀门关闭时阀杆是矩形还是菱形(相对阀体平台)
还需知道平台中心孔直径A,可以定出选配轴套的直径A0<A.
| 阀门连接执行器连接尺寸测绘 | |||
| 序号 | 所需尺寸 | 测量数据 | |
| 1 | 阀体平台安装孔的中心距D | ||
| 2 | 阀体平台安装孔直径d | ||
| 3 | 阀杆尺寸 | 长a | |
| 宽b | |||
| 阀杆顶部到阀杆中心圆平面的高度H | |||
| 4 | 阀杆中心圆平面到法兰平面高度h | ||
| 5 | 平台中心孔直径A | ||
| 6 | 阀门关闭时阀杆四方相对法兰平台为矩形还是菱形 | ||
第三,我们要知道阀体的启动力矩和控制方式,选配合适的执行器。
执行器额定输出扭矩=1.3(安全系数)x阀门带压测试启动力矩
根据执行器样本手册上尺寸,可以定出选配支架连接执行器的平台和孔的尺寸和选配轴套与执行器连接的尺寸。
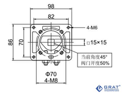
100NM标准式执行器安装尺寸图(F07平台),出力轴尺寸15*15,高度H’=15,所配轴套深度H2≥H’+2=17(一般大2-3mm即可)
200/400/600NM标准式执行器安装尺寸图(F10平台),出力轴尺寸23*23,高度H’=23,所配轴套深度H2≥H’+2=25(一般大2-3mm即可)
第四,确定所配轴套的高度H0≥H1+H2, 选配轴套的直径A0<A;
确定所配支架的高度H0’=H0-h。







