
特点
- 可分为对分二片式和三片式两种结构型式,流体阻力小,启闭速度快,结构简单。
- 具有优良的耐化学腐蚀性能管壁平洁光滑,输送流体时具有较小的摩擦阻力和附着力。优异的耐老化和抗紫外线性能,使正常使用寿命比其它管道系统均有很大的延长。
- 衬氟电动球阀的多种阀芯结构(V型,O型)轻松实现两位切断、调节的场合。阀与执行机构的连接采用直连方式,电动执行机构内置伺服系统,无须另配伺服放大器,输入4-20mA信号220VAC电源即可控制运转。具有连线简单,结构紧凑、阻力小、动作稳定可靠等优点。


主要参数
| 工作电源 | AC110V,AC220V,AC380V,DC24V |
| 公称通径 | DN15-100 更大口径请联系 |
| 介质温度 | -15℃~+120℃(无冻结) |
| 工作压力 | PN1.0~1.6(MPa) |
| 控制方式 | 调节或开关控制 |
| 连接方式 | 法兰连接 |
| 适用介质 | 酸、碱、盐、氯气、蒸气、源水、矿浆纸浆、王水、氧化剂、还原剂、腐蚀性化学液体(不能疏导氧气、氢气、天然气、煤气等可燃、助燃气体) |
| 阀体材质 | WCB,ZG1CrM0,ZG,1Cr18Ni9Ti,SS304、SS316 |
| 阀盖材质 | WCB,ZG1CrM0,ZG,1Cr18Ni9Ti |
| 填料函材质 | WCB,40Cr,ZG,1Cr18Ni9Ti |
| 填料压盖材质 | WCB,ZG1CrM0,ZG,1Cr18Ni9Ti |
| 阀座材质 | 全氟共聚物FEP |
| 填料 | 全氟共聚物FEP |
| 设计与制造标准 | GB12237-2007 API 6D |
| 法兰标准 | JB79—2015、GB/T 9124.1-2019、GB/T 9124.2-2019、ANSI B16.5 JIS B2212 |
| 结构长度 | GB12221-2005 |
| 检验标准 | API 598 |
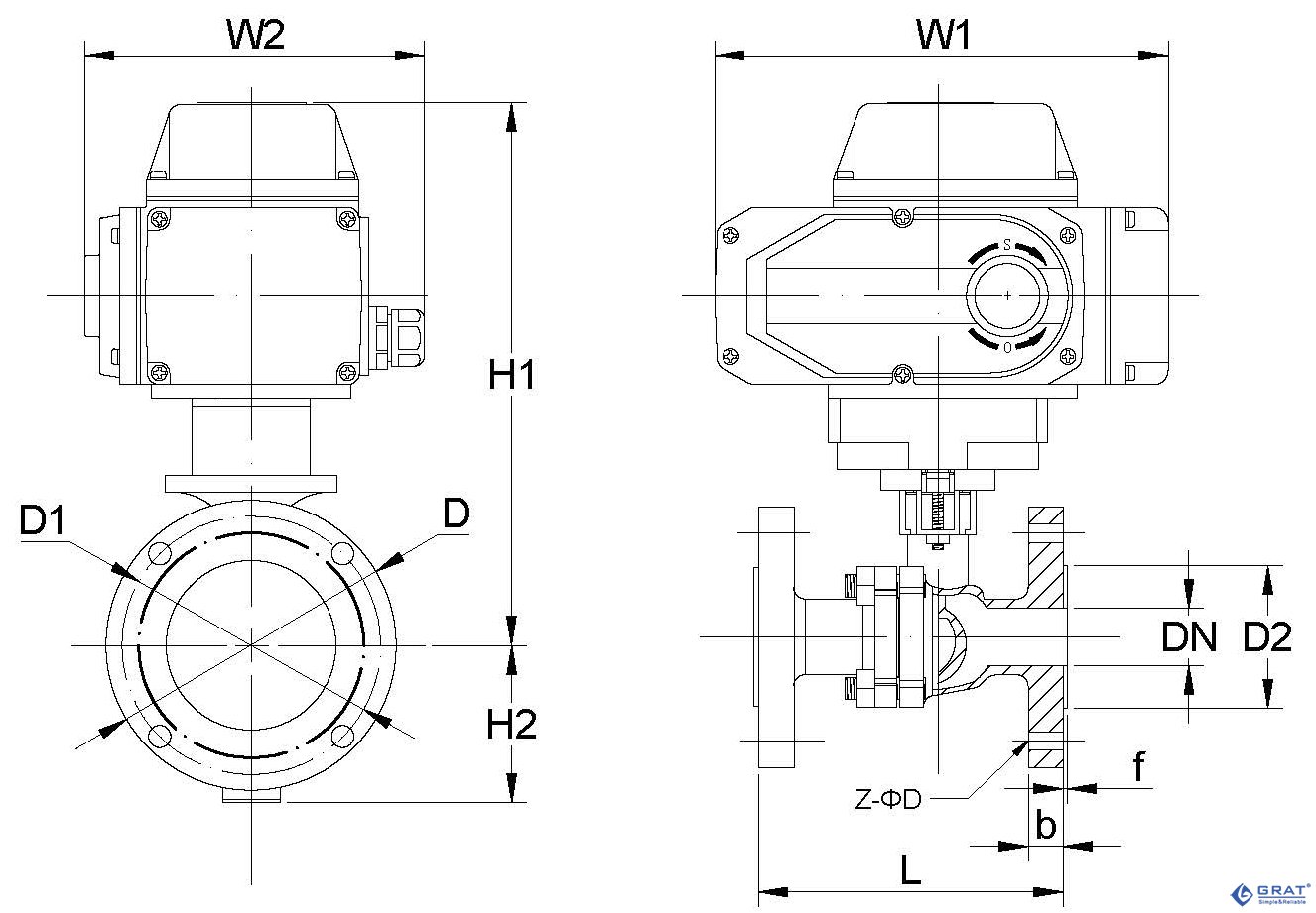
尺寸图

设计标准:HG/T 20592
法兰标准:HG/T20592 单位:(mm)
| 通径 (DN) | L | D | D1 | D2 | b | f | Z-ΦD | H1 | H2 | W1 | W2 |
| 15 | 130 | 95 | 65 | 45 | 16 | 2.5 | 4-Φ14 | 216 | 47.5 | 196 | 145 |
| 20 | 140 | 105 | 75 | 55 | 18 | 2.5 | 4-Φ14 | 231 | 52.5 | 196 | 145 |
| 25 | 150 | 115 | 85 | 65 | 19 | 3 | 4-Φ14 | 236 | 57.5 | 196 | 145 |
| 32 | 165 | 140 | 100 | 78 | 19 | 3 | 4-Φ18 | 256 | 70 | 196 | 145 |
| 40 | 180 | 150 | 110 | 85 | 19 | 3.5 | 4-Φ18 | 261 | 75 | 196 | 145 |
| 50 | 200 | 165 | 125 | 100 | 19 | 3.5 | 4-Φ18 | 271 | 82.5 | 196 | 145 |
| 65 | 220 | 185 | 145 | 120 | 19 | 3.5 | 4-Φ18 | 303 | 92.5 | 255 | 182 |
| 80 | 260 | 200 | 160 | 135 | 20 | 3.5 | 8-Φ18 | 358 | 100 | 255 | 182 |
| 100 | 280 | 220 | 180 | 155 | 21 | 4 | 8-Φ18 | 383 | 110 | 255 | 182 |
电路图

S型

MS型

PIU型

CPT型

PCU型

G型

SP型












