
公称通径:DN15-DN350(更大通径请联系我司咨询详情)
公称压力:PN1.6~6.4兆帕
工作电源:交流110V、交流220V、交流380V、直流24V
介质温度:≤450℃
环境温度:-30~60℃
控制方式:调节控制或开关控制
动作时间:15~120秒(0-90°)可选
死区:0.3%~3.0% 可调
连接方式:对夹连接、法兰连接
阀座类型:不锈钢活动硬密封
阀体材质:碳素钢铸件(WCB)、SS304不锈钢、SS316不锈钢、SS316L不锈钢
阀座材质:SS304不锈钢、SS316不锈钢、SS316L不锈钢
阀芯材质:SS304不锈钢、SS316不锈钢、SS316L不锈钢
Ex db ⅡC T6 Gb
防爆+增安型复合型隔爆外壳
防爆类型
隔爆型(d)+增安型(b)
气体组别
ⅡC级(氢气、乙炔等)
温度组别
T6级(≤85°C)
防爆类型
Gb级(1区、2区适用)
设计与制造:GB/T 12237-2007
法兰标准:- GB/T 9124.1-2019,- GB/T 9124.2-2019,- GB17241.6-2008
端到端尺寸:GB12221-2005
检验标准:GB/T 13927-2008
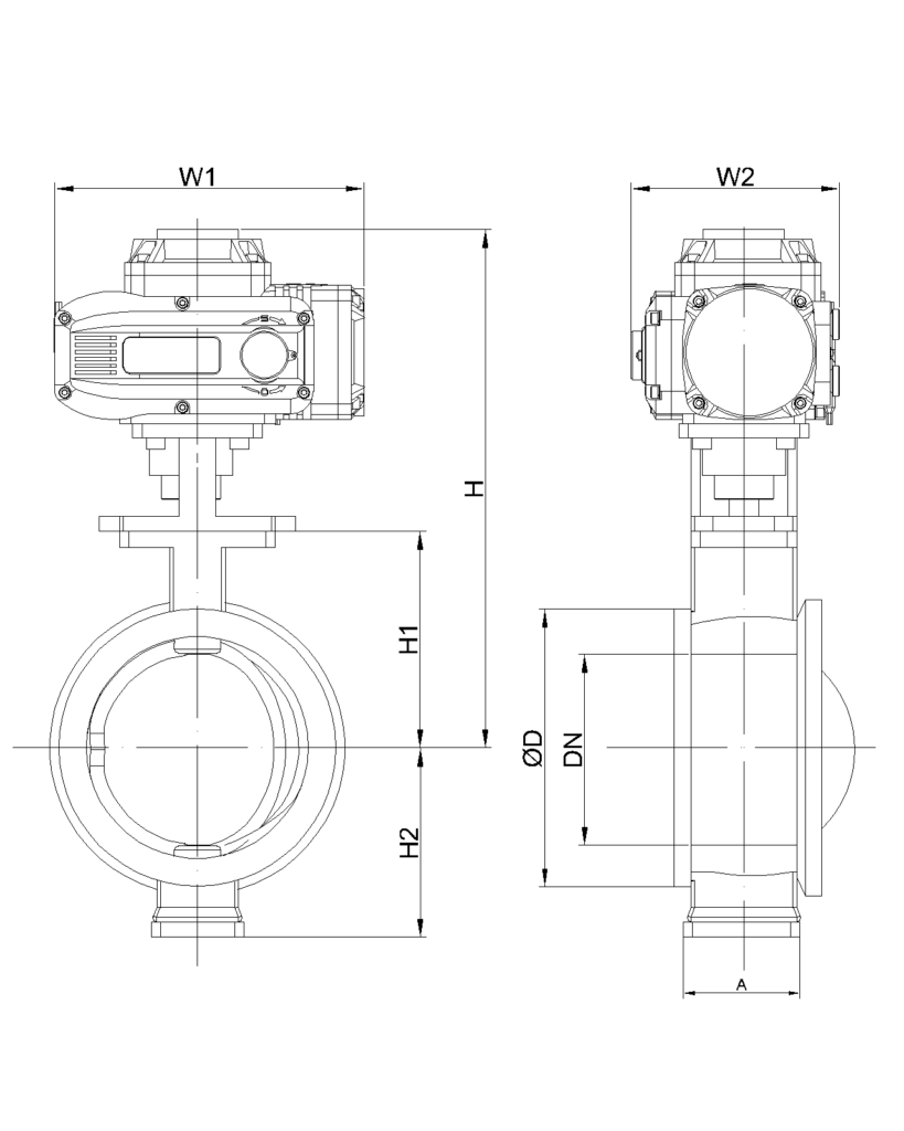
防爆电动硬密封球阀的安装尺寸

| 通径 DN | L | D | K | D1 | n-Φd | b | i | H | W1 | W2 | |
| mm | in | ||||||||||
| 15 | 1/2″ | 130 | 95 | 65 | 45 | 4-Φ14 | 14 | 2 | 220 | 204 | 141 |
| 20 | 3/4″ | 130 | 105 | 75 | 55 | 4-Φ14 | 16 | 2 | 222 | 204 | 141 |
| 25 | 1″ | 142 | 113 | 85 | 65 | 4-Φ14 | 18 | 2 | 230 | 204 | 141 |
| 32 | 1-1/4″ | 165 | 140 | 100 | 78 | 4-Φ18 | 18 | 2 | 244 | 204 | 141 |
| 40 | 1-1/2″ | 165 | 150 | 110 | 85 | 4-Φ18 | 18 | 2 | 245 | 204 | 141 |
| 50 | 2″ | 203 | 165 | 125 | 100 | 4-Φ18 | 20 | 2 | 294 | 252 | 163 |
| 65 | 2-1/2″ | 222 | 185 | 145 | 120 | 8-Φ18 | 20 | 2 | 340 | 252 | 163 |
| 80 | 3″ | 241 | 200 | 160 | 135 | 8-Φ18 | 21 | 2 | 360 | 293 | 184 |
| 100 | 4″ | 305 | 220 | 180 | 155 | 8-Φ18 | 22 | 2 | 379 | 293 | 184 |
| 125 | 5″ | 356 | 250 | 210 | 184 | 8-Φ18 | 22 | 3 | 432 | 293 | 184 |
| 150 | 6″ | 394 | 285 | 240 | 210 | 8-Φ23 | 24 | 3 | 442 | 293 | 184 |
| 200 | 8″ | 457 | 340 | 295 | 265 | 12-Φ23 | 26 | 3 | 507 | 293 | 184 |
电路图

S型

MS型

PIU型

CPT型

PCU型

G型

SP型











