
核心优势
- 低功耗高效率:其功耗仅需 10 瓦,在节省能源成本的同时,还能高效稳定地工作。
- 平稳调速:采用 PWM 无级调速,确保执行器运行过程稳定,并提供更可靠的控制。
- 高性能电机:内置带过载保护的无刷电机,运行稳定可靠,使用寿命长。
- 实时参数显示:通过 OLED 屏实时实时显示中英文状态及参数信息,在使用过程中提供更及时的反馈及故障报警信息。
- 精准控制:调节范围广(30% 至 100%),控制精度达 0.5%,可精准满足不同场景的控制需求。
- 多种反馈方式:支持 4-20mA/0-10V/1-5V 反馈方式,保障控制精度。
公称通径(DN):DN40~DN65
工作电压:交流220V、直流24V
介质温度:-20~120℃
环境温度:-30℃~60℃
公称压力:0.1~2.5MPa
动作时间:15秒~25秒
控制方式:调节控制或开关控制
密封形式:软密封
连接方式:对夹式 / 法兰式
密封类型:软密封
阀体材质:碳钢铸件(WCB)、球墨铸铁(QT450-10)、灰铸铁(HT200、HT250)、不锈钢(SUS304、SUS316)
阀板材质:碳钢铸件(WCB)、球墨铸铁(QT450-10)、灰铸铁(HT200、HT250)、不锈钢(SUS304、SUS316)
阀轴材质:2Cr13不锈钢
密封圈材质:丁腈耐油橡胶、三元乙丙橡胶(EPDM)、聚四氟乙烯(PTFE)、聚苯硫醚(PPL)等
阀杆密封:丁腈橡胶(NBR)、氢化丁腈橡胶(HNBR)
填料材质:柔性石墨
防护等级:IP66
制造标准:GB/T 12238-2008
法兰标准:GB/T 9124.1-2019,GB/T 9124.2-2019,GB/T 17241.6-2008
检验标准:GB/T 13927-2022
结构长度标准:GB/T 12221-2005
壳体试验:1.76MPa
密封试验:2.4MPa
主要参数
| 公称通径 | DN40~DN65 | |
| 工作电源 | AC220V,DC24V | |
| 介质温度 | -20~120℃ | |
| 环境温度 | -30℃-60℃ | |
| 公称压力 | 0.1~2.5MPa | |
| 动作时间 | 15S~25S | |
| 适用介质 | 水,油品,气体、腐蚀性介质等 | |
| 控制方式 | 调节或开关控制 | |
| 气动作用方式 | 单作用(带弹簧复位)或双作用 | |
| 连接方式 | 对夹式/法兰式 | |
| 密封形式 | 软密封 | |
| 试验压力 | 壳体实验 | 1.76MPa |
| 密封试验 | 2.4MPa | |
| 阀体材质 | WCB、QT450-10、HT200、HT250、SUS304、SUS316 | |
| 阀板材质 | WCB、QT450-10、HT200、HT250、SUS304、SUS316 | |
| 转轴材质 | 2Cr13 | |
| 密封圈材质 | 丁腈耐油橡胶、EPDM、PTFE、PPL等 | |
| 阀杆密封 | NBR、HNBR | |
| 填料材质 | 柔性石墨 | |
| 防护等级 | IP66 | |
| 制造标准 | GB/T 12238-2008 | |
| 法兰标准 | GB/T 9124.1-2019 GB/T 9124.2-2019 GB/T 17241.6-2008 | |
| 结构长度标准 | GB/T 12221-2005 | |
| 检验标准 | GB/T 13927-2022 | |
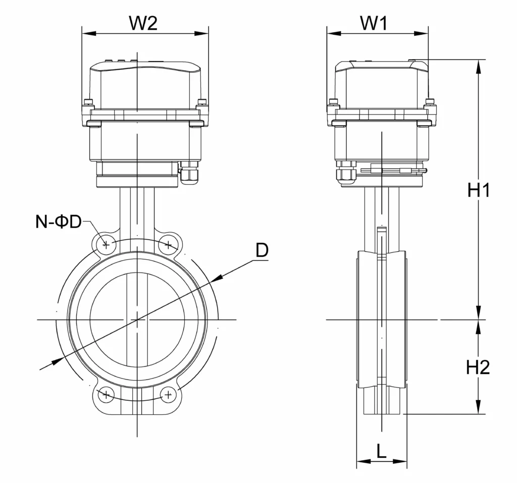
安装尺寸

| 通径 DN(mm) | L | D | N-φD | H2 | H1 | W1 | W2 |
| 40 | 33 | 125 | 4-Φ18 | 48 | 197 | 94 | 109 |
| 50 | 42.6 | 125 | 4-Φ18 | 70 | 285 | 94 | 109 |
| 65 | 45.6 | 145 | 4-φ18 | 76 | 298 | 94 | 109 |
电路图












