特点
- 低功耗高效率:其功耗仅需 10 瓦,在节省能源成本的同时,还能高效稳定地工作。
- 平稳调速:采用 PWM 无级调速,确保执行器运行过程稳定,并提供更可靠的控制。
- 高性能电机:内置带过载保护的无刷电机,运行稳定可靠,使用寿命长。
- 实时参数显示:通过 OLED 屏实时实时显示中英文状态及参数信息,在使用过程中提供更及时的反馈及故障报警信息。
- 精准控制:调节范围广(30% 至 100%),控制精度达 0.5%,可精准满足不同场景的控制需求。
- 多种反馈方式:支持 4-20mA/0-10V/1-5V 反馈方式,保障控制精度。
公称通径(DN):DN15~40
工作电压:交流220V、直流24V
介质温度:-20~120℃
环境温度:-30℃~60℃
公称压力:0.1~1.6MPa
控制方式:调节控制或开关控制
泄漏等级:符合 ANSI B16.104 五级标准
连接方式:对夹式 / 法兰式
阀体材质:A105碳钢、F304不锈钢、F316不锈钢、WCB碳素钢铸件、FZG1Cr18Ni9Ti不锈钢、ZG1Cr18Ni12Mo2Ti不锈钢、CF8不锈钢、CF8M不锈钢、CF3M不锈钢
阀轴材质:聚四氟乙烯(PTFE,常温用),特殊增强聚四氟乙烯(PPL,高温用),金属密封(高温用)
密封类型:弹性密封、耐高温聚苯硫醚(PPS)密封、硬质合金密封、工业陶瓷密封
防护等级:IP66
制造标准:GB12237-2007,API 6D
法兰标准:JB/T 79-2015,GB/T 9124.1-2019,GB/T 9124.2-2019,ANSI B16.5,JIS B2239
检验标准:API 598
结构长度标准:GB/T 12221-2005
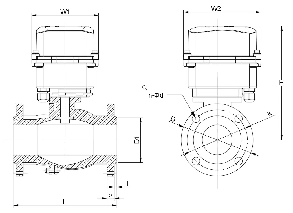
物联网法兰球阀的安装尺寸

| 通径(DN) | L | D | K | D1 | n-Φd | b | i | H | W1 | W2 | |
| mm | in | ||||||||||
| 15 | 1/2″ | 130 | 95 | 65 | 45 | 4-Φ14 | 14 | 2 | 136.5 | 68.5 | 88.5 |
| 20 | 3/4″ | 130 | 105 | 75 | 55 | 4-Φ14 | 16 | 2 | 138.5 | 68.5 | 88.5 |
| 25 | 1″ | 142 | 113 | 85 | 65 | 4-Φ14 | 18 | 2 | 160.5 | 98 | 108 |
| 32 | 1 1/4″ | 165 | 140 | 100 | 78 | 4-Φ18 | 18 | 2 | 175 | 93 | 108 |
| 40 | 1 1/2″ | 165 | 150 | 110 | 85 | 4-Φ18 | 18 | 2 | 176 | 93 | 108 |
电路图












