
特点
- 低功耗高效率:其功耗仅需 10 瓦,在节省能源成本的同时,还能高效稳定地工作。
- 平稳调速:采用 PWM 无级调速,确保执行器运行过程稳定,并提供更可靠的控制。
- 高性能电机:内置带过载保护的无刷电机,运行稳定可靠,使用寿命长。
- 实时参数显示:通过 OLED 屏实时实时显示中英文状态及参数信息,在使用过程中提供更及时的反馈及故障报警信息。
- 精准控制:调节范围广(30% 至 100%),控制精度达 0.5%,可精准满足不同场景的控制需求。
- 多种反馈方式:支持 4-20mA/0-10V/1-5V 反馈方式,保障控制精度。
公称通径(DN):DN15~40
工作电压:交流220V、直流24V
介质温度:-20~120℃
环境温度:-30℃~60℃
公称压力:0.1~1.6MPa
动作时间:15秒~25秒
控制方式:开关量控制
连接方式:内螺纹连接 / 法兰连接
密封形式:软密封
阀体材质:SUS304、SUS316、WCB(碳钢)
阀芯材质:SUS304、SUS316
密封材质:三元乙丙橡胶(EPDM)、聚四氟乙烯(PTFE)
防护等级:IP66
制造标准:GB12237-2007(等同于ISO 12237),API 6D
法兰标准:GB/T 9124.1-2019,GB/T 9124.2-2019,GB/T 17241.6-2008
检验标准:API 598
结构长度标准:GB12221-2005(等同于ISO 5752)
电动三通球阀分为 L 型流道和 T 型流道两种。

T 型流道采用四面阀座设计,受力平衡且密封可靠,主要用于分流、混合、换向及三通道全通场景。
L 型流道端面阀座:主要用于流道换向。
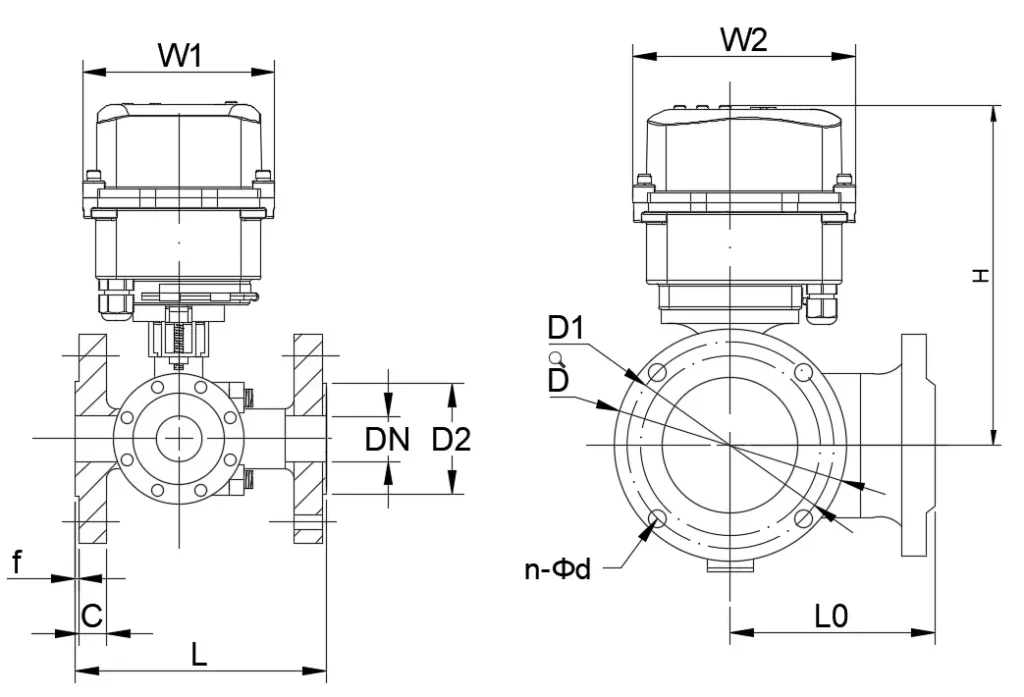
物联网微型电动法兰三通球阀安装尺寸

| 通径 DN(mm) | L | L0 | D2 | C | f | D | D1 | H | n-Φd | W1 | W2 |
|---|---|---|---|---|---|---|---|---|---|---|---|
| 15 | 150 | 75 | 45 | 14 | 2 | 95 | 65 | 143.5 | 4-Φ14 | 68.5 | 88.5 |
| 20 | 160 | 80 | 55 | 14 | 2 | 105 | 75 | 162 | 4-Φ14 | 93 | 108 |
| 25 | 180 | 90 | 65 | 14 | 2 | 115 | 85 | 178 | 4-Φ14 | 93 | 108 |
| 32 | 200 | 100 | 78 | 16 | 2 | 135 | 100 | 187 | 4-Φ18 | 93 | 108 |
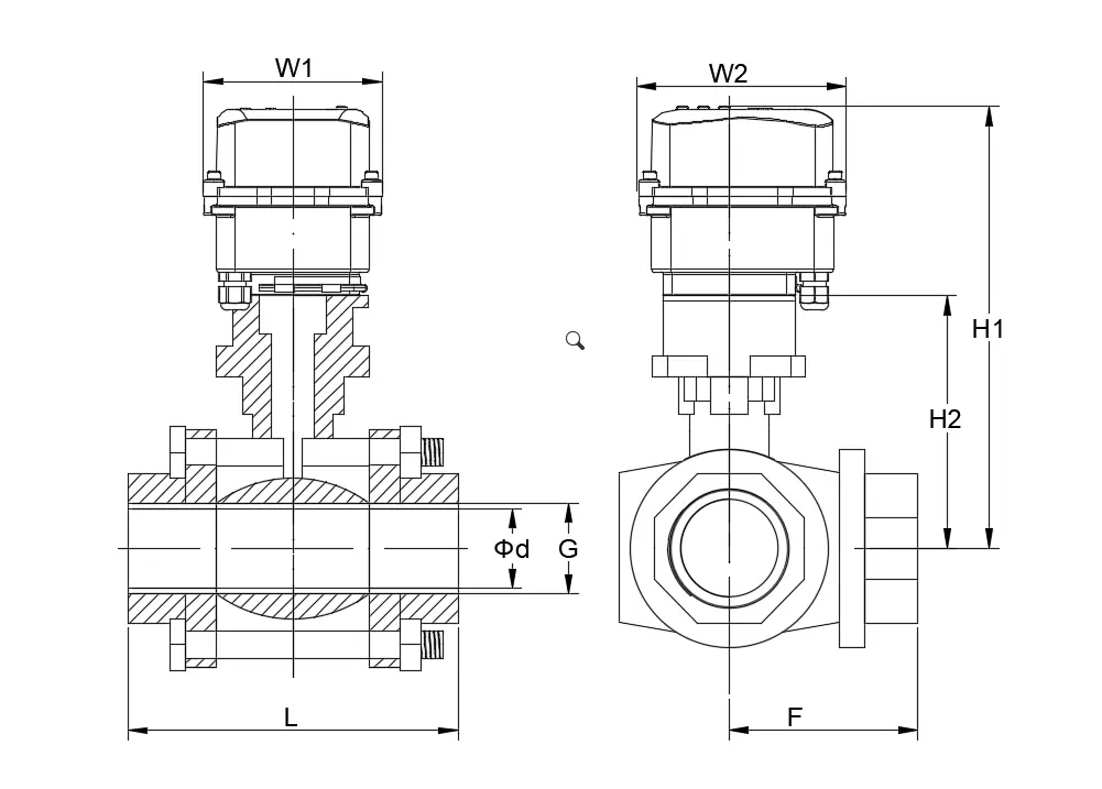
物联网微型电动内螺纹三通球阀安装尺寸

| 通径 DN(mm) | L | G | Φd | F | H1 | H2 | W1 | W2 |
|---|---|---|---|---|---|---|---|---|
| 12 | 70 | 螺纹标准 NPT BSP DIN etc | 12 | 40 | 123.5 | 38 | 68.5 | 88.5 |
| 15 | 83 | 15 | 42 | 125.5 | 40 | 68.5 | 88.5 | |
| 18 | 89 | 18 | 54 | 150 | 50 | 93 | 108 | |
| 25 | 116 | 25 | 60 | 159 | 59 | 93 | 108 | |
| 32 | 134 | 32 | 68 | 170 | 70 | 93 | 108 |
电路图











