
特点

①阀体采用一体式结构,实现了超短法兰距,整体重要大大降低了,约为同类普通球阀的50%左右。
②双面球形密封功能,可达到零泄漏标准等级。
③球芯通道形状有矩形、V形及O形备选。
④单作用气动活塞执行机构,防止中途气源断掉弹簧复位功能自动复位关闭阀门。
★阀座密封性能好,采用聚四氟乙烯等材料支撑的密封圈,结构易于密封,而且球阀的阀封能力随着介质压力的增大而增大。
★阀杆密封可靠,由于阀杆只做旋转运动而不做升降运动,阀杆的填料密封不易破坏,且密封性能随着介质的压力增大而增大。
★阀座采用聚四氟乙烯等弹性材料制成的密封圈,由于聚四氟乙烯等材料具有良好的自润滑性,与球体的摩擦损失小,有效延长产品使用寿命。
★下装式的阀杆头部凸阶防止阀杆喷出,如火灾造成阀杆密封破坏,凸阶与阀杆间还可形成金属接触,确保阀杆密封。
★流体阻力小、球阀是所有阀类中流体阻力最小的一种、即使是缩径球阀、其流体阻力也相当的小。
★适合于管道压差大,密封要求严格的开关和切断管道介质的工艺场。
★与相同规格的闸阀、截止阀比较、球阀体积小、重量轻,便于管道安装。
★气动活塞执行机构分有弹簧式和无弹簧式两种。故障下要求阀全开或关闭时配有弹簧式(靠弹簧的恢复张力复位),故障下要求保位时,配无弹簧式。它主要由缸体、弹簧、活塞、活塞杆、前后缸盖、齿条、输出轴等零部件组成。对两位开关阀,需配电磁阀以及行程开关等附件。接收工业自动化控制系统的开关量信号来精确控制阀门开关,从而达到流量、温度、压力等不同工艺参数的开关控制。
公称通径(DN):DN15~DN200
工作电压:交流110V、220V、380V,直流24V
介质温度:-20℃ 至+350℃ (+200℃ 特殊密封)
环境温度:-30℃~60℃
公称压力:1.6~6.4兆帕
动作时间:15秒~25秒
控制方式:调节控制或开关控制
密封形式:软密封
连接方式:法兰式
阀体材质:碳钢铸件(WCB)、不锈钢(SUS304、SUS316)
阀芯材质:不锈钢(SUS304、SUS316)
密封圈材质:聚四氟乙烯(PTFE)、聚苯硫醚(PPL)
填料材质:柔性石墨
防护等级:IP67
制造标准:GB12237-2021 API 6D
法兰标准:JB/T 79-2015
GB/T 9124.1-2019
GB/T 9124.2-2019
ANSI B16.5 JIS B2239
检验标准:API 598
结构长度标准:GB/T 12221-2005
主要参数
| 工作电源 | AC110VAC220V,AC380VDC24V |
| 公称通径 | DN15-200 |
| 介质温度 | -20℃ 至+350℃ (+200℃ 特殊密封) |
| 工作压力 | PN16 PN25 PN40 PN64 |
| 控制方式 | 调节或开关控制 |
| 气动作用方式 | 单作用(带弹簧复位)或双作用 |
| 连接方式 | 法兰式 |
| 阀体材质 | WCB、SUS304、SUS316 |
| 阀芯材质 | SUS304、SUS316 |
| 阀座材料 | PTFE(常温)、特制PPL(高温) |
| 泄 漏 量 | 符合ANSIB16.104 5级标准 |
| 密封形式 | 弹性密封、耐高温对位聚苯 |
| 适用介质 | 水、石油、硝酸类、醋酸类、粘性流体、强氧化性介质等 |
| 防护等级 | IP67 |
| 设计与制造标准 | GB12237-2007 API 6D |
| 法兰标准 | JB/T 79-2015、GB/T 9124.1-2019、GB/T 9124.2-2019、ANSI B16.5 JIS B2239 |
| 结构长度 | GB12221-2005 |
| 检验标准 | API 598 |
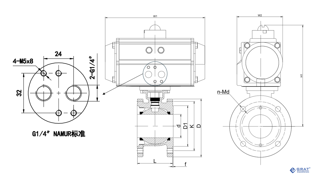
尺寸图
1、气动超短开关球阀法兰式安装尺寸图。
| 通径DN | d | D1 | K | D | n-Md | f | L | 双作用 | 单作用 | |||||
| mm | in | H1 | W1 | W2 | H1 | W1 | W2 | |||||||
| DN15 | 1/2〃 | 15 | 45 | 65 | 95 | 4-M12 | 2 | 35 | 196 | 147 | 72 | 196 | 147 | 72 |
| DN20 | 3/4〃 | 19 | 55 | 75 | 105 | 4-M12 | 2 | 38 | 202 | 147 | 72 | 218 | 168 | 83 |
| DN25 | 1〃 | 25 | 65 | 85 | 115 | 4-M12 | 2 | 50 | 225 | 168 | 83 | 237 | 184 | 95 |
| DN32 | 1 1/4〃 | 28 | 76 | 100 | 140 | 4-M12 | 2 | 50 | 232 | 168 | 83 | 253 | 204 | 103 |
| DN40 | 1 1/2〃 | 38 | 83 | 110 | 148 | 4-M16 | 3 | 67 | 254 | 184 | 95 | 271 | 262 | 109 |
| DN50 | 2〃 | 49 | 102 | 125 | 156 | 4-M16 | 3 | 72 | 273 | 204 | 103 | 297 | 268 | 122 |
| DN65 | 2 1/2〃 | 64 | 120 | 145 | 185 | 4-M16 | 3 | 94 | 329 | 262 | 109 | 387 | 301 | 142 |
| DN80 | 3〃 | 73 | 143 | 160 | 200 | 8-M16 | 3 | 120 | 337 | 268 | 122 | 396 | 390 | 152 |
| DN100 | 4〃 | 90 | 168 | 180 | 220 | 8-M16 | 3 | 141 | 389 | 301 | 142 | 431 | 458 | 174 |
| DN125 | 5〃 | 110 | 185 | 210 | 245 | 8-M16 | 3 | 165 | 464 | 301 | 142 | 506 | 458 | 174 |
| DN150 | 6〃 | 145 | 208 | 240 | 277 | 8-M20 | 3 | 225 | 506 | 390 | 152 | 564 | 525 | 206 |
| DN200 | 8〃 | 195 | 265 | 395 | 335 | 12-M20 | 3 | 275 | 621 | 458 | 174 | 679 | 532 | 226 |
注:气动阀门根据不同的使用介质、阀门的扭矩及控制方法,其适配的执行器型号可能有所不同,相关尺寸有所变化。
开关型接线图

调节型接线图












