


核心优势
- 紧凑省空间:阀体与限位开关、电磁阀、过滤调压器高度集成,体积小巧,适用于设备密集、安装空间狭窄的场景,可优化现场布局。
- 安装更高效:工厂已完成预装与调试,现场仅需连接气源、信号线及工艺管道,减少了接线和配管工作量,降低了安装失误风险,缩短了调试周期。
- 运行稳定可靠:内部管路连接较少,漏气风险低;短管路设计减少气压损失,使阀门启闭响应更快。配备高防护等级外壳,可抵御粉尘、潮湿等恶劣工况。
- 操作与控制便捷:限位开关实时反馈阀位状态,电磁阀精准控制气路,过滤调压器稳定气源 —— 三者协同实现自动化开关控制与状态监控,降低人工干预成本。
耗气量
| 型号 | 切换容积(升 / 公升) | 核心专业译法:关闭方向容积(升 / 公升) |
|---|---|---|
| 50 | 0.11 | 0.15 |
| 65 | 0.22 | 0.24 |
| 75 | 0.3 | 0.35 |
| 85 | 0.45 | 0.48 |
| 95 | 0.5 | 0.55 |
| 110 | 0.7 | 0.7 |
| 125 | 1.6 | 1.6 |
| 140 | 2.3 | 2.1 |
| 160 | 3.5 | 3 |
| 190 | 5.9 | 5.9 |
| 210 | 7.6 | 7.5 |
| 240 | 11 | 9 |
| 270 | 17 | 14 |
| 300 | 23.5 | 28 |
| 350 | 34 | 40 |
| 400 | 58 | 58 |
耗气量取决于供气压力、切换行程、容积及操作次数,其计算公式如下:
升 / 分钟 =(切换容积 + 关闭方向容积)× [(供气压力(千帕)+ 101.3) / 101.3] × 每分钟操作次数
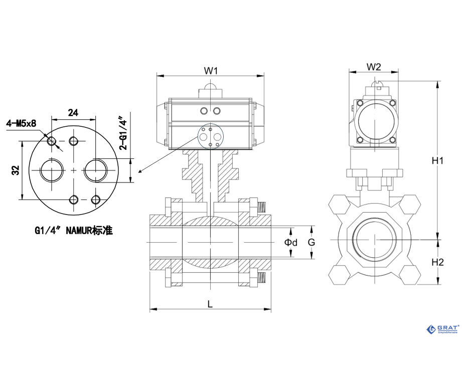
气体FRL集成球阀安装尺寸

| 通径 DN(mm) | L | G | Φd | H2 | 双作用 | 单作用 | ||||
| H1 | W1 | W2 | H1 | W1 | W2 | |||||
| 15 | 73 | 螺纹标准 NPT BSP DIN etc | 15 | 38 | 166 | 160 | 58 | 166 | 160 | 58 |
| 20 | 80 | 20 | 45 | 168 | 160 | 58 | 187 | 192 | 74 | |
| 25 | 90 | 25 | 55 | 197 | 192 | 74 | 208 | 218 | 85 | |
| 32 | 110 | 32 | 60 | 211 | 192 | 74 | 235 | 238 | 96 | |
| 40 | 120 | 38 | 75 | 231 | 218 | 85 | 254 | 272 | 107 | |
| 50 | 140 | 50 | 83 | 252 | 238 | 96 | 275 | 274 | 120 | |
| 65 | 185 | 64 | 96 | 289 | 272 | 107 | 337 | 335 | 135 | |
| 80 | 205 | 72 | 106 | 321 | 274 | 120 | 373 | 352 | 152 | |
| 100 | 240 | 100 | 118 | 375 | 335 | 135 | 414 | 422 | 174 | |
开关型接线图

调节型接线图









