
特点

- 材质卫生无毒,符合国家卫生标准。耐磨损、易拆卸、维护简单等特点,被应用于多个领域。
- 轻便UPVC材料的比重只有铸铁的 1/10,运输,安装简易,降低成本。
- 采用UPVC材料具有优良的抗酸碱性能,使用寿命比其它管道系统均有很大的延长。
- 耐化学腐蚀性能不能燃烧,也不助燃,没有消防顾虑。
- 极佳的强度和韧性,管壁平洁光滑,污垢不易附着在平滑管壁。阻力小,流率高。


主要参数
| 工作电源 | AC110VAC220V,AC380VDC24V |
| 公称通径 | DN50-400 |
| 介质温度 | -15℃-60℃(无冻结) |
| 公称压力 | 1.0Mpa |
| 控制方式 | 调节或开关控制 |
| 保护装置 | 过热保护 |
| 连接方式 | 对夹式 |
| 阀体材质 | UPVC |
| 密封材质 | PTFE、EPDM |
| 执行器材质 | 铸铝合金 |
| 适用介质 | 水、空气、油类、腐蚀性化学液体 |
| 防护等级 | IP67 |
| 安装方式 | 任意角度安装 (为延长寿命最好水平或垂直安装) |
| 设计与制造标准 | GB/T 12238-2008、API 6D |
| 结构长度 | GB/T 12221-2005 |
| 检验标准 | JB/T 9092-1999、API 598 |
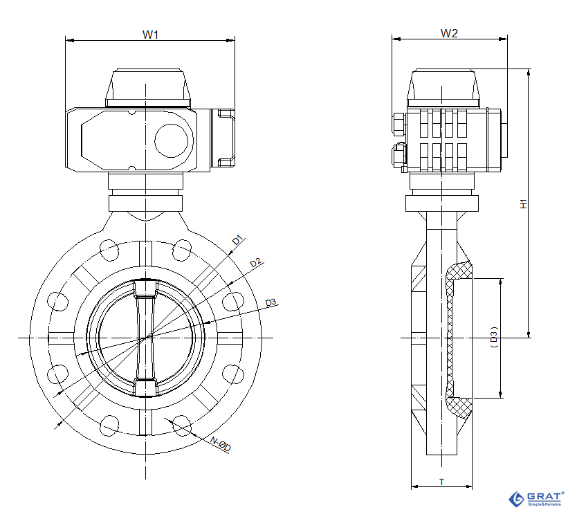
安装尺寸
1.UPVC电动蝶阀安装尺寸图表

| DN | D1 | D2 | D3 | T | N-ΦD | W1 | W2 | H1 |
| 50 | 160 | 125 | 51 | 42 | 4-Φ18 | 196 | 145 | 256 |
| 65 | 180 | 145 | 66 | 47 | 4-Φ18 | 196 | 145 | 270 |
| 80 | 200 | 160 | 79 | 45 | 8-Φ18 | 196 | 145 | 286 |
| 100 | 220 | 178 | 98.5 | 55 | 8-Φ18 | 196 | 145 | 306 |
| 125 | 254 | 210 | 125 | 65 | 8-Φ18 | 196 | 145 | 318 |
| 150 | 288 | 240 | 148 | 75 | 8-Φ22 | 196 | 145 | 334 |
| 200 | 340 | 295 | 201 | 85 | 8-Φ24 | 255 | 182 | 407 |
| 250 | 395 | 350 | 245.5 | 110 | 12-Φ24 | 255 | 182 | 442 |
| 300 | 440 | 400 | 291.5 | 115 | 12-Φ21 | 255 | 182 | 487 |
| 350 | 510 | 460 | 340 | 127 | 16-Φ21 | 255 | 182 | 509 |
| 400 | 570 | 515 | 399 | 140 | 16-Φ30 | 354 | 273 | 580 |
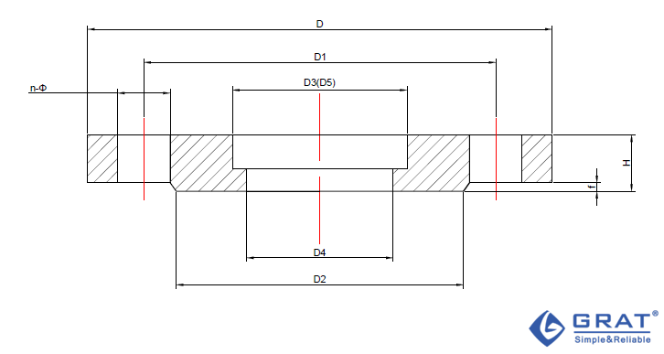
2.对夹式蝶阀适用法兰

| 规格(mm) | D | D1 | D2 | D3 | D4 | n-Φ | H | f | D5 | b |
| 50 | 165 | 125 | 59 | 52 | 52 | 4-Φ 18 | 20 | 3 | 62 | 8 |
| 65 | 185 | 145 | 122 | 75 | 67 | 4-Φ 18 | 20 | 3 | 78 | 8 |
| 80 | 200 | 160 | 133 | 91 | 82 | 8-Φ 18 | 20 | 3 | 91 | 8 |
| 100 | 220 | 180 | 158 | 110 | 102 | 8-Φ 18 | 22 | 3 | 116 | 8 |
| 125 | 250 | 210 | 184 | 135 | 127 | 8-Φ 18 | 22 | 3 | 142 | 8 |
| 150 | 285 | 240 | 212 | 161 | 152 | 8-Φ 22 | 24 | 3 | 170 | 10 |
| 200 | 340 | 295 | 268 | 221 | 208 | 12-Φ 22 | 26 | 3 | 221 | 10 |
| 250 | 405 | 355 | 320 | 275 | 255 | 12-Φ 26 | 29 | 3 | 275 | 10 |
| 300 | 460 | 410 | 370 | 327 | 308 | 12-Φ 26 | 32 | 4 | 326 | 14 |
| 350 | 520 | 470 | 430 | 379 | 355 | 16-Φ 26 | 34 | 4 | 358 | 14 |
| 400 | 580 | 525 | 482 | 429 | 405 | 16-Φ 30 | 36 | 4 | 409 | 14 |
电路图

S型

MS型

PIU型

CPT型

PCU型

G型

SP型










