
特点
三通球阀用于分流或汇合流通,是具有二面或四面阀座的多通 口球阀,任一通口可用作入口面无泄漏,三通既可L型通口也可T型 通口。

T型流道采用4面阀座,受力平衡,密封可靠,
主要用于分流、混流、换向以及三通道的完全开放。
L型流道采用2面阀座,主要用于流路的换向。


主要参数
| 公称通径 | DN15~100 |
| 工作电源 | AC110V,AC220V,AC380V,DC24V |
| 执行器扭矩/材质 | 铸铝合金 |
| 介质温度 | 0~120℃ |
| 环境温度 | -30℃-60℃ |
| 公称压力 | 0.1~6.4MPa |
| 控制方式 | 开关控制 |
| 气动作用方式 | 单作用(带弹簧复位)或双作用 |
| 动作时间 | 4-90秒 |
| 适用工况 | 空调、消防系统、水处理、管路吹扫、分析仪器、烟气采样等 |
| 连接方式 | 内螺纹连接,法兰 |
| 密封形式 | 软密封 |
| 阀体材质 | SUS304、SUS316,WCB |
| 阀芯材质 | SUS304、SUS316 |
| 密封圈材质 | EPDM、PTFE |
| 防护等级 | IP67 |
| 安装方式 | 任意角度安装(为延长寿命最好水平或倾斜安装) |
| 设计与制造标准 | GB12237-2021 API 6D |
| 法兰标准 | GB/T 9124.1-2019、GB/T 9124.2-2019、GB17241.6-2008 |
| 结构长度标准 | GB12221-2005 |
| 检验标准 | API 598 |
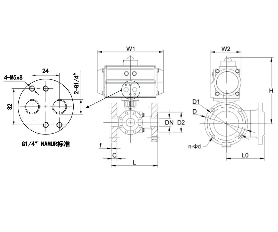
安装尺寸

| 通径(DN) | L | L0 | D2 | C | f | D | D1 | n-Φd | H(双作用) | W1(双作用) | W2(双作用) | H(单作用) | W1(单作用) | W2(单作用) |
| 15 | 150 | 75 | 45 | 14 | 2 | 95 | 65 | 4-Φ14 | 180 | 160 | 58 | 180 | 160 | 58 |
| 20 | 160 | 80 | 55 | 14 | 2 | 105 | 75 | 4-Φ14 | 194 | 160 | 58 | 213 | 192 | 74 |
| 25 | 180 | 90 | 65 | 14 | 2 | 115 | 85 | 4-Φ14 | 219 | 192 | 74 | 230 | 218 | 85 |
| 32 | 200 | 100 | 78 | 16 | 2 | 135 | 100 | 4-Φ18 | 228 | 192 | 74 | 252 | 238 | 96 |
| 40 | 220 | 110 | 85 | 16 | 3 | 145 | 110 | 4-Φ18 | 252 | 218 | 85 | 275 | 272 | 107 |
| 50 | 240 | 120 | 100 | 16 | 3 | 160 | 125 | 4-Φ18 | 271 | 238 | 96 | 294 | 274 | 120 |
| 65 | 260 | 130 | 120 | 16 | 3 | 180 | 145 | 4-Φ18 | 297 | 272 | 107 | 345 | 335 | 135 |
| 80 | 280 | 140 | 135 | 18 | 3 | 195 | 160 | 8-Φ18 | 334 | 274 | 120 | 386 | 352 | 152 |
| 100 | 320 | 160 | 155 | 20 | 3 | 215 | 180 | 8-Φ18 | 389 | 335 | 135 | 428 | 422 | 174 |
开关型接线图

调节型接线图











