角行程气动执行器
角行程气动执行器通过齿轮齿条、拨叉或叶片结构将气压转化为角位移。它分为双作用式与单作用式两种类型,具备扭矩范围…
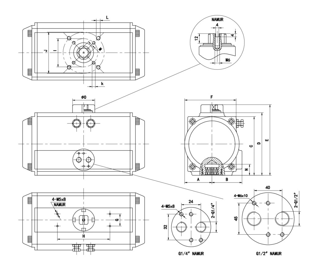
产品标签
气动执行器按控制方式可分为开关型与调节型两类
- 开关型气动执行器的工作逻辑为:电磁阀通电时,驱动阀门开启或关闭;电磁阀断电时,阀门则相应关闭或开启(同时提供防爆型可选)。
- 调节型气动执行器配备电气阀门定位器,可根据电流信号(标准为 4-20mA)的大小调节阀门的介质流量(同时提供防爆型可选)。
- 单作用气动执行器的两种常见类型为:常闭式(气开型,ATO)和常开式(气关型,ATC)。
- 双作用气动执行器:常闭式(气开型,ATO)、常开式(气关型,ATC)。
- 单作用气动执行器:常闭式(气开型,ATO)、常开式(气关型,ATC)。
单作用气缸
工作原理:单作用气缸具有弹簧复位功能。阀门初始状态为关闭(通常称为 “气开型”),通气时阀门开启;若气源中断,弹簧复位功能会自动将阀门复位至关闭状态。这类气缸通常用于输送腐蚀性液体介质或有害气体(即不可泄漏的介质)。
双作用气缸
工作原理:阀门的开启和关闭均需要气源驱动。这类气缸通常用于泄漏要求较低的场景。

| 型号 | A | B | C | D | E | F | G | H | I | J | K | L | M | N | Z | 0 | 气源接口 |
| AT52 | 30 | 41.5 | 65.5 | 72 | 92 | 65 | 30 | 80 | 036 | ∅50 | 4-M5x8 | 4-M6x10 | 11 | 14 | 147 | 40 | NAMUR G1/4″ |
| AT63 | 36 | 47 | 81 | 87.5 | 107.5 | 72 | 30 | 80 | ∅50 | ∅70 | 4-M6x10 | 4-M8x13 | 14 | 18 | 168 | 40 | NAMUR G1/4″ |
| AT75 | 42 | 53 | 94 | 99.5 | 119.5 | 81 | 30 | 80 | ∅50 | ∅70 | 4-M6x10 | 4-M8x13 | 14 | 18 | 184 | 40 | NAMUR G1/4″ |
| AT83 | 46 | 57 | 98.5 | 108.7 | 128.7 | 92 | 30 | 80 | ∅50 | ∅70 | 4-M6x10 | 4-M8x13 | 17 | 21 | 204 | 40 | NAMUR G1/4″ |
| AT92 | 50 | 58.5 | 111 | 116.5 | 136.5 | 98 | 30 | 80 | ∅50 | ∅70 | 4-M6x10 | 4-M8x13 | 17 | 21 | 262 | 40 | NAMUR G1/4″ |
| AT105 | 57.5 | 64 | 122.5 | 133 | 153 | 109.5 | 30 | 80 | ∅70 | ∅102 | 4-M8x13 | 4-M10x16 | 22 | 26 | 268 | 40 | NAMUR G1/4″ |
| AT125 | 67.5 | 74.5 | 145.5 | 155 | 185 | 127.5 | 30 | 130 | ∅70 | ∅102 | 4-M8x13 | 4-M10x16 | 22 | 26 | 301 | 55 | NAMUR G1/4″ |
| AT140 | 75 | 77 | 161 | 172 | 202 | 137.5 | 30 | 130 | ∅102 | ∅125 | 4-M10x16 | 4-M12x20 | 27 | 31 | 390 | 55 | NAMUR G1/4″ |
| AT160 | 87 | 87 | 184 | 197 | 227 | 158 | 30 | 130 | ∅102 | ∅125 | 4-M10x16 | 4-M12x20 | 27 | 31 | 458 | 55 | NAMUR G1/4″ |
| AT190 | 103 | 103 | 216 | 230 | 260 | 189 | 30 | 130 | ∅140 | 4-M16x25 | 36 | 50 | 525 | 80 | NAMUR G1/4″ | ||
| AT210 | 113 | 113 | 235.5 | 255 | 285 | 210 | 30 | 130 | ∅140 | 4-M16x25 | 36 | 50 | 532 | 80 | NAMUR G1/4″ | ||
| AT240 | 130 | 130 | 264.5 | 290 | 320 | 245 | 30 | 130 | ∅165 | 4-M20x25 | 46 | 60 | 602 | 80 | NAMUR G1/4″ | ||
| AT270 | 147 | 147 | 299 | 330 | 360 | 273 | 30 | 130 | ∅165 | 4-M20x25 | 46 | 60 | 722 | 80 | NAMUR G1/2″ | ||
| AT300 | 162 | 173 | 330 | 354 | 384 | 312 | 30 | 130 | ∅165 | 4-M20x25 | 46 | 60 | 820 | 80 | NAMUR G1/2″ | ||
| AT350 | 190 | 195 | 383 | 410 | 440 | 362 | 30 | 130 | ∅165 | 4-M20x25 | 46 | 60 | 900 | 80 | NAMUR G1/2″ | ||
| AT400 | 260 | 260 | 441 | 466 | 496 | 450 | 30 | 130 | ∅165 | ∅254 | 4-M20x25 | 8-M16x25 | 46 | 60 | 940 | 80 | NAMUR G1/2″ |







