Smart Electric Actuator

智能电动执行器

智能电动执行器是集成了先进传感、精准控制与智能通信功能的关键工业设备,能根据复杂指令精准驱动阀门等装置,实现自…

产品标签

电动执行器在线选型

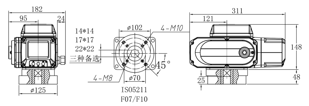
支持已知阀门扭矩直接匹配、未知扭矩精准估算,符合ISO5211标准与1.3倍安全系数,适配特殊工况,一键输出适配型号,工程师采购高效选型帮手!

ISO三体系管理

10万次寿命认证

RoHS

CE欧盟认证

SIL认证

防爆认证

CCC认证

滚动至顶部