
特点
- 重量轻,由于采用整体式结构阀体,实现了超短法兰距,整体重量大大降低,约为同类型球阀的50%。
- 阀座与阀芯之间形成的剪刀口,能够轻松切断管道内的各种杂质,有效保证管路的畅通。
- 特有的V型阀芯结构解决了传统球阀控制稳定性的问题。为了流量调节的稳定性,等百分比特性可以使控制对象和阀门开度相比呈线性。当阀门开始打开时,流量呈增加。阀芯确定了阀门的特性,有不同的形状开口的阀芯,因为同种口径的阀门可以有不同的CV值和流量特性。
- 双面球形密封,提高密封强度,有效控制了调节阀的泄漏量,达到零泄漏,密封等级IV级。
公称通径(DN):DN15~DN200
工作电压:交流110V、220V、380V,直流24V
介质温度:软密封≤220℃,硬密封≤450℃
环境温度:-30℃~60℃
公称压力:0.1~0.6兆帕
动作时间:15秒~25秒
控制方式:调节控制或开关控制
密封形式:软密封/硬密封
连接方式:对夹式 / 法兰式
阀体材质:铸钢(ZG230-450)、不锈钢(ZG1Cr18Ni9Ti、316、316L)、钛合金
球芯材质:不锈钢(ZG1Cr18Ni9Ti、316、316L、A105)、钛合金等
阀杆材质:不锈钢(ZG1Cr18Ni9Ti、316、316L)
密封圈材质:聚四氟乙烯(PTFE)、碳纤维强化聚四氟乙烯、不锈钢或不锈钢+STL
填料材质:聚四氟乙烯、柔性石墨
防护等级:IP67
制造标准:GB12237-2021 API 6D
法兰标准:JB/T79-2015
JB/T74-2015
检验标准:GB/T 13927-2022
结构长度标准:GB/T 12221-2005
主要参数
1.电动V型调节阀阀体主要技术参数及指标
| 公称通径 DN(mm) | 15 | 20 | 25 | 32 | 40 | 50 | 65 | 80 | 100 | 125 | 150 | 200 | |
| 100%开度时流量系数Cv值(参考) | O形 | 24 | 44 | 84 | 122 | 198 | 320 | 443 | 595 | 1096 | 1692 | 2602 | 4212 |
| 矩形 | 8.7 | 13.4 | 20 | 32.6 | 44.3 | 70 | 114 | 134 | 186 | 270 | 462 | 688 | |
| V形 | 7.5 | 11 | 17 | 28 | 38 | 60 | 98 | 116 | 155 | 233 | 397 | 595 | |
| 流量特性 | J矩形:近似直线;V形(对数)等百分比;O形:快开 | ||||||||||||
| 公称压力 | 16(1.6MPa)、40(4.0MPa)、64(6.4MPa) | ||||||||||||
| 可调比 | 50:1 100:1 300:1 | ||||||||||||
| 法兰标准 | JB/T79-2015、JB/T74-2015 | ||||||||||||
| 阀体材质 | 铸钢(ZG230-450)、不锈钢(ZG1Cr18Ni9Ti、316、316L)、钛合金 | ||||||||||||
| 球芯材质 | 不锈钢(ZG1Cr18Ni9Ti、316、316L、A105)、钛合金等 | ||||||||||||
| 阀杆材质 | 不锈钢(ZG1Cr18Ni9Ti、316、316L) | ||||||||||||
| 填料材质 | 聚四氟乙烯、柔性石墨 | ||||||||||||
| 密封形式 | 软密封 | 硬密封 | |||||||||||
| 介质温度 | ≤220℃ | ≤450℃ | |||||||||||
| 阀座材质 | 聚四氟乙烯 | 碳纤维强化聚四氟乙烯 | 不锈钢或不锈钢+STL | ||||||||||
| 泄漏率 | Ⅵ级 | V级 | |||||||||||
| 公称通径 | DN15-DN350(更大口径敬请联系我公司索取详细资料) | ||||||||||||
| 公称压力 | PN1.6MPa~PN6.4MPa | ||||||||||||
| 连接方式 | 法兰连接,对夹式连接 | ||||||||||||
| 动作时间 | 15秒、30秒(可选)(0-90°) | ||||||||||||
| 工作电源 | AC110V AC220V,AC380V,DC24V | ||||||||||||
| 控制方式 | 调节或开关控制 | ||||||||||||
| 环境温度 | ≤60℃ | ||||||||||||
| 适用介质 | 食品、润滑脂、纤维状流体、水、油品、气体 | ||||||||||||
| 死 区 | 0.3%-3.0%可调 | ||||||||||||
安装尺寸
1、气动V型调节阀(对夹式)外形图和连接尺寸:

| 通径DN(mm) | 直径英寸 | A | φD | H1 | H2 | 双作用 | 单作用 | ||||
| H | W1 | W2 | H | W1 | W2 | ||||||
| 15 | 1/2″ | 62 | 54 | 74 | 75 | 186 | 147 | 72 | 186 | 147 | 72 |
| 20 | 3/4″ | 62 | 54 | 74 | 75 | 186 | 147 | 72 | 202 | 168 | 83 |
| 25 | 1″ | 62 | 54 | 74 | 75 | 202 | 168 | 83 | 214 | 184 | 95 |
| 32 | 1 1/4″ | 62 | 78 | 80 | 75 | 208 | 168 | 83 | 229 | 204 | 103 |
| 40 | 1 1/2″ | 62 | 82 | 85 | 75 | 225 | 184 | 95 | 242 | 262 | 109 |
| 50 | 2″ | 75 | 100 | 87 | 95 | 236 | 204 | 103 | 260 | 268 | 122 |
| 65 | 2 1/2″ | 80 | 120 | 105 | 115 | 262 | 262 | 109 | 320 | 301 | 142 |
| 80 | 3″ | 100 | 131 | 115 | 125 | 288 | 268 | 122 | 347 | 390 | 152 |
| 100 | 4″ | 115 | 158 | 125 | 125 | 340 | 301 | 142 | 382 | 458 | 174 |
| 125 | 5″ | 130 | 180 | 140 | 155 | 355 | 301 | 142 | 397 | 458 | 174 |
| 150 | 6″ | 160 | 216 | 153 | 165 | 385 | 390 | 152 | 443 | 525 | 206 |
| 200 | 8″ | 200 | 260 | 200 | 195 | 457 | 458 | 174 | 515 | 532 | 226 |
| 250 | 10″ | 240 | 325 | 225 | 225 | 515 | 525 | 206 | 575 | 602 | 260 |
注:气动阀门根据不同的使用介质、阀门的扭矩及控制方法,其适配的执行器型号可能有所不同,相关尺寸有所变化。
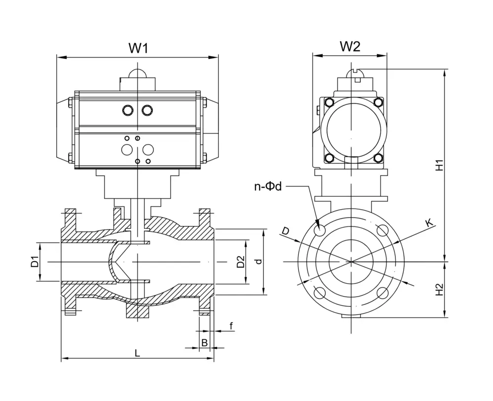
2、气动V型调节阀(长法兰)外形图和连接尺寸:

| 通径DN(mm) | 直径 英寸 | D1 | D2 | d | K | D | n-φd | B | F | L | H2 | 双作用 | 单作用 | ||||
| H1 | W1 | W2 | H1 | W1 | W2 | ||||||||||||
| 15 | 1/2″ | 15 | 28 | 45 | 65 | 95 | 4-Φ14 | 14 | 2 | 102 | 55 | 276 | 147 | 72 | 276 | 147 | 72 |
| 20 | 3/4″ | 15 | 28 | 55 | 75 | 105 | 4-Φ14 | 14 | 2 | 102 | 60 | 286 | 147 | 72 | 302 | 168 | 83 |
| 25 | 1″ | 20 | 40 | 66 | 85 | 115 | 4-Φ14 | 14 | 2 | 102 | 65 | 312 | 168 | 83 | 324 | 184 | 95 |
| 32 | 1 1/4″ | 25 | 46 | 78 | 100 | 135 | 4-Φ18 | 16 | 2 | 114 | 75 | 322 | 168 | 83 | 343 | 204 | 103 |
| 40 | 1 1/2″ | 32 | 54 | 85 | 110 | 145 | 4-Φ18 | 16 | 2 | 114 | 80 | 344 | 184 | 95 | 361 | 262 | 109 |
| 50 | 2″ | 40 | 65 | 100 | 125 | 160 | 4-Φ18 | 16 | 2 | 124 | 85 | 363 | 204 | 103 | 387 | 268 | 122 |
| 65 | 2 1/2″ | 50 | 80 | 120 | 145 | 180 | 4-Φ18 | 18 | 2 | 145 | 100 | 381 | 262 | 109 | 439 | 301 | 142 |
| 80 | 3″ | 65 | 100 | 135 | 160 | 195 | 8-Φ18 | 20 | 2 | 165 | 105 | 391 | 268 | 122 | 450 | 390 | 152 |
| 100 | 4″ | 80 | 110 | 155 | 180 | 215 | 8-Φ18 | 20 | 2 | 194 | 115 | 493 | 301 | 142 | 535 | 458 | 174 |
| 125 | 5″ | 100 | 135 | 185 | 210 | 245 | 8-Φ18 | 22 | 3 | 210 | 130 | 497 | 301 | 142 | 539 | 458 | 174 |
| 150 | 6″ | 125 | 165 | 210 | 240 | 280 | 8-Φ23 | 24 | 3 | 229 | 150 | 534 | 390 | 152 | 592 | 525 | 206 |
| 200 | 8″ | 160 | 205 | 265 | 295 | 335 | 12-Φ23 | 26 | 3 | 243 | 175 | 589 | 458 | 174 | 647 | 532 | 226 |
| 250 | 10″ | 210 | 260 | 320 | 355 | 405 | 12-Φ26 | 30 | 3 | 297 | 220 | 662 | 525 | 206 | 722 | 602 | 260 |
注:气动阀门根据不同的使用介质、阀门的扭矩及控制方法,其适配的执行器型号可能有所不同,相关尺寸有所变化。
开关型接线图

调节型接线图








