电动内螺纹球阀2
电动内螺纹球阀1

电动内螺纹球阀

电动内螺纹球阀以螺纹连接,电动驱动启闭,结构紧凑,密封性好,适用于中小口径管路的快速通断与控制。

产品标签
, ,
电动内螺纹球阀爆炸图

产品简介

电动内螺纹球阀小体积气动球阀应用于各种对于安装尺寸和体积有较大限制的工艺场合。成功应用于多个工业领域,如空调系统、消防系统、水处理系统、管路吹扫、分析仪器、烟气采样等行业。

电动内螺纹球阀适用于各种工业、仪器等管道。具有体积小,性能稳定等优点。

特点

  • 阀门驱动可以多工位安装,不受介质流向影响。
  • 结构简单,易操作,性价比高。 
  • 精小型设计、外形美观,结构紧凑。
  • 具有自洁功能,有效保证管路的畅通

基本参数

公称通径(DN):DN15~DN100

工作电压:交流110V、220V、380V,直流24V

介质温度:-30~220℃

环境温度:-30℃~60℃

公称压力:1.6~6.4兆帕

动作时间:15秒~25秒

控制方式:开关控制

物理规格

连接方式:内螺纹丝扣连接

阀体材质:碳钢铸件(WCB)、不锈钢(SUS304、SUS316)

阀芯材质:不锈钢(SUS304、SUS316)

密封圈材质:聚四氟乙烯(PTFE)、聚苯硫醚(PPL)

填料材质:柔性石墨、聚四氟乙烯(PTFE)

防护等级:IP67

适用介质

中性气体
中性液体

执行标准

制造标准:GB/T 12237-2021 API 6D

检验标准:API 598

主要参数

工作电压AC110V,AC220V,AC380V,DC24V
公称通径DN15~DN100
工作温度-30℃-220℃
公称压力PN1.6-6.4MPa
适用介质中性气体液体
气源压力0.4~0.7MPa
执行器密封氟橡胶
执行器材质铸铝合金
连接方式内螺纹丝扣连接
流量特性快速开关
阀体材质WCB SUS304不锈钢、SUS316不锈钢
阀芯材质SUS304不锈钢、SUS316不锈钢
球阀密封PTFE,PPL等
填料材质石墨 PTFE
设计与制造标准GB12237-2021 API 6D
产品检查与实验API 598

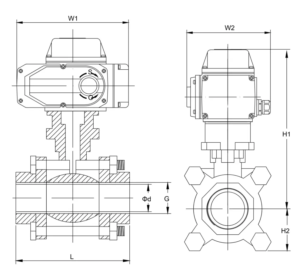
尺寸图

    1、气动开关内螺纹球阀安装尺寸图

电动内螺纹球阀尺寸图
通径  (DN)LGΦdH2H1W1W2
1573螺纹   标准     NPT       BSP     DIN   etc1538202.5196145
20802045204196145
25902555214196145
321103260228196145
401203875237196145
501405083245196145
651856496310255182
8020572106313255182
100240100118332255182

电路图

电路 S

S型

开关动作模式:通过交流开关量实现开启,关闭操作,并输出一组只是全开,全闭的有源位置信号。

电路 MS

MS型

开关动作模式:输出无源触点信号。
结构:带两个中间位置开关。

电路 PIU

PIU型

开关动作模式:输出0~1000Ω反馈信号。
结构:带1KΩ电位器。

电路 CPT

CPT型

开关动作模式:输出4~20mA阀位反馈信号。
结构:带1KΩ电位器和R/I变换器。

电路 PCU

PCU型

调节动作模式:输入4~20mA控制信号,输出4~20mA阀位反馈信号。
结构:带1kΩ电位器和控制模块(伺服放大器)。

电路 G

G型

通过外部直流电源向电路输出直流开关量控制开启,关闭程序,并输出一组对应全开,全闭位置的无源触点信号。

电路 SP

SP型

开关动作模式:通过开关电路控制阀门开启角度与电位器阻值对应,并同时实现中间位置控制功能。
结构:带电位器和中间位置开关。

电路 H

H型

通过外部三相电源倒相电路输出三相交流开关量控制开启,
关闭操作并输出一组对应全开,全闭位置的无源触点信号。

电路图

电路 S

S型

开关动作模式:通过交流开关量实现开启,关闭操作,并输出一组只是全开,全闭的有源位置信号。

电路 MS

MS型

开关动作模式:输出无源触点信号。
结构:带两个中间位置开关。

电路 PIU

PIU型

开关动作模式:输出0~1000Ω反馈信号。
结构:带1KΩ电位器。

电路 CPT

CPT型

开关动作模式:输出4~20mA阀位反馈信号。
结构:带1KΩ电位器和R/I变换器。

电路 PCU

PCU型

调节动作模式:输入4~20mA控制信号,输出4~20mA阀位反馈信号。
结构:带1kΩ电位器和控制模块(伺服放大器)。

电路 G

G型

通过外部直流电源向电路输出直流开关量控制开启,关闭程序,并输出一组对应全开,全闭位置的无源触点信号。

电路 SP

SP型

开关动作模式:通过开关电路控制阀门开启角度与电位器阻值对应,并同时实现中间位置控制功能。
结构:带电位器和中间位置开关。

电路 H

H型

通过外部三相电源倒相电路输出三相交流开关量控制开启,
关闭操作并输出一组对应全开,全闭位置的无源触点信号。

选型相关

阀门选型常见问题

调节阀在线选型

根据执行器参数及阀门参数,快速确定所需要的阀门型号,工程师采购高效选型帮手!

还有问题?

如果您有任何其他疑问,请随时联系我们。我们的支持团队随时为您提供帮助!

ISO三体系管理

10万次寿命认证

RoHS

CE欧盟认证

SIL认证

防爆认证

CCC认证

滚动至顶部