防爆对夹v型球阀1 2
防爆对夹v型球阀1
防爆长法兰v型球阀1
防爆长法兰v型球阀2

防爆电动v型调节阀

防爆电动 V 型调节阀采用 V 型阀芯,剪切力强,防爆设计适配危化场景,调节精度高、密封可靠,适用于含颗粒介质…

产品标签
,
防爆软密封V型球阀爆炸图

产品简介

防爆电动V型调节阀卓越的调节性能,使产品广泛应用于石油化工、精细化工、造纸、冶金、锅炉给水等各种工业领域的高精度调节环节。

电动V型调节阀广泛应用于各种中低压,常温介质的流量调节/压力调节/温度调节/比例式调节等工业自控调节和切断。附带断电后手动操作功能。

特点

  • 重量轻,由于采用整体式结构阀体,实现了超短法兰距,整体重量大大降低,约为同类型球阀的50%。
  • 阀座与阀芯之间形成的剪刀口,能够轻松切断管道内的各种杂质,有效保证管路的畅通。
  • 特有的V型阀芯结构解决了传统球阀控制稳定性的问题。为了流量调节的稳定性,等百分比特性可以使控制对象和阀门开度相比呈线性。当阀门开始打开时,流量呈增加。阀芯确定了阀门的特性,有不同的形状开口的阀芯,因为同种口径的阀门可以有不同的CV值和流量特性。
  • 双面球形密封,提高密封强度,有效控制了调节阀的泄漏量,达到零泄漏,密封等级IV级。

基本参数

公称通径(DN):DN15~DN200

工作电压:交流110V、220V、380V,直流24V

介质温度:软密封≤220℃,硬密封≤450℃

环境温度:-30℃~60℃

公称压力:0.1~0.6兆帕

动作时间:15秒~25秒

控制方式:调节控制或开关控制

密封形式:软密封/硬密封

物理规格

连接方式:对夹式 / 法兰式

阀体材质:铸钢(ZG230-450)、不锈钢(ZG1Cr18Ni9Ti、316、316L)、钛合金

球芯材质:不锈钢(ZG1Cr18Ni9Ti、316、316L、A105)、钛合金等

阀杆材质:不锈钢(ZG1Cr18Ni9Ti、316、316L)

密封圈材质:聚四氟乙烯(PTFE)、碳纤维强化聚四氟乙烯、不锈钢或不锈钢+STL

填料材质:聚四氟乙烯、柔性石墨

防护等级:IP67

适用介质

油品
气体
润滑脂
纤维状流体
食品

防爆性能

Ex db ⅡC T6 Gb

防爆+增安型复合型隔爆外壳
防爆类型

隔爆型(d)+增安型(b)

气体组别

ⅡC级(氢气、乙炔等)

温度组别

T6级(≤85°C)

防爆类型

Gb级(1区、2区适用)

执行标准

制造标准:GB12237-2021 API 6D

法兰标准:JB/T79-2015

JB/T74-2015

检验标准:GB/T 13927-2022

结构长度标准:GB/T 12221-2005

主要参数

1.防爆电动V型调节阀阀体主要技术参数及指标

公称通径
DN(mm)
1520253240506580100125150200
100%开度时流量系数Cv值(参考)O形2444841221983204435951096169226024212
矩形8.713.42032.644.370114134186270462688
V形7.5111728386098116155233397595
流量特性J矩形:近似直线;V形(对数)等百分比;O形:快开
公称压力16(1.6MPa)、40(4.0MPa)、64(6.4MPa)
可调比50:1 100:1 300:1
法兰标准JB/T79-2015、JB/T74-2015
阀体材质铸钢(ZG230-450)、不锈钢(ZG1Cr18Ni9Ti、316、316L)、钛合金
球芯材质不锈钢(ZG1Cr18Ni9Ti、316、316L、A105)、钛合金等
阀杆材质不锈钢(ZG1Cr18Ni9Ti、316、316L)
填料材质聚四氟乙烯、柔性石墨
密封形式软密封硬密封
介质温度≤220℃≤450℃
阀座材质聚四氟乙烯碳纤维强化聚四氟乙烯不锈钢或不锈钢+STL
泄漏率Ⅵ级V级
公称通径DN15-DN350(更大口径敬请联系我公司索取详细资料)
公称压力PN1.6MPa~PN6.4MPa
连接方式法兰连接,对夹式连接
动作时间15秒、30秒(可选)(0-90°)
工作电源AC110V  AC220V,AC380V,DC24V
控制方式调节或开关控制
环境温度≤60℃
适用介质食品、润滑脂、纤维状流体、水、油品、气体
死 区0.3%-3.0%可调

安装尺寸

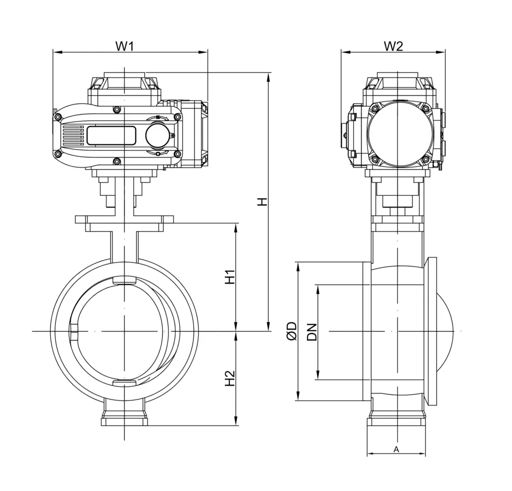
1、防爆电动V型调节阀(对夹式)外形图和连接尺寸:

通径DN(mm)直径英寸AφdH1H2HW1W2
151/2″62547475420217150
203/4″62547475420217150
251″62547475420217150
321 1/4″62788075430217150
401 1/2″62828575435217150
502″751008795459217150
652 1/2″80120105115522268180
803″100131115125544268180
1004″115158125125554268180
1255″130180140155594268180
1506″160216153165624268180
2008″200260200195704268180
25010″240325225225754268180


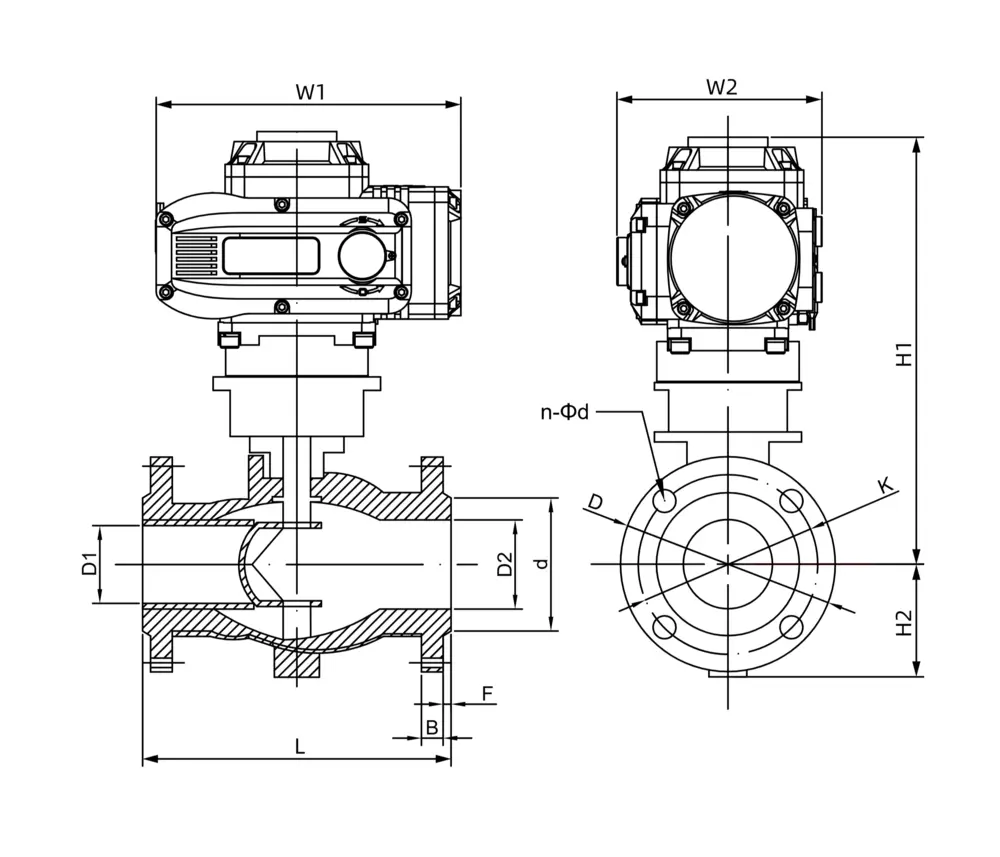
 2、防爆电动V型调节阀(超短法兰)外形图和连接尺寸:

防爆长法兰v型球阀尺寸图
通径DN(mm)直径英寸D1D2dKDn-φdBFLH1H2W1W2
151/2″15284565954-Φ1414210232055217150
203/4″152855751054-Φ1414210233060217150
251″204066851154-Φ1414210234065217150
321 1/4″2546781001354-Φ1816211435075217150
401 1/2″3254851101454-Φ1816211436080217150
502″40651001251604-Φ1816212436985217150
652 1/2″50801201451804-Φ18182145412100268180
803″651001351601958-Φ18202165423105268180
1004″801101551802158-Φ18202194450115268180
1255″1001351852102458-Φ18223210454130268180
1506″1251652102402808-Φ23243229474150268180
2008″16020526529533512-Φ23263243504175268180
25010″21026032035540512-Φ26303297544220268180
30012″25032237541046012-Φ26303340624250268180
35014″30036543547052016-Φ26343422654280268180

电路图

电路 S

S型

开关动作模式:通过交流开关量实现开启,关闭操作,并输出一组只是全开,全闭的有源位置信号。

电路 MS

MS型

开关动作模式:输出无源触点信号。
结构:带两个中间位置开关。

电路 PIU

PIU型

开关动作模式:输出0~1000Ω反馈信号。
结构:带1KΩ电位器。

电路 CPT

CPT型

开关动作模式:输出4~20mA阀位反馈信号。
结构:带1KΩ电位器和R/I变换器。

电路 PCU

PCU型

调节动作模式:输入4~20mA控制信号,输出4~20mA阀位反馈信号。
结构:带1kΩ电位器和控制模块(伺服放大器)。

电路 G

G型

通过外部直流电源向电路输出直流开关量控制开启,关闭程序,并输出一组对应全开,全闭位置的无源触点信号。

电路 SP

SP型

开关动作模式:通过开关电路控制阀门开启角度与电位器阻值对应,并同时实现中间位置控制功能。
结构:带电位器和中间位置开关。

电路 H

H型

通过外部三相电源倒相电路输出三相交流开关量控制开启,
关闭操作并输出一组对应全开,全闭位置的无源触点信号。

选型相关

阀门选型常见问题

调节阀在线选型

根据执行器参数及阀门参数,快速确定所需要的阀门型号,工程师采购高效选型帮手!

还有问题?

如果您有任何其他疑问,请随时联系我们。我们的支持团队随时为您提供帮助!

ISO三体系管理

10万次寿命认证

RoHS

CE欧盟认证

SIL认证

防爆认证

CCC认证

滚动至顶部