公称通径:DN40~800
公称压力:0.1~2.5兆帕
工作电源:交流110V、交流220V、交流380V、直流24V
介质温度:-20℃~+120℃
环境温度:-30~60℃
控制方式:调节控制或开关控制
动作时间:15秒 / 30秒 / 60秒
连接方式:对夹连接、法兰连接
阀座类型:不锈钢活动硬密封
阀体材质:碳素钢铸件(WCB)、球墨铸铁(QT450-10)、灰铸铁(HT200、HT250)、SUS304不锈钢、SUS316不锈钢
阀板材质:碳素钢铸件(WCB)、球墨铸铁(QT450-10)、灰铸铁(HT200、HT250)、SUS304不锈钢、SUS316不锈钢
阀轴材质:2Cr13不锈钢
密封圈材质:丁腈耐油橡胶、三元乙丙橡胶(EPDM)、聚四氟乙烯(PTFE)、增强聚四氟乙烯(PPL)等
阀杆密封:丁腈橡胶(NBR)、氢化丁腈橡胶(HNBR)
填料材质:柔性石墨
Ex db ⅡC T6 Gb
防爆+增安型复合型隔爆外壳
防爆类型
隔爆型(d)+增安型(b)
气体组别
ⅡC级(氢气、乙炔等)
温度组别
T6级(≤85°C)
防爆类型
Gb级(1区、2区适用)
设计与制造:GB/T 12238-2008
法兰标准:- GB/T 9124.1-2019,- GB/T 9124.2-2019,- GB17241.6-2008
端到端尺寸:GB12221-2005
检验标准:GB/T 13927-2008
壳体试验:1.76MPa
密封试验:2.4MPa
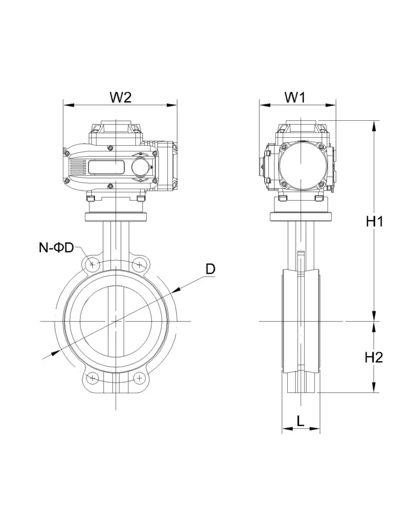
防爆电动蝶阀的安装尺寸

| 通径 DN(mm) | L | D | N-ΦD | H2 | H1 | W2 | W1 |
| 40 | 33 | 125 | 4-Φ18 | 48 | 276 | 217 | 150 |
| 50 | 42.6 | 125 | 4-Φ18 | 70 | 398 | 217 | 150 |
| 65 | 45.6 | 145 | 4-φ18 | 76 | 375 | 217 | 150 |
| 80 | 45.6 | 160 | 8-φ18 | 89 | 381 | 217 | 150 |
| 100 | 51.6 | 180 | 4-φ22 | 104 | 414 | 217 | 150 |
| 125 | 55.6 | 210 | 4-φ22 | 120 | 429 | 217 | 150 |
| 150 | 55.6 | 240 | 4-φ23 | 139 | 465 | 217 | 150 |
| 200 | 59.6 | 295 | 4-φ23 | 175 | 536 | 268 | 180 |
| 250 | 67.6 | 355 | 4-φ28 | 203 | 562 | 268 | 180 |
| 300 | 77.6 | 410 | 4-φ28 | 242 | 561 | 268 | 180 |
| 350 | 77 | 470 | 4-φ28 | 277.5 | 562 | 268 | 180 |
| 400 | 86.5 | 525 | 4-φ30 | 309 | 613 | 354 | 273 |
| 450 | 105.6 | 585 | 4-φ30 | 337 | 633 | 354 | 273 |
| 500 | 131.8 | 650 | 4-φ33 | 361 | 693 | 354 | 273 |
电路图

S型

MS型

PIU型

CPT型

PCU型

G型

SP型











