
特点
- 阀体、阀板均用钢板焊接加工而成,重量轻、结构简单、安装方便
- 蝶板与阀体间的膨胀间隙大,能有效防止因热涨冷缩造成的卡死现象。
- 内无连杆、螺栓等、工作可靠、有效延长了使用寿命长。
- 驱动力矩小,启闭灵活无摩擦,操作方便,阀门使用寿命长
- 可以多工位安装,不受介质流向影响。
- 采用中线式碟板与短结构钢板焊接的新型结构形式设计制造的,避免高温膨胀的影响,操作轻便。
- 适用于通风系统、空调系统、高温烟气中的开关切断和流量调节作用。
- 适用于低压状态的空气或其它气体的流量、压力控制,此外也适用于高温状态的气体及蚀性介质等。


主要参数
| 公称通径 | DN50~DN1200(更大口径需定制) | |
| 工作电源 | AC110V AC220V,AC380V DC24V | |
| 介质温度 | 0-450℃(备选) | |
| 公称压力 | 0.1~1.6MPa | |
| 适用介质 | 含尘烟气、空气、煤气 | |
| 连接方式 | 法兰式 | |
| 流量特性 | 等百分比特性 | |
| 控制方式 | 调节或开关控制 | |
| 密封形式 | 开放式、后座式(超高温适用)、密封式(常温适用) | |
| 试验压力 | 壳体实验 | 1.6MPa |
| 密封试验 | 1.6MPa | |
| 阀体材质 | A3钢、耐热钢 SUS304不锈钢、SUS316不锈钢 | |
| 阀板材质 | A3钢、耐热钢 SUS304不锈钢、SUS316不锈钢 | |
| 填料材质 | 衬四氟、石墨 | |
| 防护等级 | IP67 | |
| 制造标准 | JB/T 8692-2013 | |
| 产品设计与制造 | GB/T12238-2008、API 609 | |
| 产品检查与实验 | GB/T13927-2008、API 598 | |
| 侧法兰连接 | GB/T 9124.1-2019、GB/T 9124.1-2019、ASME B16.50及ASME B16.47 | |
安装尺寸
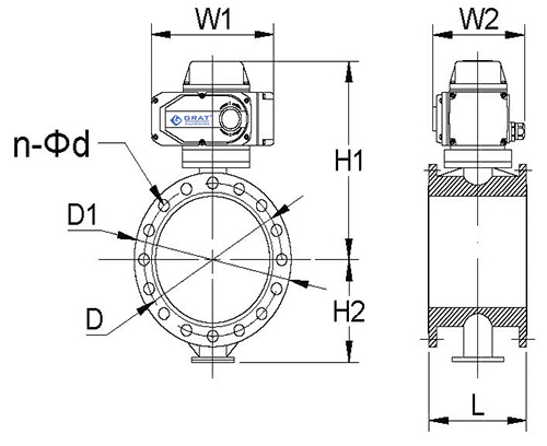
1.电动通风蝶阀安装尺寸图表
| 规格 | D1 | D | L | B | C | n-Φd | H1 | H2 | W1 | W2 |
| mm | ||||||||||
| 50 | 165 | 125 | 100 | 8 | 1 | 4-Φ18 | 371 | 83 | 196 | 145 |
| 65 | 185 | 145 | 100 | 8 | 1 | 4-Φ18 | 391 | 93 | 196 | 145 |
| 80 | 200 | 160 | 100 | 10 | 1 | 8-Φ18 | 411 | 100 | 196 | 145 |
| 100 | 220 | 180 | 120 | 10 | 1 | 8-Φ18 | 446 | 110 | 196 | 145 |
| 125 | 250 | 210 | 120 | 10 | 1.5 | 8-Φ18 | 526 | 125 | 196 | 145 |
| 150 | 285 | 240 | 120 | 10 | 1.5 | 8-Φ22 | 561 | 143 | 196 | 145 |
| 200 | 340 | 295 | 140 | 12 | 1.5 | 8-Φ22 | 626 | 170 | 196 | 145 |
| 250 | 395 | 350 | 140 | 12 | 1.5 | 12-Φ22 | 715 | 198 | 196 | 145 |
| 300 | 445 | 400 | 170 | 15 | 1.5 | 12-Φ22 | 766 | 223 | 196 | 145 |
| 350 | 505 | 460 | 170 | 15 | 2 | 12-Φ22 | 848 | 253 | 255 | 182 |
| 400 | 565 | 515 | 190 | 15 | 2 | 16-Φ26 | 908 | 283 | 255 | 182 |
| 450 | 615 | 565 | 190 | 18 | 2 | 16-Φ26 | 948 | 308 | 255 | 182 |
| 500 | 670 | 620 | 190 | 18 | 2 | 20-Φ26 | 998 | 335 | 255 | 182 |
| 600 | 780 | 725 | 210 | 20 | 2 | 20-Φ30 | 1098 | 390 | 255 | 182 |
| 700 | 895 | 840 | 210 | 20 | 2 | 24-Φ30 | 1285 | 448 | 354 | 273 |
| 800 | 1015 | 950 | 250 | 20 | 2 | 24-Φ33 | 1405 | 508 | 354 | 273 |
| 900 | 1115 | 1050 | 250 | 25 | 2 | 24-Φ33 | 1520 | 558 | 354 | 273 |
| 1000 | 1230 | 1160 | 250 | 25 | 2 | 28-Φ36 | 1615 | 615 | 354 | 273 |
| 1200 | 1455 | 1380 | 250 | 25 | 3 | 32-Φ39 | 1840 | 728 | 354 | 273 |
| 1300 | 1565 | 1485 | 300 | 25 | 3 | 36-Φ39 | 1950 | 783 | 354 | 273 |
| 1400 | 1675 | 1590 | 300 | 25 | 3 | 36-Φ42 | 2068 | 838 | 354 | 273 |
| 1500 | 1795 | 1705 | 300 | 27 | 3 | 40-Φ42 | 2180 | 898 | 354 | 273 |
| 1600 | 1915 | 1820 | 300 | 28 | 3 | 40-Φ48 | 2300 | 958 | 354 | 273 |
| 1800 | 2115 | 2020 | 300 | 28 | 3 | 44-Φ48 | 2505 | 1058 | 354 | 273 |
| 2000 | 2325 | 2230 | 300 | 28 | 3 | 48-Φ48 | 2765 | 1163 | 354 | 273 |
2.电动通风蝶阀性能规范
| 公称通径DN | DN100-DN2000 | |
| 公称压力PN | 0.1MPa | |
| 试验压力 | 壳体实验 | 0.15MPa |
| 密封试验 | 0.11MPa | |
| 工作温度℃ | <200℃特殊:<450℃ | |
| 适用介质 | 含尘烟气、空气、煤气 | |
3.电动通风蝶阀主要零部件材质
| 零件名称 | 材料 |
| 阀体 | Q235-B、20、20g等 |
| 阀板 | |
| 转轴 | 45、40Cr等 |
| 填料 | YS250F等 |
| 手柄 | KTH33008 |
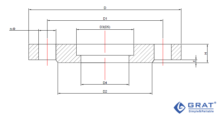
4.对夹式蝶阀适用法兰

| 规格(mm) | D | D1 | D2 | D3 | D4 | n-Φ | H | f | D5 | b |
| 50 | 165 | 125 | 59 | 52 | 52 | 4-Φ 18 | 20 | 3 | 62 | 8 |
| 65 | 185 | 145 | 122 | 75 | 67 | 4-Φ 18 | 20 | 3 | 78 | 8 |
| 80 | 200 | 160 | 133 | 91 | 82 | 8-Φ 18 | 20 | 3 | 91 | 8 |
| 100 | 220 | 180 | 158 | 110 | 102 | 8-Φ 18 | 22 | 3 | 116 | 8 |
| 125 | 250 | 210 | 184 | 135 | 127 | 8-Φ 18 | 22 | 3 | 142 | 8 |
| 150 | 285 | 240 | 212 | 161 | 152 | 8-Φ 22 | 24 | 3 | 170 | 10 |
| 200 | 340 | 295 | 268 | 221 | 208 | 12-Φ 22 | 26 | 3 | 221 | 10 |
| 250 | 405 | 355 | 320 | 275 | 255 | 12-Φ 26 | 29 | 3 | 275 | 10 |
| 300 | 460 | 410 | 370 | 327 | 308 | 12-Φ 26 | 32 | 4 | 326 | 14 |
| 350 | 520 | 470 | 430 | 379 | 355 | 16-Φ 26 | 34 | 4 | 358 | 14 |
| 400 | 580 | 525 | 482 | 429 | 405 | 16-Φ 30 | 36 | 4 | 409 | 14 |
| 450 | 640 | 585 | 532 | 481 | 455 | 20-Φ 30 | 38 | 4 | 460 | 16 |
| 500 | 715 | 650 | 585 | 532 | 505 | 20-Φ 33 | 42 | 4 | 511 | 16 |
| 600 | 840 | 770 | 685 | 633 | 605 | 20-Φ 36 | 44 | 5 | 613 | 18 |
电路图

S型

MS型

PIU型

CPT型

PCU型

G型

SP型













