
特点
- 采用FEP衬里,与液体接触的过流部件全部为氟塑料,具有很强的防腐性和耐磨性,可适用于任何浓度的酸、碱等介质。是目前防腐设备最理想的选择。
- 唇式弹性的独特密封副的结构设计,较好的延长了产品的使用寿命。
- PTFE密封材料,耐老化、耐腐蚀,使用寿命长。密封性能可达到零泄漏 。
主要参数
| 工作电源 | AC110VAC220VAC380VDC24V |
| 公称通径 | DN40-500 |
| 介质温度 | -50℃-160℃(无冻结) |
| 工作压力 | PN1.0~1.6(MPa) |
| 控制方式 | 调节或开关控制 |
| 气动作用方式 | 单作用(带弹簧复位)或双作用 |
| 连接方式 | 对夹式 |
| 阀体材质 | WCB、QT450-10、HT200、HT250 |
| 蝶板材质 | WCB+PTFE |
| 密封圈 | PTFE |
| 执行器材质 | 铸铝合金 |
| 适用介质 | 硫酸,氢氟酸,磷酸,氯气,强碱,王水等任意具有强腐蚀性的介质。 |
| 设计与制造标准 | GB/T 12238-2008 API 6D |
| 法兰标准 | JB/T 79-2015、GB/T 9124.1-2019 、 GB/T 9124.2-2019 、ASME B16.5、JIS B2239 |
| 结构长度 | GB/T 12221-2005 |
| 检验标准 | API 598 |
安装尺寸
1. 对夹式衬氟气动蝶阀连接尺寸

| 通径 DN | L | D | N-ΦD | H2 | 双作用 | 单作用 | ||||
| H1 | W1 | W2 | H1 | W1 | W2 | |||||
| 40 | 33 | 115 | 4-Φ16 | 60 | 224 | 160 | 58 | 243 | 192 | 74 |
| 50 | 43 | 125 | 4-Φ18 | 70 | 253 | 192 | 74 | 264 | 218 | 85 |
| 65 | 46 | 145 | 4-Φ18 | 80 | 277 | 218 | 85 | 300 | 272 | 107 |
| 80 | 46 | 160 | 8-Φ18 | 89 | 312 | 238 | 96 | 335 | 274 | 120 |
| 100 | 52 | 180 | 8-Φ18 | 105.5 | 339 | 272 | 107 | 387 | 335 | 135 |
| 125 | 56 | 210 | 8-Φ18 | 121 | 362 | 272 | 107 | 410 | 335 | 135 |
| 150 | 56 | 240 | 8-Φ22 | 145 | 390 | 274 | 120 | 442 | 352 | 152 |
| 200 | 60 | 295 | 12-Φ22 | 177 | 463 | 335 | 135 | 502 | 422 | 174 |
| 250 | 66 | 355 | 12-Φ26 | 205 | 541 | 352 | 152 | 595 | 488 | 206 |
| 300 | 78 | 410 | 12-Φ26 | 235 | 580 | 422 | 174 | 635 | 550 | 228 |
| 350 | 78 | 470 | 16-Φ26 | 260 | 658 | 488 | 206 | 718 | 600 | 260 |
| 400 | 102 | 525 | 16-Φ30 | 299 | 707 | 488 | 206 | 767 | 600 | 260 |

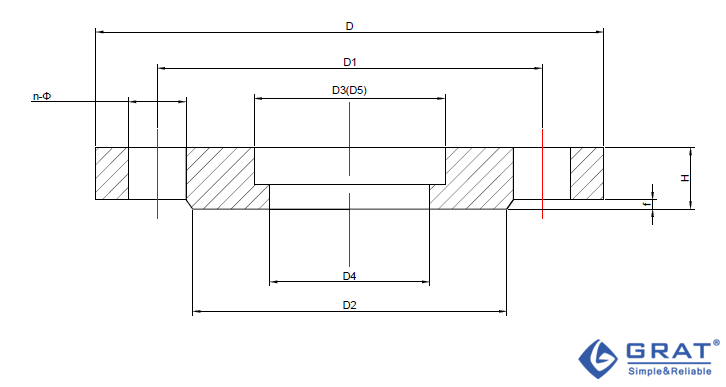
| 规格(mm) | D | D1 | D2 | D3 | D4 | n-Φ | H | f | D5 | b |
| 50 | 165 | 125 | 59 | 52 | 52 | 4-Φ 18 | 20 | 3 | 62 | 8 |
| 65 | 185 | 145 | 122 | 75 | 67 | 4-Φ 18 | 20 | 3 | 78 | 8 |
| 80 | 200 | 160 | 133 | 91 | 82 | 8-Φ 18 | 20 | 3 | 91 | 8 |
| 100 | 220 | 180 | 158 | 110 | 102 | 8-Φ 18 | 22 | 3 | 116 | 8 |
| 125 | 250 | 210 | 184 | 135 | 127 | 8-Φ 18 | 22 | 3 | 142 | 8 |
| 150 | 285 | 240 | 212 | 161 | 152 | 8-Φ 22 | 24 | 3 | 170 | 10 |
| 200 | 340 | 295 | 268 | 221 | 208 | 12-Φ 22 | 26 | 3 | 221 | 10 |
| 250 | 405 | 355 | 320 | 275 | 255 | 12-Φ 26 | 29 | 3 | 275 | 10 |
| 300 | 460 | 410 | 370 | 327 | 308 | 12-Φ 26 | 32 | 4 | 326 | 14 |
| 350 | 520 | 470 | 430 | 379 | 355 | 16-Φ 26 | 34 | 4 | 358 | 14 |
| 400 | 580 | 525 | 482 | 429 | 405 | 16-Φ 30 | 36 | 4 | 409 | 14 |
| 450 | 640 | 585 | 532 | 481 | 455 | 20-Φ 30 | 38 | 4 | 460 | 16 |
| 500 | 715 | 650 | 585 | 532 | 505 | 20-Φ 33 | 42 | 4 | 511 | 16 |
| 600 | 840 | 770 | 685 | 633 | 605 | 20-Φ 36 | 44 | 5 | 613 | 18 |
开关型接线图

调节型接线图











