
特点
- 低功耗高效率:其功耗仅需 10 瓦,在节省能源成本的同时,还能高效稳定地工作。
- 平稳调速:采用 PWM 无级调速,确保执行器运行过程稳定,并提供更可靠的控制。
- 高性能电机:内置带过载保护的无刷电机,运行稳定可靠,使用寿命长。
- 实时参数显示:通过 OLED 屏实时实时显示中英文状态及参数信息,在使用过程中提供更及时的反馈及故障报警信息。
- 精准控制:调节范围广(30% 至 100%),控制精度达 0.5%,可精准满足不同场景的控制需求。
- 多种反馈方式:支持 4-20mA/0-10V/1-5V 反馈方式,保障控制精度。
公称通径(DN):DN15~40
工作电压:交流220V、直流24V
介质温度:-20℃~+350℃(超过200℃需采用特殊密封)
公称压力:0.1~1.6MPa
动作时间:15秒~25秒
控制方式:调节控制或开关控制
连接方式:法兰式
阀体材质:碳素钢铸件(WCB)、SUS304不锈钢、SUS316不锈钢
阀芯材质:SUS304不锈钢、SUS316不锈钢
阀座材质:聚四氟乙烯(PTFE,常温用)、 特殊增强聚四氟乙烯(PPL,高温用)
密封类型:弹性密封、耐高温聚苯硫醚(PPS)密封
防护等级:IP66
制造标准:GB12237-2007、API 6D
法兰标准:JB/T 79-2015、GB/T 9124.1-2019、GB/T 9124.2-2019、ANSI B16.5、JIS B2239
检验标准:API 598
结构长度标准:GB/T 12221-2005
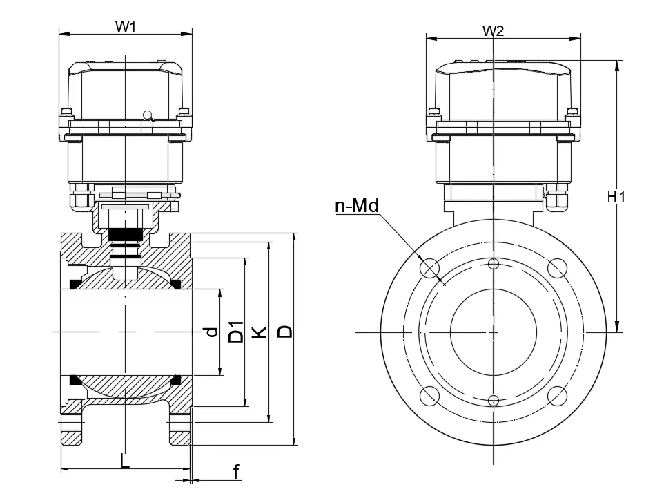
物联网微型电动短法兰调节球阀安装尺寸

| 通径 (DN) | d | D1 | K | D | n-Md | f | L | H | W1 | W2 | |
| mm | in | ||||||||||
| DN15 | 1/2〃 | 15 | 45 | 65 | 95 | 4-M12 | 2 | 35 | 137.5 | 68.5 | 88.5 |
| DN20 | 3/4〃 | 19 | 55 | 75 | 105 | 4-M12 | 2 | 38 | 143.5 | 68.5 | 88.5 |
| DN25 | 1〃 | 25 | 65 | 85 | 115 | 4-M12 | 2 | 50 | 165 | 98 | 108 |
| DN32 | 1 1/4〃 | 28 | 76 | 100 | 140 | 4-M12 | 2 | 50 | 172 | 93 | 108 |
| DN40 | 1 1/2〃 | 38 | 83 | 110 | 148 | 4-M16 | 3 | 67 | 182 | 93 | 108 |
电路图











