
特点
- 采用无销钉结构,有效避免长期运行销钉脱落。
- 本阀具有双向密封功能,安装时不受介质流向的控制,也不受空间位置的影响。可在任何方向安装。
- 密封副材料选用不锈钢和丁腈耐油橡胶配对,有效延长使用寿命长。
- 具有非常显著的经济性,尤其是较大口径的蝶阀。(中、低压力场合首选蝶阀)
- 优越的经济性能使得蝶阀广泛应用于食品、环保、轻工、石油、造纸、化工、船舶、城市给排水、电力等行业的工业自动控制系统中。
公称通径(DN):DN40~800
工作电压:交流220V、直流24V
介质温度:-20℃~+120℃(超过200℃需采用特殊密封)
公称压力:0.1~2.5MPa
动作时间:15秒~25秒
控制方式:调节控制或开关控制
连接方式:对夹式、法兰式
阀体材质:碳素钢铸件(WCB)、SUS304不锈钢、SUS316不锈钢、QT450-10、HT200、HT250
阀板材质:碳素钢铸件(WCB)、SUS304不锈钢、SUS316不锈钢、QT450-10、HT200、HT250
阀座材质:聚四氟乙烯(PTFE,常温用)、 特殊增强聚四氟乙烯(PPL,高温用)、丁腈耐油橡胶、EPDM
密封类型:弹性密封、耐高温聚苯硫醚(PPS)密封
防护等级:IP67
制造标准:GB12238-2008
法兰标准:GB/T 9124.1-2019 GB/T 9124.2-2019 GB/T 17241.6-2008
检验标准:GB/T 13927-2022
结构长度标准:GB/T 12221-2005
主要参数
| 公称通径 | DN40~DN700 | |
| 工作电源 | AC220V,AC380V DC24V | |
| 介质温度 | -20~120℃ | |
| 环境温度 | -30℃-60℃ | |
| 公称压力 | 0.1~2.5MPa | |
| 动作时间 | 15S/30S/60S | |
| 适用介质 | 水,油品,气介质等 | |
| 控制方式 | 调节或开关控制 | |
| 输入信号 | 4-20mA/0-5V~10V(备选) | |
| 输出信号 | 4-20mA/0-5V~10V(备选) | |
| 连接方式 | 对夹式 | |
| 密封形式 | 软密封 | |
| 试验压力 | 壳体实验 | 1.76MPa |
| 密封试验 | 2.4MPa | |
| 阀体材质 | WCB、QT450-10、HT200、HT250、SUS304、SUS316 | |
| 阀板材质 | WCB、QT450-10、HT200、HT250、SUS304、SUS316 | |
| 转轴材质 | 2Cr13 | |
| 密封圈材质 | 丁腈耐油橡胶、EPDM、PTFE、PPL等 | |
| 阀杆密封 | NBR、HNBR | |
| 填料材质 | 柔性石墨 | |
| 防护等级 | IP67 | |
| 制造标准 | GB/T 122387-89 | |
| 法兰标准 | GB9113-2000、GB17241.6-1998 | |
| 结构长度标准 | GB12221-89 | |
| 检验标准 | GB/T 13927-92 | |
尺寸图
1.对夹式电动软密封蝶阀安装尺寸图表

| 通径 DN(mm) | L | D | N-ΦD | H2 | H1 | W1 | W2 |
| 40 | 33 | --- | --- | 48 | 210 | 138 | 76 |
| 50 | 42.6 | 125 | 4-Φ18 | 70 | 314 | 160 | 137 |
| 65 | 45.6 | 145 | 4-Φ18 | 76 | 327 | 160 | 137 |
| 80 | 45.6 | 160 | 4-Φ18 | 89 | 333 | 160 | 137 |
| 100 | 51.6 | 180 | 4-Φ22 | 104 | 385 | 196 | 145 |
| 125 | 55.6 | 210 | 4-Φ22 | 120 | 400 | 196 | 145 |
| 150 | 55.6 | 240 | 4-Φ23 | 139 | 442 | 255 | 182 |
| 200 | 59.6 | 295 | 4-Φ23 | 175 | 480 | 255 | 182 |
| 250 | 67.6 | 355 | 4-Φ28 | 203 | 522 | 255 | 182 |
| 300 | 77.6 | 410 | 4-Φ28 | 242 | 537 | 255 | 182 |
| 350 | 77 | 470 | 4-Φ28 | 277.5 | 555 | 354 | 273 |
| 400 | 86.5 | 525 | 4-Φ30 | 309 | 590 | 354 | 273 |
| 450 | 105.6 | 585 | 4-Φ30 | 337 | 610 | 354 | 273 |
| 500 | 131.8 | 650 | 4-Φ33 | 361 | 670 | 354 | 273 |
| 600 | 152 | 770 | 4-Φ36 | 459 | 1110 | 520 | 470 |
| 700 | 163 | 840 | 4-Φ36 | 527 | 1180 | 520 | 470 |
| 800 | 188 | 950 | 4-Φ39 | 594 | 1220 | 520 | 470 |
2.对夹式电动蝶阀主体零部件材料
| 零件名称 | 材料 |
| 阀 体 | WCB、QT450-10、HT200、HT250 |
| 蝶 板 | WCB、QT450-10、HT200、HT250 |
| 阀 轴 | 2Cr13 |
| 密 封 圈 | 丁腈耐油橡胶 |
| 填料 | 柔性石墨 |
3.对夹式电动蝶阀执行标准
| 制造标准 | GB/T 122387-89 |
| 法兰标准 | GB9113-2000、GB17241.6-1998 |
| 结构长度标准 | GB12221-89 |
| 检验标准 | GB/T 13927-92 |
4.对夹式电动蝶阀性能规范
| 公称通径 | 40~1200 | 40~800 | mm | |
| 公称压力 | 1.0 | 1.6 | Mpa | |
| 试验压力 | 密封 | 1.1 | 1.76 | |
| 壳体 | 1.5 | 2.4 | ||
| 适用温度 | ﹣15~﹢150 | ℃ | ||
| 适用介质 | 淡水、海水、污水、空气、气、食品、药品、各种油类等 | |||
5.对夹式电动蝶阀与管道连接示意图

6、法兰式电动软密封蝶阀安装尺寸图表

| 通径 DN(mm) | D1 | D2 | N-ΦD | L | H2 | H1 | W1 | W2 |
| 50 | 125 | 165 | 4-Φ18 | 108 | 70 | 288 | 196 | 145 |
| 65 | 145 | 185 | 4-Φ18 | 112 | 76 | 301 | 196 | 145 |
| 80 | 160 | 200 | 4-Φ18 | 114 | 89 | 313 | 196 | 145 |
| 100 | 180 | 220 | 8-Φ18 | 127 | 104 | 328 | 196 | 145 |
| 125 | 210 | 250 | 8-Φ18 | 140 | 120 | 348 | 196 | 145 |
| 150 | 240 | 285 | 8-Φ23 | 140 | 132 | 368 | 196 | 145 |
| 200 | 295 | 340 | 8-Φ23 | 152 | 167 | 435 | 255 | 182 |
| 250 | 350 | 35 | 12-Φ23 | 165 | 202 | 474 | 255 | 182 |
| 300 | 400 | 445 | 12-Φ23 | 178 | 239 | 502 | 255 | 182 |
| 350 | 460 | 505 | 16-Φ23 | 190 | 265 | 537 | 255 | 182 |
| 400 | 515 | 565 | 16-Φ28 | 216 | 308 | 640 | 354 | 273 |
| 450 | 565 | 615 | 20-Φ28 | 222 | 341 | 662 | 354 | 273 |
| 500 | 620 | 670 | 20-Φ28 | 229 | 381 | 700 | 354 | 273 |
| 600 | 725 | 780 | 20-Φ31 | 267 | 476 | 803 | 354 | 273 |
| 700 | 840 | 895 | 24-Φ34 | 292 | 520 | 866 | 354 | 273 |
| 800 | 950 | 1015 | 24-Φ37 | 318 | 591 | 949 | 354 | 273 |
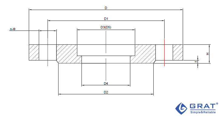
6.对夹式蝶阀适用法兰

| 规格(mm) | D | D1 | D2 | D3 | D4 | n-Φ | H | f | D5 | b |
| 50 | 165 | 125 | 59 | 52 | 52 | 4-Φ 18 | 20 | 3 | 62 | 8 |
| 65 | 185 | 145 | 122 | 75 | 67 | 4-Φ 18 | 20 | 3 | 78 | 8 |
| 80 | 200 | 160 | 133 | 91 | 82 | 8-Φ 18 | 20 | 3 | 91 | 8 |
| 100 | 220 | 180 | 158 | 110 | 102 | 8-Φ 18 | 22 | 3 | 116 | 8 |
| 125 | 250 | 210 | 184 | 135 | 127 | 8-Φ 18 | 22 | 3 | 142 | 8 |
| 150 | 285 | 240 | 212 | 161 | 152 | 8-Φ 22 | 24 | 3 | 170 | 10 |
| 200 | 340 | 295 | 268 | 221 | 208 | 12-Φ 22 | 26 | 3 | 221 | 10 |
| 250 | 405 | 355 | 320 | 275 | 255 | 12-Φ 26 | 29 | 3 | 275 | 10 |
| 300 | 460 | 410 | 370 | 327 | 308 | 12-Φ 26 | 32 | 4 | 326 | 14 |
| 350 | 520 | 470 | 430 | 379 | 355 | 16-Φ 26 | 34 | 4 | 358 | 14 |
| 400 | 580 | 525 | 482 | 429 | 405 | 16-Φ 30 | 36 | 4 | 409 | 14 |
| 450 | 640 | 585 | 532 | 481 | 455 | 20-Φ 30 | 38 | 4 | 460 | 16 |
| 500 | 715 | 650 | 585 | 532 | 505 | 20-Φ 33 | 42 | 4 | 511 | 16 |
| 600 | 840 | 770 | 685 | 633 | 605 | 20-Φ 36 | 44 | 5 | 613 | 18 |
电路图

S型

MS型

PIU型

CPT型

PCU型

G型

SP型











