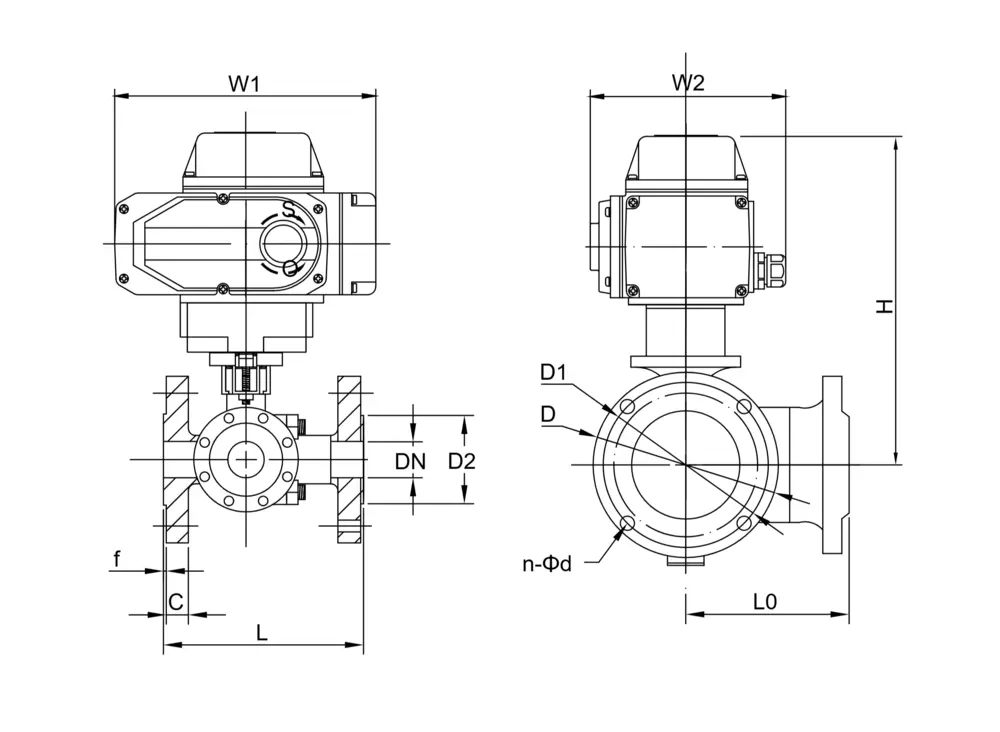
电动法兰三通球阀1
电动法兰三通球阀3
电动法兰三通球阀2
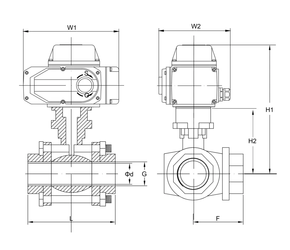
电动内螺纹三通球阀1
电动内螺纹三通球阀2
电动内螺纹三通球阀3

电动三通球阀

电动三通球阀由电动执行器驱动,可分流、合流、换向,密封好、结构紧凑,适配气液蒸汽等自动化管路控制。

产品标签
, ,
电动三通球阀爆炸图

产品简介

电动三通球阀是电动执行机构与三通球阀结合的旋转式切断调节阀门,核心由阀体、带 L 型 / T 型流道的球芯、阀座、阀杆及电动执行器构成。

电动执行器驱动球芯旋转 90° 或 180°,改变流道连通状态,实现流体换向、分流或合流。L 型流道负责两路换向,T 型流道可分流、合流。

它具备密封严、结构紧凑、自动化控制精准、响应快等优点,能适配水、蒸汽、油品等多种介质,广泛应用于电力、化工、环保等工业系统的自动化控制。

特点

三通球阀用于分流或汇合流通,是具有二面或四面阀座的多通 口球阀,任一通口可用作入口面无泄漏,三通既可L型通口也可T型 通口。

da5c7d979892e24b26c2191bd5c156ef

T型流道采用4面阀座,受力平衡,密封可靠,

主要用于分流、混流、换向以及三通道的完全开放。

L型流道采用2面阀座,主要用于流路的换向。

1ea3e5512abe71ce6ef62e85f801ceed
99b7cd8ec0b19c00668f97bf65032af8

主要参数

公称通径DN15~100
工作电源AC110V,AC220V,AC380V,DC24V
执行器扭矩/材质铸铝合金
介质温度0~120℃
环境温度-30℃-60℃
公称压力0.1~6.4MPa
控制方式开关控制
气动作用方式单作用(带弹簧复位)或双作用
动作时间4-90秒
适用工况空调、消防系统、水处理、管路吹扫、分析仪器、烟气采样等
连接方式内螺纹连接,法兰
密封形式软密封
阀体材质SUS304、SUS316,WCB
阀芯材质SUS304、SUS316
密封圈材质EPDM、PTFE
防护等级IP67
安装方式任意角度安装(为延长寿命最好水平或倾斜安装)
设计与制造标准GB12237-2021 API 6D
法兰标准GB/T 9124.1-2019、GB/T 9124.2-2019、GB17241.6-2008
结构长度标准GB12221-2005
检验标准API 598

安装尺寸

1、法兰式气动三通球阀连接安装尺寸

电动法兰三通球阀说明书
通径 (DN)LL0D2CfDD1Hn-ΦdL1L2
15150754514295652164-Φ14196145
201608055142105752304-Φ14196145
251809065142115852364-Φ14196145
32200100781621351002454-Φ18196145
40220110851631451102584-Φ18196145
502401201001631601252644-Φ18196145
652601301201631801453024-Φ18255182
802801401351831951603108-Φ18255182
1003201601552032151803208-Φ18255182

2、内螺纹气动三通球阀连接安装尺寸

电动内螺纹三通球阀尺寸图
通径 (DN)LGΦdFH1H2W1W2
1270螺纹 标准 NPT BSP DIN etc124019638196145
1583154219840196145
1889185420850196145
25116256021759196145
32134326822870196145
38152388423274196145
50200509825193196145
6524065106302110255182
8027880114325133255182

电路图

电路 S

S型

开关动作模式:通过交流开关量实现开启,关闭操作,并输出一组只是全开,全闭的有源位置信号。

电路 MS

MS型

开关动作模式:输出无源触点信号。
结构:带两个中间位置开关。

电路 PIU

PIU型

开关动作模式:输出0~1000Ω反馈信号。
结构:带1KΩ电位器。

电路 CPT

CPT型

开关动作模式:输出4~20mA阀位反馈信号。
结构:带1KΩ电位器和R/I变换器。

电路 PCU

PCU型

调节动作模式:输入4~20mA控制信号,输出4~20mA阀位反馈信号。
结构:带1kΩ电位器和控制模块(伺服放大器)。

电路 G

G型

通过外部直流电源向电路输出直流开关量控制开启,关闭程序,并输出一组对应全开,全闭位置的无源触点信号。

电路 SP

SP型

开关动作模式:通过开关电路控制阀门开启角度与电位器阻值对应,并同时实现中间位置控制功能。
结构:带电位器和中间位置开关。

电路 H

H型

通过外部三相电源倒相电路输出三相交流开关量控制开启,
关闭操作并输出一组对应全开,全闭位置的无源触点信号。

选型相关

阀门选型常见问题

调节阀在线选型

根据执行器参数及阀门参数,快速确定所需要的阀门型号,工程师采购高效选型帮手!

还有问题?

如果您有任何其他疑问,请随时联系我们。我们的支持团队随时为您提供帮助!

ISO三体系管理

10万次寿命认证

RoHS

CE欧盟认证

SIL认证

防爆认证

CCC认证

滚动至顶部