
特点

- 密封极致可靠:采用双面球形密封结构,密封性能达到零泄漏标准等级,保障介质输送无渗漏;
- 耐磨耐用性强:特殊设计的聚四氟乙烯密封具备优良自润滑性,与球体摩擦损失小,显著延长产品使用寿命;
- 工况适配灵活:球芯通道提供矩形、V 形及 O 形多种选择,可根据不同流量控制需求灵活适配;
公称通径(DN):DN15~DN200
工作电压:交流110V、220V、380V,直流24V
介质温度:-20℃ 至+350℃ (+200℃ 特殊密封)
环境温度:-30℃~60℃
公称压力:0.1~10.0兆帕
动作时间:15秒~25秒
控制方式:调节控制或开关控制
密封形式:软密封
连接方式:法兰式
阀体材质:碳钢铸件(WCB)、不锈钢(SUS304、SUS316)、不锈钢(FZG1Cr18Ni9Ti、ZG1Cr18Ni12Mo2Ti)
阀座材质:PTFE(常温)、特制PPL(高温)、金属密封(高温)
密封圈材质:弹性密封、耐高温对位聚苯、硬质合金及工业陶瓷
防护等级:IP67
Ex db ⅡC T6 Gb
隔爆型(d)+增安型(b)
ⅡC级(氢气、乙炔等)
T6级(≤85°C)
Gb级(1区、2区适用)
制造标准:GB12237-2021 API 6D
法兰标准:JB/T 79-2015、GB/T 9124.1-2019、GB/T 9124.2-2019
ANSI B16.5 JIS B2239
检验标准:API 598
结构长度标准:GB12221-2005
主要参数
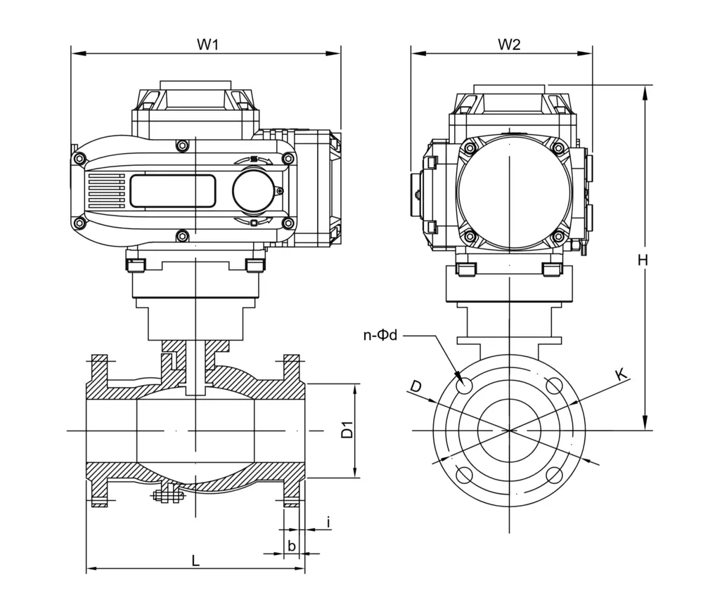
尺寸图
1、防爆电动法兰球阀安装尺寸图

| 通径(DN) | L | D | K | D1 | n-Φd | b | i | H | W1 | W2 | |
| mm | in | ||||||||||
| 15 | 1/2″ | 130 | 95 | 65 | 45 | 4-Φ14 | 14 | 2 | 239 | 217 | 150 |
| 20 | 3/4″ | 130 | 105 | 75 | 55 | 4-Φ14 | 16 | 2 | 241 | 217 | 150 |
| 25 | 1″ | 142 | 113 | 85 | 65 | 4-Φ14 | 18 | 2 | 249 | 217 | 150 |
| 32 | 1-1/4″ | 165 | 140 | 100 | 78 | 4-Φ18 | 18 | 2 | 263 | 217 | 150 |
| 40 | 1-1/2″ | 165 | 150 | 110 | 85 | 4-Φ18 | 18 | 2 | 264 | 217 | 150 |
| 50 | 2″ | 203 | 165 | 125 | 100 | 4-Φ18 | 20 | 2 | 277 | 217 | 150 |
| 65 | 2-1/2″ | 222 | 185 | 145 | 120 | 8-Φ18 | 20 | 2 | 356 | 268 | 180 |
| 80 | 3″ | 241 | 200 | 160 | 135 | 8-Φ18 | 21 | 2 | 376 | 268 | 180 |
| 100 | 4″ | 305 | 220 | 180 | 155 | 8-Φ18 | 22 | 2 | 395 | 268 | 180 |
| 125 | 5″ | 356 | 250 | 210 | 184 | 8-Φ18 | 22 | 3 | 416 | 268 | 180 |
| 150 | 6″ | 394 | 285 | 240 | 210 | 8-Φ23 | 24 | 3 | 426 | 268 | 180 |
| 200 | 8″ | 457 | 340 | 295 | 265 | 12-Φ23 | 26 | 3 | 491 | 268 | 180 |
电路图

S型

MS型

PIU型

CPT型

PCU型

G型

SP型












