
特点

- 结构紧凑、体积小、重量轻、安装方便等特点。
- 主要用于截断或接通管路中的介质,亦可用用于流体的调节与控制。
- 阀座采用聚四氟乙烯等弹性材料制成的密封圈,由于聚四氟乙烯等材料具有良好的自润滑性,与球体的摩擦损失小,有效延长产品使用寿命。
- 阀杆密封可靠,由于阀杆只做旋转运动而不做升降运动,阀杆的填料密封不易破坏,且密封能力随着介质的压力增高而增大。
- 下装式的阀杆头部凸阶防止阀杆喷出,如火灾造成阀杆密封破坏,凸阶与阀杆间还可形成金属接触,确保阀杆密封。
- 广泛应用在石油、化工、冶金、电站、轻工等领域,对油、水、气及纸浆或纤维状流体进行自动调节或切断控制。
- 防静电功能:在球体、阀杆、阀体之间设置弹簧,能将开关过程产生的静电导出。


主要参数
| 工作电源 | AC110VAC220VAC380VDC24V |
| 公称通径 | DN15-200 |
| 介质温度 | -20℃ 至+350℃ (+200℃ 特殊密封) |
| 工作压力 | PN16 PN25 PN40 PN64 |
| 控制方式 | 调节或开关控制 |
| 连接方式 | 法兰式 |
| 阀体材质 | WCB、SUS304、SUS316 |
| 阀座材料 | PTFE(常温)、特制PPL(高温) |
| 泄 漏 量 | 符合ANSIB16.104 5级标准 |
| 密封形式 | 弹性密封、耐高温对位聚苯 |
| 适用介质 | 水、石油、硝酸类、醋酸类、粘性流体、强氧化性介质等 |
| 防护等级 | IP67 |
| 设计与制造标准 | GB12237-2007 API 6D |
| 法兰标准 | JB/T 79-2015、GB/T 9124.1-2019、GB/T 9124.2-2019、ANSI B16.5 JIS B2239 |
| 结构长度 | GB12221-2005 |
| 检验标准 | API 598 |
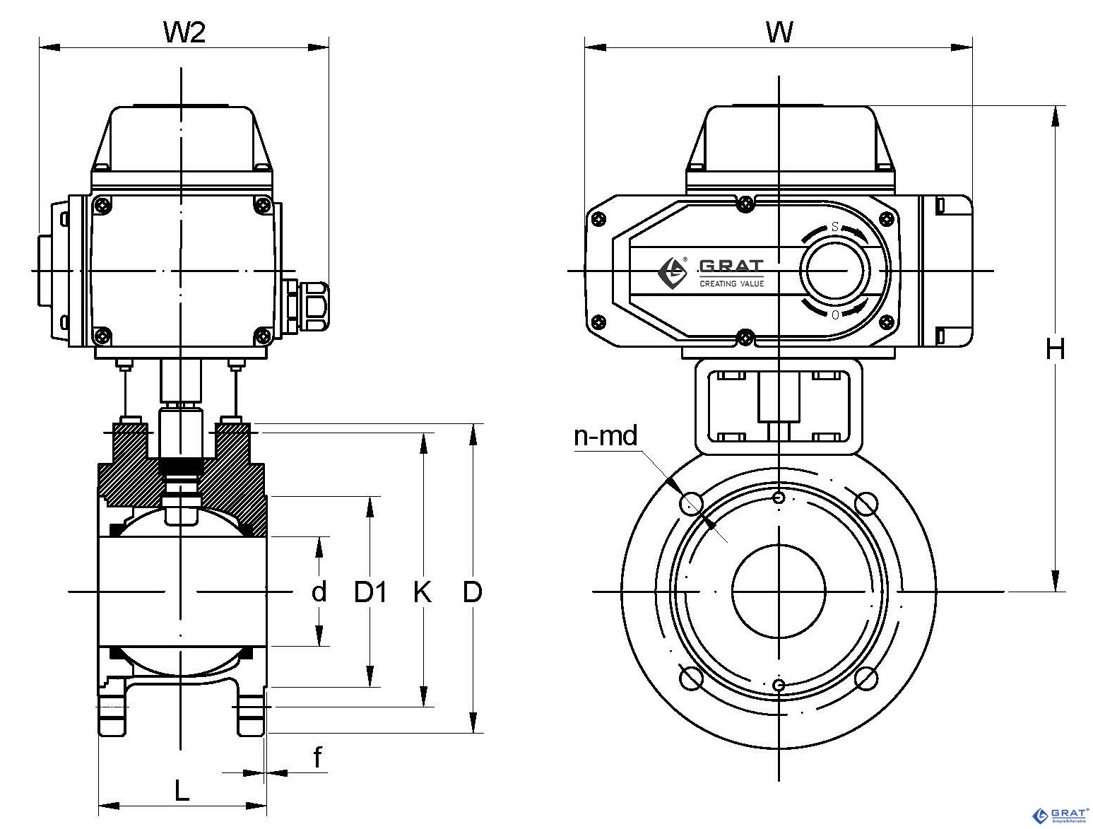
尺寸图
1、超短法兰电动球阀外形图和连接尺寸:

2、超短法兰电动球阀国标安装尺寸
设计标准:GB/T12237-2007
法兰标准:GB/T9113-2010 国标单位:(mm)
| 通径DN mm in | d | D1 | K | D | n-Md | f | L | H | W | W2 | |
| DN15 | 1/2〃 | 15 | 45 | 65 | 95 | 4-M12 | 2 | 35 | 210 | 196 | 145 |
| DN20 | 3/4〃 | 19 | 55 | 75 | 105 | 4-M12 | 2 | 38 | 216 | 196 | 145 |
| DN25 | 1〃 | 25 | 65 | 85 | 115 | 4-M12 | 2 | 50 | 223 | 196 | 145 |
| DN32 | 1-1/4〃 | 28 | 76 | 100 | 140 | 4-M16 | 2 | 50 | 230 | 196 | 145 |
| DN40 | 1-1/2〃 | 38 | 83 | 110 | 148 | 4-M16 | 3 | 67 | 240 | 196 | 145 |
| DN50 | 2〃 | 49 | 102 | 125 | 156 | 4-M16 | 3 | 72 | 250 | 196 | 145 |
| DN65 | 2-1/2〃 | 64 | 120 | 145 | 185 | 4-M16 | 3 | 94 | 298 | 255 | 182 |
| DN80 | 3〃 | 73 | 143 | 160 | 200 | 8-M16 | 3 | 120 | 312 | 255 | 182 |
| DN100 | 4〃 | 90 | 168 | 180 | 220 | 8-M16 | 3 | 141 | 322 | 255 | 182 |
| DN125 | 5〃 | 110 | 185 | 210 | 245 | 8-M16 | 3 | 165 | 397 | 255 | 182 |
| DN150 | 6〃 | 145 | 208 | 240 | 277 | 8-M20 | 3 | 225 | 422 | 255 | 182 |
| DN200 | 8〃 | 195 | 265 | 395 | 335 | 12-M20 | 3 | 275 | 512 | 255 | 182 |
3、超短法兰电动球阀德标安装尺寸
设计标准:DIN3375/1,2,EN12516-1
法兰标准:DIN EN1092-1 PN10-PN40 德标单位:(mm)
| 通径 mm in | d | D1 | K | D | n-Md | f | L | H | W | W2 | |
| DN15 | 1/2〃 | 15 | 45 | 65 | 95 | 4-M12 | 2 | 44 | 220 | 196 | 145 |
| DN20 | 3/4〃 | 20 | 58 | 75 | 105 | 4-M12 | 2 | 44 | 220 | 196 | 145 |
| DN25 | 1〃 | 25 | 68 | 85 | 115 | 4-M12 | 2 | 50 | 223 | 196 | 145 |
| DN32 | 1-1/4〃 | 32 | 78 | 100 | 140 | 4-M16 | 2 | 60 | 237 | 196 | 145 |
| DN40 | 1-1/2〃 | 38 | 88 | 110 | 150 | 4-M16 | 3 | 65 | 244 | 196 | 145 |
| DN50 | 2〃 | 49 | 102 | 125 | 165 | 4-M16 | 3 | 80 | 245 | 196 | 145 |
| DN65 | 2-1/2〃 | 62 | 122 | 145 | 185 | 4-M16 | 3 | 110 | 306 | 255 | 182 |
| DN80 | 3〃 | 74 | 138 | 160 | 200 | 8-M16 | 3 | 120 | 326 | 255 | 182 |
| DN100 | 4〃 | 100 | 158 | 180 | 220 | 8-M16 | 3 | 152 | 338 | 255 | 182 |
| DN125 | 5〃 | 118 | 188 | 210 | 250 | 8-M16 | 3 | 180 | 363 | 255 | 182 |
| DN150 | 6〃 | 150 | 212 | 240 | 285 | 8-M20 | 3 | 232 | 396.5 | 255 | 182 |
4、超短法兰电动球阀与管道的安装示意图

电路图

S型

MS型

PIU型

CPT型

G型

SP型









