
特点


- 主要用于截断或接通管路中的介质,亦可用于流体的调节与控制,是工业自动化过程控制的一种管道压元件
- 球阀的球体是固定的,受压后不产生移动。固定球球阀都带有浮动阀座,受介质压力后,阀座产生移动,使密封圈紧压在球体上,以保证密封。
- 操作方便,开闭迅速,从全开到全关只要旋转90°,便于远距离的控制
- 直通结构,流道简单,具有流通阻力小,无卡阻,耐冲蚀的特点。
- 无需维护,从一开始投入运行就无需任何维护,有效节约维护成本。


主要参数
1.硬密封电动调节阀体主要技术参数及指标
| 公称通径 DN(mm) | 15 | 20 | 25 | 40 | 50 | 65 | 80 | 100 | 125 | 150 | 200 | 250 | 300 | 350 | 400 | 450 | 500 | 600 | |
| 100%开度时流量系数CV值(参考) | V形 | 32 | 43 | 46 | 115 | 185 | 285 | 405 | 600 | 900 | 1200 | 2050 | 3200 | 4390 | 6400 | 8500 | 12500 | 17800 | 24000 |
| 流量特性 | V形(对数)等百分比 | ||||||||||||||||||
| 公称压力 | 16(1.6MPa)、40(4.0MPa)、64(6.4MPa) | ||||||||||||||||||
| 可调比 | 50:1 100:1 300:1 | ||||||||||||||||||
| 法兰标准 | 符合JB78-59、JB-79-59标准;可按JB/T79.1、JB/T79.2-94等标准生产 | ||||||||||||||||||
| 阀体材质 | 铸钢(ZG230-450)、不锈钢(ZG1Cr18Ni9Ti、316、316L)、钛合金 | ||||||||||||||||||
| 球体材质 | 不锈钢(ZG1Cr18Ni9Ti、316、316L、A105)等 | ||||||||||||||||||
| 阀杆材质 | 不锈钢(ZG1Cr18Ni9Ti、316、316L) | ||||||||||||||||||
| 填料材质 | 聚四氟乙烯、柔性石墨 | ||||||||||||||||||
| 密封形式 | 硬密封 | ||||||||||||||||||
| 阀座材质 | 不锈钢或不锈钢+STL | ||||||||||||||||||
| 泄漏率 | Ⅳ级 | ||||||||||||||||||
| 工作温度 | N:-40℃-180℃ | M:-40℃-280℃ | H:-40℃-400℃ | ||||||||||||||||
| 公称通径 | DN15-DN600(更大口径敬请联系我公司索取详细资料) | |||
| 公称压力 | PN1.6~6.4MPa | |||
| 连接方式 | 对夹式连接 | 法兰式连接 | ||
| 阀座形式 | 不锈钢可动硬密封 | |||
| 动作时间 | 15~120秒(0-90°) | |||
| 工作电源 | AC220V | AC380V | DC24V | |
| 控制信号 | 4~20mA | 0-5V | ||
| 输出信号 | 4~20mA | 0-5V | ||
| 介质温度 | ≤350℃ | |||
| 环境温度 | -30~60℃ | |||
| 适用介质 | 矿浆、煤浆、纸浆、水、油品、气体 | |||
| 死区 | 0.3%~3.0%可调 | |||
| 阀体材质 | WCB | SS304 | SS316 | SS316L |
| 阀座材质 | SS304 | SS316 | SS316L | |
| 阀芯材质 | SS304 | SS316 | SS316L | |
| 制造标准 | GB/T 122387-89 | |||
| 法兰标准 | GB9113-2000 | GB17241.6-1998 | ||
| 结构长度标准 | GB12221-89 | |||
| 检验标准 | GB/T 13927-92 | |||
安装尺寸
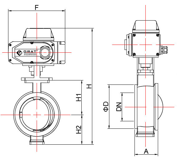
1.硬密封电动调节阀主要连接尺寸

| 通径DN(mm) | A | ΦD | H1 | H2 | H | F |
| 15 | 62 | 54 | 74 | 75 | 390 | 210 |
| 20 | 62 | 54 | 74 | 75 | 390 | 210 |
| 25 | 62 | 54 | 74 | 75 | 390 | 210 |
| 32 | 62 | 78 | 80 | 75 | 400 | 210 |
| 40 | 62 | 82 | 85 | 75 | 405 | 210 |
| 50 | 75 | 100 | 87 | 95 | 430 | 210 |
| 65 | 80 | 120 | 105 | 115 | 460 | 210 |
| 80 | 100 | 131 | 115 | 125 | 520 | 270 |
| 100 | 115 | 158 | 125 | 125 | 530 | 270 |
| 125 | 130 | 180 | 140 | 155 | 570 | 270 |
| 150 | 160 | 216 | 153 | 165 | 600 | 270 |
| 200 | 200 | 260 | 200 | 195 | 680 | 270 |
| 250 | 240 | 325 | 225 | 225 | 730 | 270 |
测试介质:水
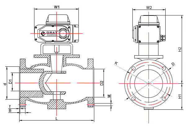
2.法兰式硬密封电动调节阀主要连接尺寸

设计标准:GB/T12237-2007
法兰标准:GB/T9113-2010 国标单位:(mm)
| 通径DN (mm) | D1 | D2 | d | K | D | M | B | F | L | H1 | H2 | W1 | W2 |
| 15 | 15 | 28 | 45 | 65 | 95 | 4-Φ14 | 14 | 2 | 102 | 55 | 289 | 196 | 145 |
| 20 | 15 | 28 | 55 | 75 | 105 | 4-Φ14 | 14 | 2 | 102 | 60 | 300 | 196 | 145 |
| 25 | 20 | 40 | 66 | 85 | 115 | 4-Φ14 | 14 | 2 | 102 | 65 | 310 | 196 | 145 |
| 32 | 25 | 46 | 78 | 100 | 135 | 4-Φ18 | 16 | 2 | 114 | 75 | 320 | 196 | 145 |
| 40 | 32 | 54 | 85 | 110 | 145 | 4-Φ18 | 16 | 2 | 114 | 80 | 330 | 196 | 145 |
| 50 | 40 | 65 | 100 | 125 | 160 | 4-Φ18 | 16 | 2 | 124 | 85 | 340 | 196 | 145 |
| 65 | 50 | 80 | 120 | 145 | 180 | 4-Φ18 | 18 | 2 | 145 | 100 | 350 | 196 | 145 |
| 80 | 65 | 100 | 135 | 160 | 195 | 8-Φ18 | 20 | 2 | 165 | 105 | 360 | 196 | 145 |
| 100 | 80 | 110 | 155 | 180 | 215 | 8-Φ18 | 20 | 2 | 194 | 115 | 420 | 196 | 184 |
| 125 | 100 | 135 | 185 | 210 | 245 | 8-Φ18 | 22 | 3 | 210 | 130 | 430 | 255 | 184 |
| 150 | 125 | 165 | 210 | 240 | 280 | 12-Φ23 | 24 | 33 | 229 | 150 | 450 | 255 | 184 |
| 200 | 160 | 205 | 265 | 295 | 335 | 12-Φ26 | 26 | 3 | 243 | 175 | 480 | 255 | 184 |
| 250 | 210 | 260 | 320 | 355 | 405 | 12-Φ26 | 30 | 33 | 297 | 220 | 520 | 255 | 184 |
| 300 | 250 | 322 | 375 | 410 | 460 | 12-Φ26 | 30 | 3 | 340 | 250 | 600 | 255 | 184 |
| 350 | 300 | 365 | 435 | 470 | 520 | 12-Φ26 | 34 | 3 | 422 | 280 | 630 | 255 | 184 |
3.最大允许泄漏量
| DN(mm) | 金属阀座 | 软阀座 |
| 15 | 1.1ml/min | 0.12ml/min |
| 20 | 1.5ml/min | 0.16ml/min |
| 25 | 2.0ml/min | 0.20ml/min |
| 32 | 2.4ml/min | 0.24ml/min |
| 40 | 3.0ml/min | 0.30ml/min |
| 50 | 3.8ml/min | 0.38ml/min |
| 65 | 5.2ml/min | 0.52ml/min |
| 80 | 6.2ml/min | 0.62ml/min |
| 100 | 7.6ml/min | 0.76ml/min |
| 125 | 9.6ml/min | 0.96ml/min |
| 150 | 12.0ml/min | 1.20ml/min |
| 200 | 15.4ml/min | 1.54ml/min |
| 250 | 19.2ml/min | 1.92ml/min |
4.标准结构材料
| 零件名称 | 材料 |
| 阀体 | 碳钢ASTM A216 WCC |
| 阀体内衬 | 高铬钢ASTM A532等级Ⅲ 类型A |
| V形球 | 高铬钢ASTM A532等级Ⅲ 类型A |
| 密封环 | 高铬钢ASTM A532等级Ⅲ 类型A |
| 密封固定环 | 碳钢ASTM A105 |
| 轴承保护套 | 高铬钢ASTM A532等级Ⅲ 类型A |
| 轴承 | 44oC58Rc |
| 驱动轴 | 17-4PH Cond.H1025 |
| 从动轴 | 17-4PH Cond.H1025 |
| 轴销 | 碳钢,镀锌 |
| 垫片 | 石墨不锈钢丝 |
| 填料 | PTFE,充填碳 |
| 填料函环和保护持套 | 316 SST |
| 螺栓 | SA-193-B7 |
| 螺母 | SA-194-2H |
| 固定环螺钉和锁扣 | 316 SST |
| 密封环内衬(可选) | PSZ陶瓷 |
| V形球(可选) | PSZ陶瓷 |
5.硬密封电动调节阀执行标准
| 制造标准 | GB/T 122387-89 |
| 法兰标准 | GB9113-2000、GB17241.6-1998 |
| 结构长度标准 | GB12221-89 |
| 检验标准 | GB/T 13927-92 |
6.硬密封电动调节阀与管道连接示意图

电路图

S型

MS型

PIU型

CPT型

PCU型

G型

SP型









