

特点

- 采用无销钉结构,有效避免长期运行销钉脱落。
- 本阀具有双向密封功能,安装时不受介质流向的控制,也不受空间位置的影响。可在任何方向安装。
- 单作用气动活塞执行机构,防止中途气源断掉弹簧复位功能自动复位关闭阀门。
- 气动活塞执行机构分有弹簧式和无弹簧式两种。故障下要求阀全开或关闭时配有弹簧式(靠弹簧的恢复张力复位),故障下要求保位时,配无弹簧式。它主要由缸体、弹簧、活塞、活塞杆、前后缸盖、齿条、输出轴等零部件组成。
- 结构简单、紧凑,操作扭矩小,90°回转开启迅速。
- 连接方式可设计成法兰连接和对夹连接。
- 蝶板可根据用户要求喷涂覆层,如尼龙或聚四氟类
- 配行程限位开关、电磁阀、过滤减压阀等附件及0.4-0.7MPa气源可实现开关操作,接收工业自动化控制系统的开关量信号来精确控制阀门开关,从而达到流量、温度、压力等不同工艺参数的开关控制。
主要参数
| 公称通径 | DN50~DN600 |
| 工作温度 | -30℃-180℃ |
| 公称压力 | PN1.6-2.5MPa |
| 适用介质 | 中性气体液体 |
| 气源压力 | 0.4~0.7MPa |
| 执行器密封 | 氟橡胶 |
| 执行器材质 | 铸铝合金 |
| 连接方式 | 对夹式连接 |
| 控制方式 | 开关动作 |
| 阀体材质 | SUS304不锈钢、SUS316不锈钢、WCB、QT450-10 |
| 阀板材质 | SUS304不锈钢、SUS316不锈钢、WCB、QT450-10 |
| 阀座密封 | PTFE,EPDM等 |
| 填料材质 | 石墨 |
| 制造标准 | JB/T8692-199 |
| 气动蝶阀设计与制造标准 | GB12237-89 AP16D标准 |
| 产品检查与实验 | JB/T 9092 API598标准 |
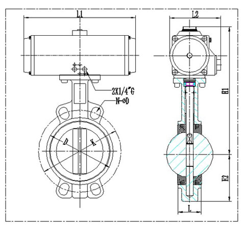
安装尺寸
1、气动开关蝶阀安装尺寸图表

| 公称通径DN/mm | 气缸缸径Φ | D | K | L | L1 | L2 | H2 | H1 | 4*ΦD |
| 50 | 75 | 92 | 125 | 42.6 | 206 | 103 | 70 | 260 | 4-Φ18 |
| 65 | 83 | 106 | 145 | 45.6 | 262 | 109 | 76 | 243 | 4-Φ18 |
| 80 | 92 | 122 | 160 | 45.6 | 270 | 122 | 89 | 308 | 8-Φ18 |
| 100 | 105 | 150 | 180 | 51.6 | 301 | 143 | 104 | 345 | 4-Φ22 |
| 125 | 125 | 177 | 210 | 55.6 | 392 | 152 | 120 | 383 | 4-Φ22 |
| 150 | 140 | 204 | 240 | 55.6 | 460 | 174 | 132 | 427 | 4-Φ23 |
| 200 | 160 | 260 | 295 | 59.6 | 515 | 205 | 167 | 503 | 4-Φ23 |
| 250 | 190 | 314 | 355 | 67.6 | 560 | 226 | 202 | 567 | 4-Φ28 |
| 300 | 210 | 370 | 410 | 77.6 | 654 | 260 | 239 | 630 | 4-Φ28 |
| 350 | 240 | * | 470 | 77 | 725 | 294 | 277.5 | 724 | 4-Φ28 |
| 400 | 270 | * | 525 | 86.5 | 742 | 380 | 309 | 787 | 4-Φ30 |
| 450 | 300 | * | 585 | 105.6 | 865 | 430 | 337 | 858 | 4-Φ30 |
| 500 | 350 | * | 650 | 131.8 | 925 | 516 | 361 | 916 | 4-Φ33 |
| 600 | 350 | * | 770 | 152 | 925 | 516 | 459 | 998 | 4-Φ36 |

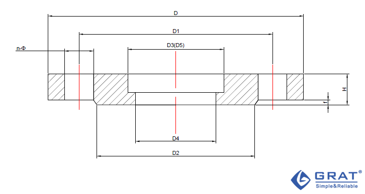
| 规格(mm) | D | D1 | D2 | D3 | D4 | n-Φ | H | f | D5 | b |
| 50 | 165 | 125 | 59 | 52 | 52 | 4-Φ 18 | 20 | 3 | 62 | 8 |
| 65 | 185 | 145 | 122 | 75 | 67 | 4-Φ 18 | 20 | 3 | 78 | 8 |
| 80 | 200 | 160 | 133 | 91 | 82 | 8-Φ 18 | 20 | 3 | 91 | 8 |
| 100 | 220 | 180 | 158 | 110 | 102 | 8-Φ 18 | 22 | 3 | 116 | 8 |
| 125 | 250 | 210 | 184 | 135 | 127 | 8-Φ 18 | 22 | 3 | 142 | 8 |
| 150 | 285 | 240 | 212 | 161 | 152 | 8-Φ 22 | 24 | 3 | 170 | 10 |
| 200 | 340 | 295 | 268 | 221 | 208 | 12-Φ 22 | 26 | 3 | 221 | 10 |
| 250 | 405 | 355 | 320 | 275 | 255 | 12-Φ 26 | 29 | 3 | 275 | 10 |
| 300 | 460 | 410 | 370 | 327 | 308 | 12-Φ 26 | 32 | 4 | 326 | 14 |
| 350 | 520 | 470 | 430 | 379 | 355 | 16-Φ 26 | 34 | 4 | 358 | 14 |
| 400 | 580 | 525 | 482 | 429 | 405 | 16-Φ 30 | 36 | 4 | 409 | 14 |
| 450 | 640 | 585 | 532 | 481 | 455 | 20-Φ 30 | 38 | 4 | 460 | 16 |
| 500 | 715 | 650 | 585 | 532 | 505 | 20-Φ 33 | 42 | 4 | 511 | 16 |
| 600 | 840 | 770 | 685 | 633 | 605 | 20-Φ 36 | 44 | 5 | 613 | 18 |
电路图

S型

MS型

PIU型

CPT型

PCU型

G型

SP型







