
特点
驱动力矩小,启闭灵活无摩擦,操作方便。
- 阀门驱动可以多工位安装,不受介质流向影响。
- 结构简单,易操作,性价比高。
- 精小型设计、外形美观,结构紧凑。
- 具有自洁功能,有效保证管路的畅通
公称通径(DN):DN15~DN100
工作电压:交流110V、220V、380V,直流24V
介质温度:-30~220℃
环境温度:-30℃~60℃
公称压力:1.6~6.4兆帕
动作时间:15秒~25秒
控制方式:开关控制
连接方式:内螺纹丝扣连接
阀体材质:碳钢铸件(WCB)、不锈钢(SUS304、SUS316)
阀芯材质:不锈钢(SUS304、SUS316)
密封圈材质:聚四氟乙烯(PTFE)、聚苯硫醚(PPL)
填料材质:柔性石墨、聚四氟乙烯(PTFE)
防护等级:IP67
制造标准:GB/T 12237-2021 API 6D
检验标准:API 598
主要参数
| 工作电压 | AC110V,AC220V,AC380V,DC24V |
| 公称通径 | DN15~DN100 |
| 工作温度 | -30℃-220℃ |
| 公称压力 | PN1.6-6.4MPa |
| 适用介质 | 中性气体液体 |
| 气源压力 | 0.4~0.7MPa |
| 执行器密封 | 氟橡胶 |
| 执行器材质 | 铸铝合金 |
| 连接方式 | 内螺纹丝扣连接 |
| 流量特性 | 快速开关 |
| 阀体材质 | WCB SUS304不锈钢、SUS316不锈钢 |
| 阀芯材质 | SUS304不锈钢、SUS316不锈钢 |
| 球阀密封 | PTFE,PPL等 |
| 填料材质 | 石墨 PTFE |
| 设计与制造标准 | GB12237-2021 API 6D |
| 产品检查与实验 | API 598 |
耗气量
开向体积和关向体积
| 型号 | 开关体积(升) | 关向体积(升) |
| 50 | 0.11 | 0.15 |
| 65 | 0.22 | 0.24 |
| 75 | 0.3 | 0.35 |
| 85 | 0.45 | 0.48 |
| 95 | 0.5 | 0.55 |
| 110 | 0.7 | 0.7 |
| 125 | 1.6 | 1.6 |
| 140 | 2.3 | 2.1 |
| 160 | 3.5 | 3 |
| 190 | 5.9 | 5.9 |
| 210 | 7.6 | 7.5 |
| 240 | 11 | 9 |
| 270 | 17 | 14 |
| 300 | 23.5 | 28 |
| 350 | 34 | 40 |
| 400 | 58 | 58 |
耗气量取决于供气压力,开关形成,体积及动作次数,计算如下:

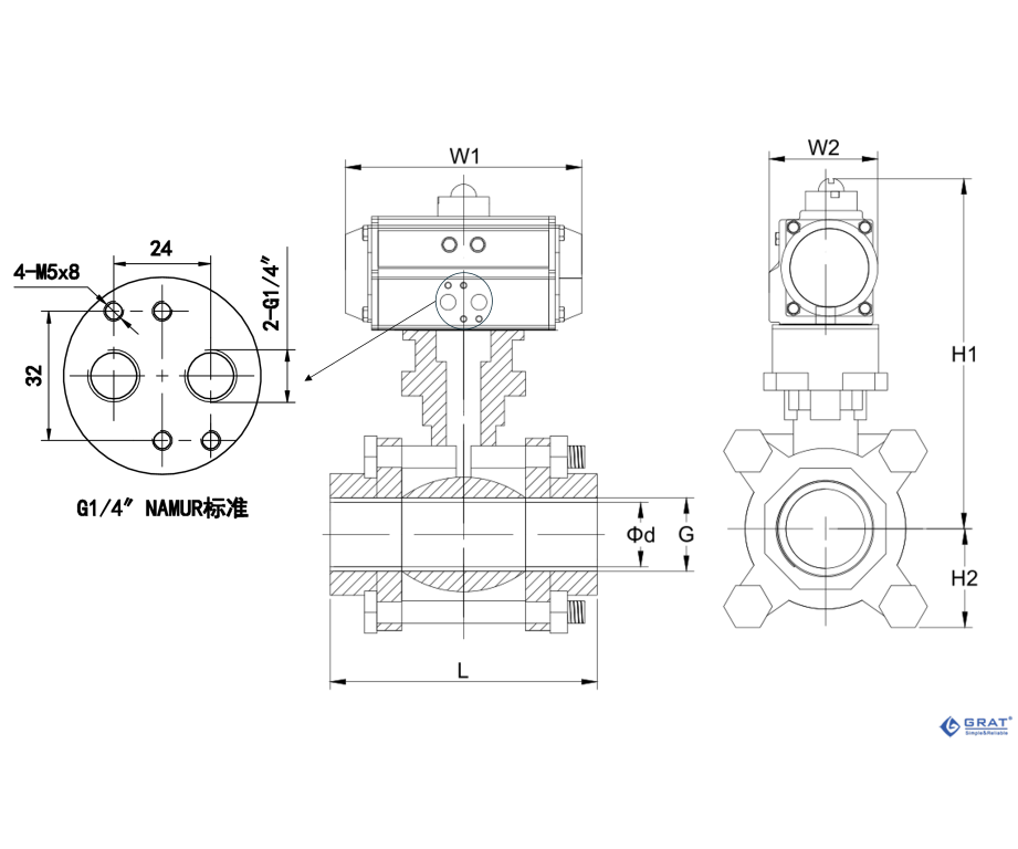
尺寸图
1、气动开关内螺纹球阀安装尺寸图

| 通径 | L | G | Φd | H2 | 双作用 | 单作用 | ||||
| H1 | W1 | W2 | H1 | W1 | W2 | |||||
| (DN) | ||||||||||
| 15 | 73 | 螺纹 标准 NPT BSP DIN etc | 15 | 38 | 188 | 147 | 72 | 188 | 147 | 72 |
| 20 | 80 | 20 | 45 | 190 | 147 | 72 | 206 | 168 | 83 | |
| 25 | 90 | 25 | 55 | 216 | 168 | 83 | 228 | 184 | 95 | |
| 32 | 110 | 32 | 60 | 230 | 168 | 83 | 251 | 204 | 103 | |
| 40 | 120 | 38 | 75 | 251 | 184 | 95 | 268 | 262 | 109 | |
| 50 | 140 | 50 | 83 | 268 | 204 | 103 | 292 | 268 | 122 | |
| 65 | 185 | 64 | 96 | 303 | 262 | 109 | 361 | 301 | 142 | |
| 80 | 205 | 72 | 106 | 338 | 268 | 122 | 397 | 390 | 152 | |
| 100 | 240 | 100 | 118 | 399 | 301 | 142 | 441 | 458 | 174 | |
注:气动阀门根据不同的使用介质、阀门的扭矩及控制方法,其适配的执行器型号可能有所不同,相关尺寸有所变化。
开关型接线图

调节型接线图













