产品简介
该产品具有“双向承压,零泄漏,寿命长、扭矩小、便捷更换阀座”等优点,使其在快速频繁开关、真空环境、高温、高压等工况表现尤为出色。
采用双偏心结构:一是阀杆与阀板偏心,二是阀杆与阀体偏心。独特的结构设计与几何构造,使阀门具备越关越紧的特性;开启时,阀杆只需小幅转动,阀板即可完全脱离阀座,有效降低摩擦力与操作力矩,同时密封严密可靠,使用寿命长久。

特点
- 偏心结构设计:阀杆阀板偏离阀体中轴线,开关大幅降低阀座摩擦,有效减少扭矩,显著提升使用寿命。
- 唇式双向零泄漏密封:接触式密封结构,双向零泄漏;支持1秒高频开关,负压真空工况适用,阀座可快速更换。
- 硅溶胶中温蜡铸造工艺:阀体阀板表面光滑无缺陷,内部无沙眼气孔,密封性与强度双重保障。
- RPTFE衬里轴套:降低运行扭矩,强化阀杆密封,有效防止蝶阀抱死,运行更稳定、寿命更长久。
- V型双重填料密封:配备抑微泄漏装置,双重密封防护,彻底杜绝外漏,满足最严苛工业安全标准。
| 对比项 | 高性能蝶阀 |
|---|---|
| 密封结构原理 | 蝶板回转中心偏离轴线,开关无磨损,仅关闭瞬间接触密封座 |
| 密封方式 | 挠性密封 + 介质密封原理,非强制密封,密封更可靠 |
| 使用寿命 | 试验室寿命200万次,寿命几何级高于中线蝶阀 |
| 运行扭矩 | 比中线蝶阀降低30%,开关更轻便 |
| 压力适用范围 | 最高可达50MPa,适配各类高压/复杂工况 |
| 适用介质 | 全介质兼容,气体、液体、浆液、真空环境均可稳定使用 |
主要参数
| 工作电源 | AC110VAC220VAC380VDC24V |
| 公称通径 | DN50-150 |
| 介质温度 | -20℃ 至+100℃ |
| 工作压力 | PN16 |
| 控制方式 | 调节或开关控制 |
| 连接方式 | 对夹式 |
| 阀体材质 | WCB |
| 阀座材料 | RPTFE |
| 适用介质 | 水、R22、R134a、R502、R134a、R404a、R1233zd(E)等制冷剂及各种矿物油 |
| 防护等级 | IP68 |
| 设计与制造标准 | API 609 |
| 法兰标准 | HG/T 20592-2009 |
| 压力温度标准 | ASME B16.34 |
| 检验标准 | API 598 |
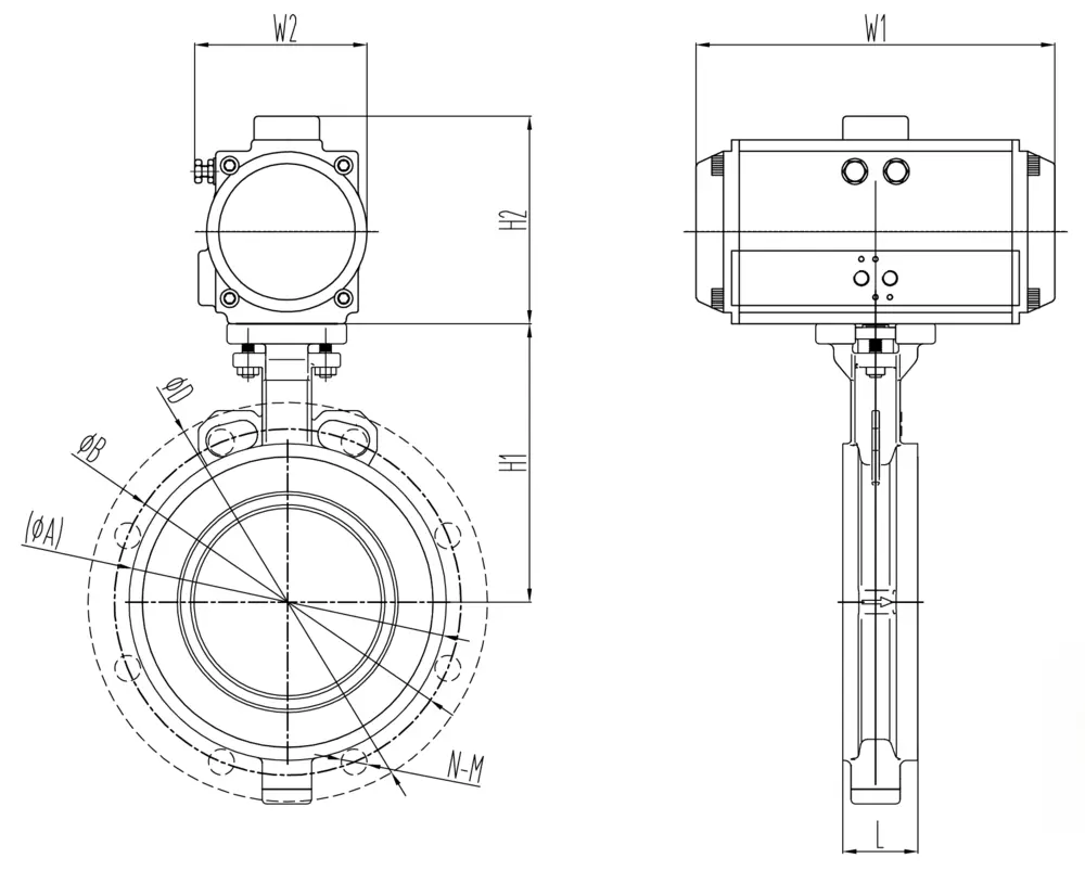
尺寸图

| DN | H1 | L | A | B | D | N | M | 单作用 | 双作用 | ||||
|---|---|---|---|---|---|---|---|---|---|---|---|---|---|
| W1 | W2 | H2 | W1 | W2 | H2 | ||||||||
| 50 | 115 | 43 | 102 | 125 | 165 | 4 | ⌀18 | 204 | 103 | 129 | 168 | 83 | 108 |
| 65 | 139 | 49 | 120 | 145 | 185 | 8 | ⌀18 | 262 | 109 | 137 | 184 | 95 | 120 |
| 80 | 147 | 49 | 131 | 160 | 200 | 8 | ⌀18 | 262 | 109 | 137 | 184 | 95 | 120 |
| 100 | 163 | 54 | 155 | 180 | 220 | 8 | ⌀18 | 268 | 122 | 153 | 204 | 103 | 129 |
| 125 | 175 | 57 | 186 | 210 | 250 | 8 | ⌀18 | 301 | 142 | 185 | 262 | 109 | 137 |
| 150 | 195 | 57 | 216 | 240 | 285 | 8 | ⌀22 | 390 | 152 | 202 | 268 | 122 | 153 |
技术规范
1、阀门连接形式:对夹式,法兰标准:ASME B16.5/ASME B16.47。
2、脱脂要求:介质为氧气的阀门的阀体、阀板、阀轴、填料、密封均需按照HG 20202-2014《脱脂工程施工及验收规范》进行脱脂处理。
3、气动元件未连接的接口均封堵,阀门本体有介质流向指示箭头。
开关型接线图

调节型接线图








