
特点
采用超短法兰距结构,阀座与端
面法兰距离近,物料滞留少,密
封性能优越。和普通电动球阀相
比重量大大降低,约为普通电动
球阀的50%。结构紧凑、体积小。
阀座与阀芯之间形成的V型切口,
能够轻松切断管道内的各种杂质,
有效保证管路的畅通。


阀芯确定了阀门的特性,特有的
V型阀芯结构改善了传统球阀的
控制稳定性问题。使流量通过球
型阀芯V型开口之间的开度得到
精密控制。
V型口角度可定制,满足更精
确的截流特性和控制功能。


主要参数
1.电动V型调节阀阀体主要技术参数及指标
| 公称通径 DN(mm) | 15 | 20 | 25 | 32 | 40 | 50 | 65 | 80 | 100 | 125 | 150 | 200 | |
| 100%开度时流量系数Cv值(参考) | O形 | 24 | 44 | 84 | 122 | 198 | 320 | 443 | 595 | 1096 | 1692 | 2602 | 4212 |
| 矩形 | 8.7 | 13.4 | 20 | 32.6 | 44.3 | 70 | 114 | 134 | 186 | 270 | 462 | 688 | |
| V形 | 7.5 | 11 | 17 | 28 | 38 | 60 | 98 | 116 | 155 | 233 | 397 | 595 | |
| 流量特性 | J矩形:近似直线;V形(对数)等百分比;O形:快开 | ||||||||||||
| 公称压力 | 16(1.6MPa)、40(4.0MPa)、64(6.4MPa) | ||||||||||||
| 可调比 | 50:1 100:1 300:1 | ||||||||||||
| 法兰标准 | JB/T79-2015、JB/T74-2015 | ||||||||||||
| 阀体材质 | 铸钢(ZG230-450)、不锈钢(ZG1Cr18Ni9Ti、316、316L)、钛合金 | ||||||||||||
| 球芯材质 | 不锈钢(ZG1Cr18Ni9Ti、316、316L、A105)、钛合金等 | ||||||||||||
| 阀杆材质 | 不锈钢(ZG1Cr18Ni9Ti、316、316L) | ||||||||||||
| 填料材质 | 聚四氟乙烯、柔性石墨 | ||||||||||||
| 密封形式 | 软密封 | 硬密封 | |||||||||||
| 介质温度 | ≤220℃ | ≤450℃ | |||||||||||
| 阀座材质 | 聚四氟乙烯 | 碳纤维强化聚四氟乙烯 | 不锈钢或不锈钢+STL | ||||||||||
| 泄漏率 | Ⅵ级 | V级 | |||||||||||
| 公称通径 | DN15-DN350(更大口径敬请联系我公司索取详细资料) | ||||||||||||
| 公称压力 | PN1.6MPa~PN6.4MPa | ||||||||||||
| 连接方式 | 法兰连接,对夹式连接 | ||||||||||||
| 动作时间 | 15秒、30秒(可选)(0-90°) | ||||||||||||
| 工作电源 | AC110V AC220V,AC380V,DC24V | ||||||||||||
| 控制方式 | 调节或开关控制 | ||||||||||||
| 环境温度 | ≤60℃ | ||||||||||||
| 适用介质 | 食品、润滑脂、纤维状流体、水、油品、气体 | ||||||||||||
| 死 区 | 0.3%-3.0%可调 | ||||||||||||
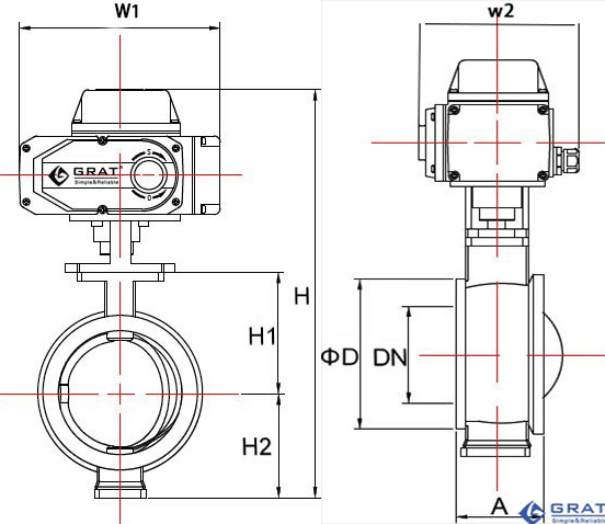
安装尺寸
1、电动V型调节阀(对夹式)外形图和连接尺寸:

| 通径DN(mm) | 直径英寸 | A | ΦD | H1 | H2 | H | W1 | W2 |
| 15 | 1/2″ | 62 | 54 | 74 | 75 | 390 | 196 | 145 |
| 20 | 3/4″ | 62 | 54 | 74 | 75 | 390 | 196 | 145 |
| 25 | 1″ | 62 | 54 | 74 | 75 | 390 | 196 | 145 |
| 32 | 1-1/4″ | 62 | 78 | 80 | 75 | 400 | 196 | 145 |
| 40 | 1-1/2″ | 62 | 82 | 85 | 75 | 405 | 196 | 145 |
| 50 | 2″ | 75 | 100 | 87 | 95 | 430 | 196 | 145 |
| 65 | 2-1/2″ | 80 | 120 | 105 | 115 | 460 | 196 | 145 |
| 80 | 3″ | 100 | 131 | 115 | 125 | 520 | 255 | 182 |
| 100 | 4″ | 115 | 158 | 125 | 125 | 530 | 255 | 182 |
| 125 | 5″ | 130 | 180 | 140 | 155 | 570 | 255 | 182 |
| 150 | 6″ | 160 | 216 | 153 | 165 | 600 | 255 | 182 |
| 200 | 8″ | 200 | 260 | 200 | 195 | 680 | 255 | 182 |
| 250 | 10″ | 240 | 325 | 225 | 225 | 730 | 255 | 182 |
2、电动V型调节阀(超短法兰)外形图和连接尺寸:

3、电动V型调节阀(超短法兰)国标安装尺寸
设计标准:GB/T12237-2007
法兰标准:GB/T9113-2010 国标单位:(mm)
| 通径DN mm in | d | D1 | K | D | n-Md | f | L | H | W | |
| DN15 | 1/2〃 | 15 | 45 | 65 | 95 | 4-M12 | 2 | 35 | 210 | 196 |
| DN20 | 3/4〃 | 19 | 55 | 75 | 105 | 4-M12 | 2 | 38 | 216 | 196 |
| DN25 | 1〃 | 25 | 65 | 85 | 115 | 4-M12 | 2 | 50 | 223 | 196 |
| DN32 | 1-1/4〃 | 28 | 76 | 100 | 140 | 4-M12 | 2 | 50 | 230 | 196 |
| DN40 | 1-1/2〃 | 38 | 83 | 110 | 148 | 4-M16 | 3 | 67 | 240 | 196 |
| DN50 | 2〃 | 49 | 102 | 125 | 156 | 4-M16 | 3 | 72 | 250 | 196 |
| DN65 | 2-1/2〃 | 64 | 120 | 145 | 185 | 4-M16 | 3 | 94 | 298 | 255 |
| DN80 | 3〃 | 73 | 143 | 160 | 200 | 8-M16 | 3 | 120 | 312 | 255 |
| DN100 | 4〃 | 90 | 168 | 180 | 220 | 8-M16 | 3 | 141 | 322 | 255 |
| DN125 | 5〃 | 110 | 185 | 210 | 245 | 8-M16 | 3 | 165 | 397 | 255 |
| DN150 | 6〃 | 145 | 208 | 240 | 277 | 8-M20 | 3 | 225 | 422 | 255 |
| DN200 | 8〃 | 195 | 265 | 395 | 335 | 12-M20 | 3 | 275 | 512 | 255 |
4、电动V型调节阀(超短法兰)德标安装尺寸
设计标准:DIN3375/1,2,EN12516-1
法兰标准:DIN EN1092-1 PN10-PN40 德标单位:(mm)
| 通径 mm in | d | D1 | K | D | n-Md | f | L | H | W | |
| DN15 | 1/2〃 | 15 | 45 | 65 | 95 | 4-M12 | 2 | 44 | 220 | 196 |
| DN20 | 3/4〃 | 20 | 58 | 75 | 105 | 4-M12 | 2 | 44 | 220 | 196 |
| DN25 | 1〃 | 25 | 68 | 85 | 115 | 4-M12 | 2 | 50 | 223 | 196 |
| DN32 | 1-1/4〃 | 32 | 78 | 100 | 140 | 4-M16 | 2 | 60 | 237 | 196 |
| DN40 | 1-1/2〃 | 38 | 88 | 110 | 150 | 4-M16 | 3 | 65 | 244 | 196 |
| DN50 | 2〃 | 49 | 102 | 125 | 165 | 4-M16 | 3 | 80 | 245 | 196 |
| DN65 | 2-1/2〃 | 62 | 122 | 145 | 185 | 4-M16 | 3 | 110 | 306 | 255 |
| DN80 | 3〃 | 74 | 138 | 160 | 200 | 8-M16 | 3 | 120 | 326 | 255 |
| DN100 | 4〃 | 100 | 158 | 180 | 220 | 8-M16 | 3 | 152 | 338 | 255 |
| DN125 | 5〃 | 118 | 188 | 210 | 250 | 8-M16 | 3 | 180 | 363 | 255 |
| DN150 | 6〃 | 150 | 212 | 240 | 285 | 8-M20 | 3 | 232 | 396.5 | 255 |
5、电动V型调节阀(长法兰)外形图和连接尺寸

6、电动V型调节阀(长法兰)国标安装尺寸
设计标准:GB/T12237-2007
法兰标准:HG/T20592 单位:(mm)
| 通径(DN) | L | D | K | D1 | n-Φd | b | i | H | W | |
| mm | in | |||||||||
| 15 | 1/2′ | 130 | 95 | 65 | 45 | 4-14 | 14 | 2 | 209 | 196 |
| 20 | 3/4′ | 130 | 105 | 75 | 55 | 4-14 | 16 | 2 | 211 | 196 |
| 25 | 1′ | 142 | 113 | 85 | 65 | 4-14 | 18 | 2 | 218.5 | 196 |
| 32 | 1-1/4′ | 165 | 140 | 100 | 78 | 4-18 | 18 | 2 | 233 | 196 |
| 40 | 1-1/2′ | 165 | 150 | 110 | 85 | 4-18 | 18 | 2 | 234 | 196 |
| 50 | 2′ | 203 | 165 | 125 | 100 | 4-18 | 20 | 2 | 248 | 196 |
| 65 | 2-1/2′ | 222 | 185 | 145 | 120 | 8-18 | 20 | 2 | 294 | 255 |
| 80 | 3′ | 241 | 200 | 160 | 135 | 8-18 | 21 | 2 | 320 | 255 |
| 100 | 4′ | 305 | 220 | 180 | 155 | 8-18 | 22 | 2 | 339 | 255 |
| 125 | 5′ | 356 | 250 | 210 | 184 | 8-18 | 22 | 3 | 392 | 255 |
| 150 | 6′ | 394 | 285 | 240 | 210 | 8-23 | 24 | 3 | 402 | 255 |
| 200 | 8′ | 457 | 340 | 295 | 265 | 12-23 | 26 | 3 | 467 | 255 |
7、电动V型调节阀(长法兰)日标安装尺寸
设计标准:API B2002
法兰标准:JIS B2220-2004
| 通径 DN | 英寸 | L | D | K | D1 | b | i | n-Φd | H | W |
| 15 | 1/2″ | 108 | 95 | 70 | 51 | 12 | 2 | 4-15 | 209 | 196 |
| 20 | 3/4“ | 117 | 100 | 75 | 56 | 14 | 2 | 4-15 | 213 | 196 |
| 25 | 1″ | 127 | 125 | 90 | 67 | 14 | 2 | 4-19 | 221 | 196 |
| 32 | 1.2″ | 140 | 135 | 100 | 76 | 16 | 2 | 4-19 | 229 | 196 |
| 40 | 1.5″ | 165 | 140 | 105 | 81 | 16 | 2 | 4-19 | 239 | 196 |
| 50 | 2″ | 178 | 155 | 120 |
8、电动V型球阀与管道的安装示意图

电路图

S型

MS型

PIU型

CPT型

PCU型

G型

SP型








