
特点
- 密封极致可靠:采用双面球形密封结构,密封性能达到零泄漏标准等级,保障介质输送无渗漏;
- 耐磨耐用性强:特殊设计的聚四氟乙烯密封具备优良自润滑性,与球体摩擦损失小,显著延长产品使用寿命;
- 工况适配灵活:球芯通道提供矩形、V 形及 O 形多种选择,可根据不同流量控制需求灵活适配;
公称通径(DN):DN15~DN200
工作电压:交流110V、220V、380V,直流24V
介质温度:-20℃ 至+350℃ (+200℃ 特殊密封)
环境温度:-30℃~60℃
公称压力:0.1~10.0兆帕
动作时间:15秒~25秒
控制方式:调节控制或开关控制
密封形式:软密封
连接方式:法兰式
阀体材质:碳钢铸件(WCB)、不锈钢(SUS304、SUS316)、不锈钢(FZG1Cr18Ni9Ti、ZG1Cr18Ni12Mo2Ti)
阀座材质:PTFE(常温)、特制PPL(高温)、金属密封(高温)
密封圈材质:弹性密封、耐高温对位聚苯、硬质合金及工业陶瓷
防护等级:IP67
制造标准:GB12237-2021 API 6D
法兰标准:JB/T 79-2015
GB/T 9124.1-2019
GB/T 9124.2-2019
ANSI B16.5 JIS B2239
检验标准:API 598
结构长度标准:GB12221-2005
主要参数
| 工作电源 | AC110V,AC220V,AC380V,DC24V |
| 公称通径 | DN15-200 |
| 介质温度 | -20℃ 至+350℃ (+200℃ 特殊密封) |
| 工作压力 | PN1.0~10.0MPa |
| 控制方式 | 调节或开关控制 |
| 气动作用方式 | 单作用(带弹簧复位)或双作用 |
| 连接方式 | 法兰式 |
| 阀体材质 | A105、F304、F316、WCB、FZG1Cr18Ni9Ti、ZG1Cr18Ni12Mo2Ti、CF8、CF8M、CF3M |
| 阀座材料 | PTFE(常温)、特制PPL(高温)、金属密封(高温) |
| 泄漏量 | 符合ANSIB16.104 5级标准 |
| 密封形式 | 弹性密封、耐高温对位聚苯、硬质合金及工业陶瓷 |
| 适用介质 | 水、石油、硝酸类、醋酸类、粘性流体、浆料、强氧化性介质 |
| 防护等级 | IP67 |
| 设计与制造标准 | GB12237-2021 API 6D |
| 法兰标准 | JB/T 79-2015、GB/T 9124.1-2019、GB/T 9124.2-2019、ANSI B16.5 JIS B2239 |
| 结构长度 | GB12221-2005 |
| 检验标准 | API 598 |
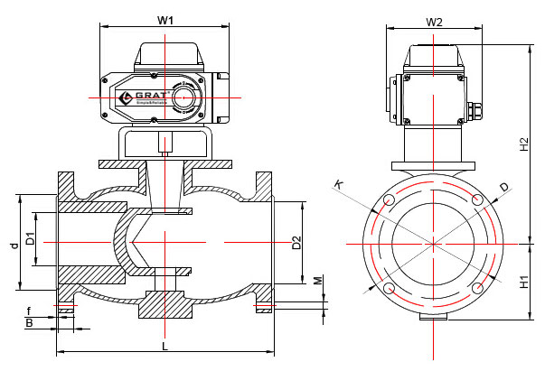
尺寸图
1、电动法兰球阀安标安装尺寸图

| 通径(DN) | L | D | K | D1 | n-Φd | b | i | H | W1 | W2 | |
| mm | in | ||||||||||
| 15 | 1/2″ | 130 | 95 | 65 | 45 | 4-Φ14 | 14 | 2 | 209 | 196 | 145 |
| 20 | 3/4″ | 130 | 105 | 75 | 55 | 4-Φ14 | 16 | 2 | 211 | 196 | 145 |
| 25 | 1″ | 142 | 113 | 85 | 65 | 4-Φ14 | 18 | 2 | 218.5 | 196 | 145 |
| 32 | 1 1/4″ | 165 | 140 | 100 | 78 | 4-Φ18 | 18 | 2 | 233 | 196 | 145 |
| 40 | 1 1/2″ | 165 | 150 | 110 | 85 | 4-Φ18 | 18 | 2 | 234 | 196 | 145 |
| 50 | 2″ | 203 | 165 | 125 | 100 | 4-Φ18 | 20 | 2 | 248 | 196 | 145 |
| 65 | 2 1/2″ | 222 | 185 | 145 | 120 | 8-Φ18 | 20 | 2 | 294 | 255 | 182 |
| 80 | 3″ | 241 | 200 | 160 | 135 | 8-Φ18 | 21 | 2 | 320 | 255 | 182 |
| 100 | 4″ | 305 | 220 | 180 | 155 | 8-Φ18 | 22 | 2 | 339 | 255 | 182 |
| 125 | 5″ | 356 | 250 | 210 | 184 | 8-Φ18 | 22 | 3 | 392 | 255 | 182 |
| 150 | 6″ | 394 | 285 | 240 | 210 | 8-Φ23 | 24 | 3 | 402 | 255 | 182 |
| 200 | 8″ | 457 | 340 | 295 | 265 | 12-Φ23 | 26 | 3 | 467 | 255 | 182 |
法兰式电动球阀(长法兰)国标安装尺寸
设计标准:GB/T12237-2007 法兰标准:HG/T20592 单位:(mm)
2、电动法兰式球阀日标安装尺寸
| 通径 DN | L | D | K | D1 | b | i | n-Φd | H | W1 | W2 |
| 15 | 108 | 95 | 70 | 51 | 12 | 2 | 4-Φ15 | 209 | 196 | 145 |
| 20 | 117 | 100 | 75 | 56 | 14 | 2 | 4-Φ15 | 213 | 196 | 145 |
| 25 | 127 | 125 | 90 | 67 | 14 | 2 | 4-Φ19 | 221 | 196 | 145 |
| 32 | 140 | 135 | 100 | 76 | 16 | 2 | 4-Φ19 | 229 | 196 | 145 |
| 40 | 165 | 140 | 105 | 81 | 16 | 2 | 4-Φ19 | 239 | 196 | 145 |
| 50 | 178 | 155 | 120 | 96 | 16 | 2 | 4-Φ19 | 246 | 196 | 145 |
| 65 | 190 | 175 | 140 | 116 | 18 | 2 | 4-Φ19 | 306 | 255 | 182 |
| 80 | 203 | 185 | 150 | 126 | 18 | 2 | 8-Φ19 | 316 | 255 | 182 |
| 100 | 229 | 210 | 175 | 151 | 18 | 2 | 8-Φ19 | 339 | 255 | 182 |
| 125 | 356 | 250 | 210 | 182 | 20 | 2 | 8-Φ23 | 371 | 255 | 182 |
| 150 | 394 | 280 | 240 | 212 | 20 | 2 | 8-Φ23 | 399 | 255 | 182 |
| 200 | 457 | 330 | 290 | 262 | 20 | 2 | 12-Φ23 | 438 | 255 | 182 |
设计标准:API B2002
法兰标准:JIS B2220-2004 单位:(mm)
电路图

S型

MS型

PIU型

CPT型

PCU型

G型

SP型












