VPSA变压吸附装置专用高性能防爆电动蝶阀

VPSA 变压吸附装置专用高性能防爆电动蝶阀

由防爆执行器驱动的高性能蝶阀,双向承压零泄漏、流阻小、压差低。应用于钢铁、空分、天然气等行业领域,特别在VPS…

产品标签
, ,

产品简介

该产品具有“双向承压,零泄漏,寿命长、扭矩小、便捷更换阀座”等优点,使其在快速频繁开关、真空环境、高温、高压等工况表现尤为出色。

采用双偏心结构:一是阀杆与阀板偏心,二是阀杆与阀体偏心。独特的结构设计与几何构造,使阀门具备越关越紧的特性;开启时,阀杆只需小幅转动,阀板即可完全脱离阀座,有效降低摩擦力与操作力矩,同时密封严密可靠,使用寿命长久。

VPSA阀门整体结构

特点

  • 偏心结构设计:阀杆阀板偏离阀体中轴线,开关大幅降低阀座摩擦,有效减少扭矩,显著提升使用寿命。
  • 唇式双向零泄漏密封接触式密封结构,双向零泄漏;支持1秒高频开关,负压真空工况适用,阀座可快速更换。
  • 硅溶胶中温蜡铸造工艺:阀体阀板表面光滑无缺陷,内部无沙眼气孔,密封性与强度双重保障。
  • RPTFE衬里轴套降低运行扭矩,强化阀杆密封,有效防止蝶阀抱死,运行更稳定、寿命更长久。
  • V型双重填料密封:配备抑微泄漏装置,双重密封防护,彻底杜绝外漏,满足最严苛工业安全标准。
对比项高性能蝶阀
密封结构原理蝶板回转中心偏离轴线,开关无磨损,仅关闭瞬间接触密封座
密封方式挠性密封 + 介质密封原理,非强制密封,密封更可靠
使用寿命试验室寿命200万次,寿命几何级高于中线蝶阀
运行扭矩比中线蝶阀降低30%,开关更轻便
压力适用范围最高可达50MPa,适配各类高压/复杂工况
适用介质全介质兼容,气体、液体、浆液、真空环境均可稳定使用

主要参数

工作电源AC110VAC220VAC380VDC24V
公称通径DN50-150
介质温度-20℃ 至+100℃
工作压力PN16
控制方式调节或开关控制
连接方式对夹式
阀体材质WCB
阀座材料RPTFE
适用介质水、R22、R134a、R502、R134a、R404a、R1233zd(E)等制冷剂及各种矿物油
防护等级IP68
设计与制造标准API 609
法兰标准HG/T 20592-2009
压力温度标准ASME B16.34
检验标准API 598

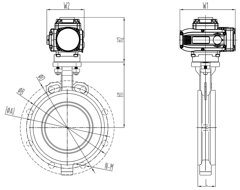
尺寸图

高性能防爆电动蝶阀尺寸图
DNW1W2H1H2LABDNM
50217150115183431021251654⌀18
65217150139183491201451858⌀18
80217150147183491311602008⌀18
100217150163183541551802208⌀18
125217150175183571862102508⌀18
150268180195216572162402858⌀22

技术规范

1、阀门连接形式:对夹式,法兰标准:ASME B16.5/ASME B16.47。
2、脱脂要求:介质为氧气的阀门的阀体、阀板、阀轴、填料、密封均需按照HG 20202-2014《脱脂工程施工及验收规范》进行脱脂处理。
3、气动元件未连接的接口均封堵,阀门本体有介质流向指示箭头。

电路图

电路 S

S型

开关动作模式:通过交流开关量实现开启,关闭操作,并输出一组只是全开,全闭的有源位置信号。

电路 MS

MS型

开关动作模式:输出无源触点信号。
结构:带两个中间位置开关。

电路 PIU

PIU型

开关动作模式:输出0~1000Ω反馈信号。
结构:带1KΩ电位器。

电路 CPT

CPT型

开关动作模式:输出4~20mA阀位反馈信号。
结构:带1KΩ电位器和R/I变换器。

电路 PCU

PCU型

调节动作模式:输入4~20mA控制信号,输出4~20mA阀位反馈信号。
结构:带1kΩ电位器和控制模块(伺服放大器)。

电路 G

G型

通过外部直流电源向电路输出直流开关量控制开启,关闭程序,并输出一组对应全开,全闭位置的无源触点信号。

电路 SP

SP型

开关动作模式:通过开关电路控制阀门开启角度与电位器阻值对应,并同时实现中间位置控制功能。
结构:带电位器和中间位置开关。

电路 H

H型

通过外部三相电源倒相电路输出三相交流开关量控制开启,
关闭操作并输出一组对应全开,全闭位置的无源触点信号。

选型相关

阀门选型常见问题

调节阀在线选型

根据执行器参数及阀门参数,快速确定所需要的阀门型号,工程师采购高效选型帮手!

还有问题?

如果您有任何其他疑问,请随时联系我们。我们的支持团队随时为您提供帮助!

ISO三体系管理

10万次寿命认证

RoHS

CE欧盟认证

SIL认证

防爆认证

CCC认证

滚动至顶部