




①采用无销钉结构,有效避免长期运行销钉脱落。
②本阀具有双向密封功能,安装时不受介质流向的控制,也不受空间位置的影响。可在任何方向安装。
③密封副材料选用不锈钢和丁腈耐油橡胶配对,有效延长使用寿命长。
DDS开关调试专利技术: 旋转刻度盘顶部旋钮即可轻松完成电动执行机构与阀门连接后的电气、机械位置校准调试! 从原来5步调试到DDS技术的1步到位!我们懂你的烦恼 简单的一步调试,只需要一个内六角扳手按照你预设的角度 轻松旋转刻度盘上的调试螺钉到达位置。 DDS开关调试技术专利号:ZL2014 2 0595730.6 |
![]() |
![]() |
PPD专利定位技术: 定位精度提高5倍达到±0.1%,电位器使用寿命提高2倍达到100万次。 PPD专利定位技术专利号:ZL2010 2 0225919.8 |
![]() |
★结构简单、紧凑,90°回转开启迅速。
★DDS开关调试技术,可直接进行开关调试。全面解决繁琐的调试步骤,让技术更简单,让调试更便捷!
★压差小,流通能力大。
★操作扭矩小,省力轻巧。
★流量特性线性或等百分比特性,可用于调节或开关式控制。
★具有非常显著的经济性,尤其是较大口径的蝶阀。(中、低压力场合首选蝶阀)
★优越的经济性能使得蝶阀广泛应用于食品、环保、轻工、石油、造纸、化工、船舶、城市给排水、电力等行业的工业自动控制系统中。
公称通径 |
DN40~DN800 |
|
工作电源 |
AC220V,AC380V DC24V |
|
介质温度 |
-20~120℃ |
|
环境温度 |
-30℃-60℃ |
|
公称压力 |
0.1~2.5MPa |
|
动作时间 |
15S/30S/60S |
|
适用介质 |
水,油品,气体、腐蚀性介质等 |
|
控制方式 |
调节或开关控制 |
|
输入信号 |
4-20mA/0-5V~10V(备选) |
|
输出信号 |
4-20mA/0-5V~10V(备选) |
|
连接方式 |
对夹式 |
|
密封形式 |
软密封 |
|
试验压力 |
壳体实验 |
1.76MPa |
密封试验 |
2.4MPa |
|
阀体材质 |
WCB、QT450-10、HT200、HT250、SUS304、SUS316 |
|
阀板材质 |
WCB、QT450-10、HT200、HT250、SUS304、SUS316 |
|
转轴材质 |
2Cr13 |
|
密封圈材质 |
丁腈耐油橡胶、EPDM、PTFE、PPL等 |
|
阀杆密封 |
NBR、HNBR |
|
填料材质 |
柔性石墨 |
|
防护等级 |
IP67 |
|
制造标准 |
GB/T 12238-2016 |
|
法兰标准 |
GB9113-2000、GB17241.6-1998 |
|
结构长度标准 |
GB12221-89 |
|
检验标准 |
GB/T 13927-92 |
规格 Size |
mm | 50 | 65 | 80 | 100 | 125 | 150 | 200 | 250 | 300 | 350 | 400 | 450 | 500 | 600 | 700 | 800 | 900 | 1000 | 1200 |
inch | 2" | 2.5" | 3" | 4" | 5" | 6" | 8" | 10" | 12" | 14" | 16" | 18" | 20" | 24" | 28" | 32" | 36" | 40" | 48" | |
90°开启时CV Full 90°Open |
135 | 220 | 302 | 600 | 1022 | 1579 | 3136 | 5340 | 8250 | 11917 | 16388 | 21705 | 27908 | 43116 | 49500 | 68250 | 86375 | 119750 | 187300 |
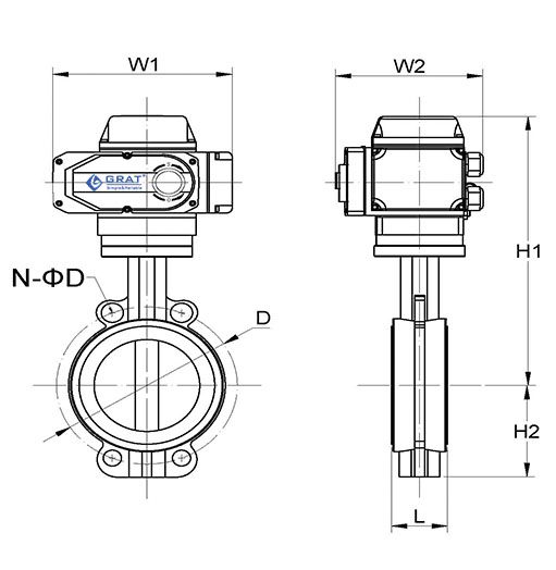
1.软密封电动蝶阀安装尺寸图表
通径 |
L |
D |
N-ΦD |
H2 |
H1 |
W1 |
W2 |
40 |
33 |
--- |
--- |
48 |
210 |
138 |
76 |
50 |
42.6 |
125 |
4-Φ18 |
70 |
314 |
160 |
137 |
65 |
45.6 |
145 |
4-Φ18 |
76 |
327 |
160 |
137 |
80 |
45.6 |
160 |
8-Φ18 |
89 |
333 |
160 |
137 |
100 |
51.6 |
180 |
4-Φ22 |
104 |
385 |
196 |
145 |
125 |
55.6 |
210 |
4-Φ22 |
120 |
400 |
196 |
145 |
150 |
55.6 |
240 |
4-Φ23 |
139 |
442 |
255 |
182 |
200 |
59.6 |
295 |
4-Φ23 |
175 |
480 |
255 |
182 |
250 |
67.6 |
355 |
4-Φ28 |
203 |
522 |
255 |
182 |
300 |
77.6 |
410 |
4-Φ28 |
242 |
537 |
255 |
182 |
350 |
77 |
470 |
4-Φ28 |
277.5 |
555 |
354 |
273 |
400 |
86.5 |
525 |
4-Φ30 |
309 |
590 |
354 |
273 |
450 |
105.6 |
585 |
4-Φ30 |
337 |
610 |
354 |
273 |
500 |
131.8 |
650 |
4-Φ33 |
361 |
670 |
354 |
273 |
600 |
152 |
770 |
4-Φ36 |
459 |
1110 |
520 |
470 |
700 |
163 |
840 |
4-Φ36 |
527 |
1180 |
520 |
470 |
800 |
188 |
950 |
4-Φ39 |
594 |
1220 |
520 |
470 |
2.软密封电动蝶阀主体零部件材料
零件名称
|
材料
|
阀 体
|
WCB、QT450-10、HT200、HT250
|
蝶 板
|
WCB、QT450-10、HT200、HT250
|
阀 轴
|
2Cr13
|
密 封 圈
|
丁腈耐油橡胶
|
填料
|
柔性石墨
|
3.软密封电动蝶阀执行标准
制造标准
|
GB/T 122387-89
|
法兰标准
|
GB9113-2000、GB17241.6-1998
|
结构长度标准
|
GB12221-89
|
检验标准
|
GB/T 13927-92
|
4.软密封电动蝶阀性能规范
公称通径
|
40~1200
|
40~800
|
mm
|
|
公称压力
|
1.0
|
1.6
|
Mpa
|
|
试验压力
|
密封
|
1.1
|
1.76
|
|
壳体
|
1.5
|
2.4
|
|
|
适用温度
|
﹣15~﹢150
|
℃
|
||
适用介质
|
淡水、海水、污水、空气、蒸气、食品、药品、各种油类、酸类、碱类、盐类等
|
5.软密封电动蝶阀与管道连接示意图
6.电动蝶阀安装步骤说明书https://www.grat.com.cn/download2/936.html
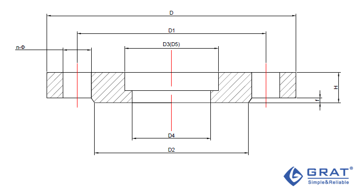
7.对夹式蝶阀适用法兰
规格(mm) | D | D1 | D2 | D3 | D4 | n-Φ | H | f | D5 | b |
50 | 165 | 125 | 59 | 52 | 52 | 4-Φ 18 | 20 | 3 | 62 | 8 |
65 | 185 | 145 | 122 | 75 | 67 | 4-Φ 18 | 20 | 3 | 78 | 8 |
80 | 200 | 160 | 133 | 91 | 82 | 8-Φ 18 | 20 | 3 | 91 | 8 |
100 | 220 | 180 | 158 | 110 | 102 | 8-Φ 18 | 22 | 3 | 116 | 8 |
125 | 250 | 210 | 184 | 135 | 127 | 8-Φ 18 | 22 | 3 | 142 | 8 |
150 | 285 | 240 | 212 | 161 | 152 | 8-Φ 22 | 24 | 3 | 170 | 10 |
200 | 340 | 295 | 268 | 221 | 208 | 12-Φ 22 | 26 | 3 | 221 | 10 |
250 | 405 | 355 | 320 | 275 | 255 | 12-Φ 26 | 29 | 3 | 275 | 10 |
300 | 460 | 410 | 370 | 327 | 308 | 12-Φ 26 | 32 | 4 | 326 | 14 |
350 | 520 | 470 | 430 | 379 | 355 | 16-Φ 26 | 34 | 4 | 358 | 14 |
400 | 580 | 525 | 482 | 429 | 405 | 16-Φ 30 | 36 | 4 | 409 | 14 |
450 | 640 | 585 | 532 | 481 | 455 | 20-Φ 30 | 38 | 4 | 460 | 16 |
500 | 715 | 650 | 585 | 532 | 505 | 20-Φ 33 | 42 | 4 | 511 | 16 |
600 | 840 | 770 | 685 | 633 | 605 | 20-Φ 36 | 44 | 5 | 613 | 18 |
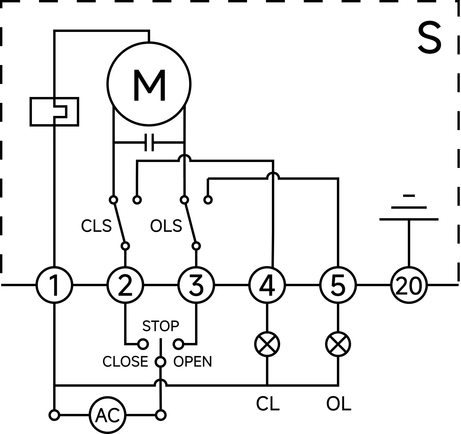
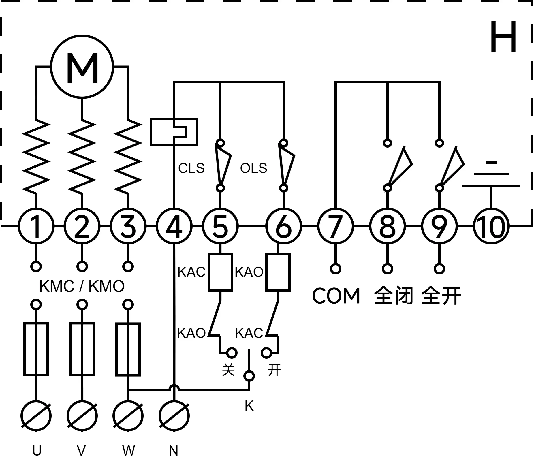
控制电路 | 型号代码 | 电路图 | 视频地址 |
开关动作模式:通过交流开 关量实现开启,关闭操作,
并输出一组只是全开,全闭 的有源位置信号。 | S | 点击查看 | |
开关动作模式:输出无源触 点信号。 结构:带两个中间位置开关。 | MS | 点击查看 | |
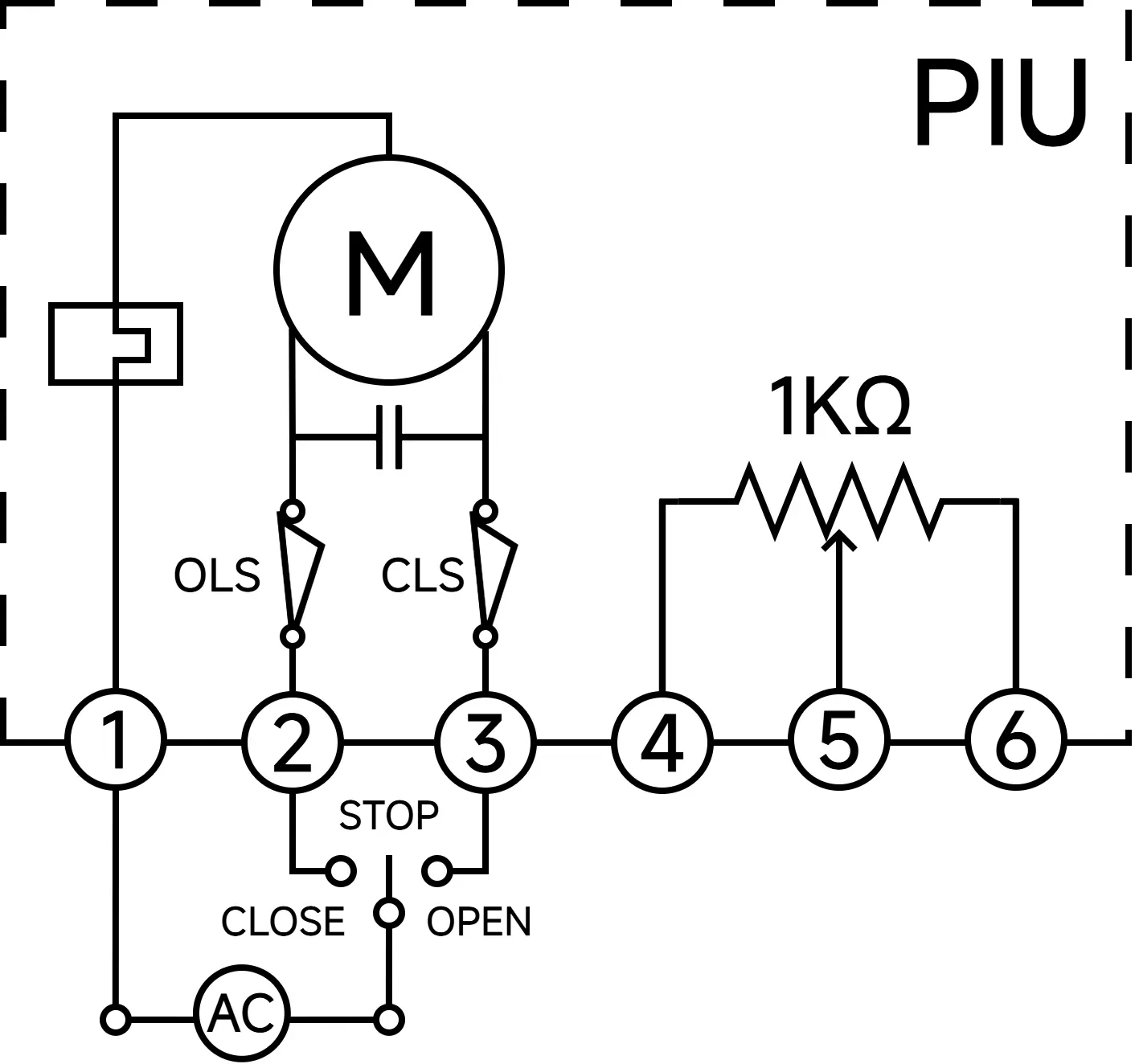
开关动作模式:输出 0~1000Ω反馈信号。
结构:带500Ω或1KΩ电位 器。 | PIU | 点击查看 | |
开关动作模式:通过开关电
路控制阀门开启角度与电位
器阻值对应,并同时实现中 间位置控制功能。
结构:带电位器和中间位置 开关。 | SP | 点击查看 | |
开关动作模式:输出4~ 20mA阀位反馈信号。 结构:带1KΩ电位器和R/I变
换器。 | CPT | 点击查看 | |
调节动作模式:输入4~20mA控制信号,输出4~20mA阀位反馈信号。 结构:带1kΩ电位器和控制 模块(伺服放大器)。 | PCU | ![]() | 点击查看 |
通过外部直流电源向电路输 出直流开关量控制开启, 关闭程序,并输出一组对应 全开,全闭位置的无源触点 信号。 | G | ![]() | 点击查看 |
通过外部直流电源向电路输出模拟量信号控制开启,关闭程序,并输出一组对应全开,全闭位置的模拟量信号。 | PCU-DC24 | ![]() | |
通过外部三相电源倒相电路 输出三相交流开关量控制开 启,关闭操作并输出一组对 应全开,全闭位置的无源触 点信号。 | H | ![]() | 点击查看 |
数字模块-DC-电路图 | DC | ![]() | |
数字模块-AC-电路图 | AC | ![]() |